Преобразование структурных схем
Рассмотрим три элемента структурной схемы: узел разветвления, суммирующий узел и звено, преобразующее сигнал.
Для различных схем соединения введем понятие направления ветвления, указывающее направление разделения сигнала на составляющие или направление его передачи по нескольким ветвям (разветвления). Направление ветвления может или соответствовать, или быть противоположным направлению передачи сигнала. В суммирующем узле направление ветвления противоположно направлению передачи сигнала, а в узле разветвления — совпадает с направлением передачи сигнала. На рисунке 1.8.4 показаны узел разветвления (а) и суммирующий узел (б), двумя различными стрелками показаны направление передачи сигнала (зачернённая стрелка) и направление ветвления (незачернённая стрелка).
Направление ветвления является понятием, применимым как при передаче сигналов, так и при передаче вещества. Наглядным примером рассмотрения направления ветвления при передаче вещества может служить обтекание потоком жидкости тела с двух сторон (рисунок 1.8.4, в). Здесь направление ветвления выше обтекаемого тела (область 1) направлено по течению жидкости, а ниже обтекаемого тела (область 2) — против течения жидкости.

Рисунок 1.8.4 – Примеры разветвлений
Рассмотрим два вида преобразования схем:
а) перемещение суммирующего узла через узел разветвления;
б) перемещение звена через узел.
Правила преобразования схем при каждом из этих видов перемещения существенно зависят от, того, совпадает ли направление перемещения с направлением ветвления или они противоположны.
Перемещение суммирующего узла через узел разветвления. Пусть направление перемещения суммирующего узла совпадает с направлением ветвления (рисунок 1.8.5, а). Тогда перемещение суммирующего узла за узел разветвления изменит сигнал в узле разветвления и, следовательно, изменит сигнал во всех остальных ветвях, отходящих от узла. Для того чтобы скомпенсировать это изменение, необходимо в отходящей ветви добавить такой же суммирующий узел, как и перемещаемый узел (рисунок 1.8.5, б).
Условие эквивалентности схем, показанных на рисунке 1.8.5 (а) и (б), определяется уравнением
(1.8.17)
справедливым для обеих схем.
Таким образом, можно сформулировать первое правило преобразования. При перемещении суммирующего узла через узел разветвления по направлению ветвления необходимо в отходящих от разветвления ветвях добавить такие же, как и перемещаемый узел, суммирующие узлы (рисунок 1.8.5, а и б).

Рисунок 1.8.5 – Перемещение суммирующего узла через узел разветвления
Если направление перемещения суммирующего узла противоположно направлению ветвления (рисунок 1.8.5, в), то условия преобразования несколько изменяются. В этом случае для компенсации влияния переноса узла необходимо не добавлять к ответвляемым величинам слагаемые в узле, а вычитать их (рисунок 1.8.5, г).
При этом для эквивалентности схем (в) и (г) и сохранения значений величин, подводимых к схеме и отводимых от нее, необходимо, чтобы от величины, отводимой от узла разветвления, отнималась такая же величина (x2), как и та, которая была добавлена в перенесенном суммирующем узле.
Второе правило преобразования (для этого случая) формулируется следующим образом. При перемещении суммирующего узла через узел разветвления против направления ветвления необходимо в отходящих от разветвления ветвях добавить суммирующие узлы, отличающиеся от перемещаемого знаками прибавляемых величин (рисунок 1.8.5, в и г).
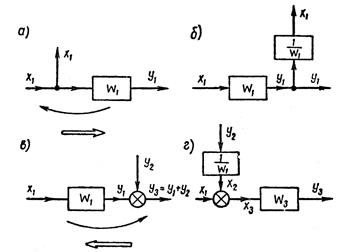
Перемещение звена через узел. При перемещении звена через узел также определяющее значение имеет направление ветвления. Рассмотрим перемещение звена по направлению ветвления. Если перемещение звена W1 производится через узел разветвления величины y1 (рисунок 1.8.6, а), то условием сохранения значений величин, отводимых от схемы, является выполнение условия
(1.8.18)
Очевидно, что для соблюдения этого условия необходимо во всех отходящих от узла ветвях добавить звено с передаточной функцией W1. Из рассмотрения схем (а) и (б), показанных на рисунке 1.8.6, видно, что они эквивалентны по отношению к внешним соединениям.

Рисунок 1.8.6 – Перемещение звена через узел по направлению ветвления
Если перемещение звена производится через суммирующий узел по направлению ветвления, то можно прийти к аналогичным выводам. В этом случае уравнение
(1.8.19)
выполняется, если во всех ветвях, отходящих от узла, добавляются звенья с передаточной функцией W1. Условие эквивалентности таких схем иллюстрируется схемами (в) и (г), показанными на рисунке 1.8.6.
Третье правило преобразования формулируется так. При перемещении звена через узел по направлению ветвления необходимо в подсоединенные к узлу ветви добавить звенья с передаточной функцией перемещаемого звена (рисунок 1.8.6).
Если направление перемещения звена противоположно направлению ветвления, то условия преобразования изменяются. В этом случае для компенсации влияния звена, перенесенного в общую ветвь (на сигналы в отходящих от узла ветвях), необходимо в эти ветви включить звенья с обратными передаточными функциями.
Условие эквивалентности вытекает из уравнения (1.8.18) для перемещения звена через узел разветвления (рисунок 1.8.7, а и б) и из уравнения (1.8.19) для перемещения звена через суммирующий узел (рисунок 1.8.7, в и г).

Рисунок 1.8.7 – Перемещение звена через узел против направления ветвления
Четвертое правило преобразования может быть сформулировано так. При перемещении звена через узел против направления ветвления необходимо в подсоединенные к узлу ветви добавить звенья с передаточной функцией, обратной передаточной функции перемещаемого звена (см. рисунок 1.8.7).
Применение четырех приведенных правил дает возможность производить самые различные преобразования структурных схем. При этом следует иметь в виду, что перемещение звена или узла из одной ветви в другую может производиться только при согласных направлениях передачи сигнала в этих ветвях.
Раздел 2. Исследование устойчивости линейных систем
автоматического управления. Качество процессов управления
Дата добавления: 2015-08-21; просмотров: 1371;
