Техническая характеристика электромеханического пресса Cs-311
Производительность, цикл/смена…………………………………………….. 600
Усилие прессования, Н………………………………………………………….. 20000
Температура гладильной поверхности, °С………………………………… 80...250
Давление пара, МПа ……………………………………………………………. 0,4
Мощность, кВт…………………………………………………………………. 7,1
Наибольшая толщина
прессуемых деталей, мм……………………………………………………….. 12
Масса без подушки, кг…………………………………………………………. 500
Размеры, мм……………………………………………………………… 1265 x 1200x 1450
Изделие или полуфабрикат укладывается на нижнюю подушку (7). При одновременном нажатии оператором двух кнопок включения верхняя подушка (2) опускается, и происходит прессование материала изделия. Материал изделия через подушку пропаривается, а затем осуществляется отсос влаги и сушка изделия. По окончании цикла прессования верхняя подушка поднимается, и изделие снимается с подушки. Время выполнения каждого этапа обработки изделия устанавливается автоматически.
В прессе установлены механизм опускания и подъема верхней подушки, система пароснабжения, отсоса влаги и электрооборудование.
Механизм подъема и опускания верхней подушки обеспечивает перемещение верхней подушки и представляет собой шарнирный механизм с приводом от электродвигателя (19) через клиноременную передачу (шкивы (13), (15) и ремень (14)) и червячный редуктор (21).
Ведомый шкив (15) клиноременной передачи установлен на ведущем валу 18 редуктора (21). На этом же валу закреплен червя (20) редуктора, который передает вращение колесу (22) редуктора (21), Колесо закреплено на ведомом валу (23), на котором установлен кривошип (17), шарнирно соединенный со сдвоенным шатуном (16). Шатун (16) соединен с нижним рычагом (8), верхний конец которого соединен через звено (7) с нижней частью главного рычага Рычаг (8) через ползун (12) соединен с рычагом-кулисой (11), который при работе пресса поочередно воздействует на концевые выключатели (9) и (10).
Главный рычаг 6 шарнирно соединен с рычагом (3), на котором закреплена верхняя подушка (2). На рычаге (6) установлен регулятор давления (5).
При включении электродвигателя (19) червячное колесо (22) поворачивается по часовой стрелке на угол примерно 100° и через кривошип (17) и шатун (16) поворачивается рычаг (8). Через звено (7) рычаг (8) поворачивает главный рычаг 6 на оси (4). Верхняя подушка (2) опускается, а нижний рычаг (8) и звено (7) устанавливаются в одну линию. Нижний рычаг (8) также поворачивает рычаг-кулису (17), которая воздействует на концевой выключатель (10) и отключает электродвигатель (19).
По окончании времени прессования электродвигатель (19) автоматически включается, и его вал начинает вращаться в обратном направлении. Червячное колесо (22) поворачивается против часовой стрелки и через механизм поднимает верхнюю подушку. При повороте в обратном направлении рычаг-кулиса (77) по окончании подъема подушки воздействует на концевые выключатели (9) и отключает электродвигатель (19).
Регулятор давления (5) обеспечивает изменение усилия прессования в зависимости от вида и толщины прессуемой ткани.
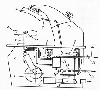
Для обогревания нижней подушки (4) используется пар, из централизованной сети (10) через вентиль (11) в резервуар (12). По трубопроводу (5) из резервуара (12) пар подается в нижнюю подушку (4) а конденсат возвращается по трубопроводу (3) в резервуар (12). Часть пара из резервуара (12) через электромагнитный клапан (6) и паропровод (7) попадает в верхнюю подушку (8) пресса; через отверстия в подушке осуществляется пропаривание изделия.
Удаление пара и влаги из нижней подушки (4) осуществляется через трубопровод (2) с помощью вентилятора (1) и далее через трубопровод (17) в водоприемник (15). Вода из водоприемника откачивается насосом (9) в сливной трубопровод (14). В сливной трубопровод (14) через фильтр (16) и возвратный клапан (13) удаляется конденсат из резервуара (12). Насос (9) включается в работу концевым выключателем (9) при подъеме верхней подушки.
Температура нагревания нижней подушки регулируется электронагревательными элементами, расположенными в ней. Для управления и регулирования режимами обработки в прессе установлены реле времени, управляющее реле, переключатели и др.
Дата добавления: 2015-08-14; просмотров: 2384;
