Организация ОЗУ.
Физически ОЗУ состоит из 3х блоков:
1) ПП-матрицы ячеек памяти;
2) дешифратора адреса ячейки;
3) схемы (блока) управления.

Дешифрация адреса выбранной по программе ячейки ОЗУ осуществляется с помощью регистра адреса и 2х декодеров (дешифраторов), определяющих номер строки и номер столбца, на пересечении которых находится нужная ячейка. Распределение адресов происходит следующим образом: старшие байты адреса А12-А15 идут на контроллер памяти, который выдает сигнал выбор модуля CS на выбор соответствующей ИС памяти ПЛМ1, ПЛМ2, … Нумерация адресов в каждой логической матрице одинаковая, информация считывается из ячейки памяти той матрицы, которая получила сигнал выбор модуля – CS. Остальные разряды адреса А0-А11 распределяются между декодерами строк и столбцов – это процесс адресации нужной ячейки памяти.
Процесс считывания или записи данных в ячейку памяти осуществляется с помощью схемы управления каждой ячейки.

Таблица состояний:
| BM(CS) | ЧТ/ЗП | Состояние |
| Чтение из ячейки | ||
| Запись | ||
| Память | ||
По поступлении CS высокого уровня, ЛЭ1 (И) срабатывает, возбуждает ЛЭ2, который также срабатывает, результирующий сигнал 1 поступает на один из входов ЛЭ4. Сигнал на втором входе ЛЭ4 зависит от выполняемой операции – чтение/запись. При записи информации в ОЗУ: на входе ЛЭ4 – 1, его схема срабатывает и подает STB-сигнал на D-триггер. В результате данные разряда А0 записываются в триггер. При чтении ячейки ОЗУ: на вход ЛЭ4 поступает 0, 1, на выходе его 0 и триггер не включается (нет STB), зато ЛЭ5 выдает сигнал 0, разрешающий инициализацию формирующую вывод данных из триггера на шину данных.
ПЗУ.
ПЗУ предназначено для постоянного хранения программ и данных. Достоинства перед ОЗУ:
1) меньше потребление мощности;
2) энергонезависимость;
3) хранение большего объема информации.
Классификация в зависимости от способа занесения информации в ПЗУ:
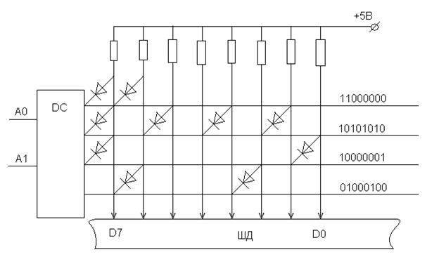
а) стандартные (масочные) ПЗУ. Запись информации в эти ИС производится на заводе изготовителе с помощью шаблонов-масок, т. к. изготовление шаблонов – дорогостоящий процесс, то экономически выгодно применять масочные ПЗУ только в массовом производстве. Примером масочной ПЗУ может служить:

Запись 1/0 – установление связи между шиной адреса и шиной данных. 1 – наличие тока между шиной адреса и шиной данных.
Потребитель не имеет возможности изменить информацию.
б) перепрограммируемые (ППЗУ) - схемы памяти, допускающие однократное перепрограммирование по желанию заказчика – 1 раз: схемы ПЗУ с пережигаемыми перемычками.
Завод-изготовитель выпускает ИС в которой, в каждой ячейке памяти – 1.

Пережигание перемычек осуществляется импульсами напряжения 10-12 В, и длительностью 100 мс. Эта операция выполняется на специальном программаторе.
в) многократно перепрограммируемые (СППЗУ – стираемые ППЗУ). Эти схемы допускают многократное стирание и запись информации. Стирание выполняется с помощью УФ-излучения через специальное кварцевое окно в ИС с расстояния 10 см в течение 20 мин. Запись осуществляется путем подачи импульсов определенной длительности.
г) электрически перепрограммируемые ПЗУ (ЭППЗУ) допускают многократное стирание и запись информации электрическими импульсами определенной длительности, в течение нескольких мс. Дорогая стоимость обьясняется требованием большого расстояния между соседними ячейками памяти, во избежание их повреждения во время записи/стирания информации.
Организация ПЗУ такая же как у ОЗУ, только легче, т. к. нет сигнала «запись».
Дата добавления: 2015-08-08; просмотров: 1211;
