Регистры. Регистр – последовательностная ИС, предназначенная для записи, временного хранения и выдачи цифровой информации и выполнения сдвиговых операций.
Регистр – последовательностная ИС, предназначенная для записи, временного хранения и выдачи цифровой информации и выполнения сдвиговых операций.
УГО параллельного регистра однофазного по входу и выходу:

Выполняемые операции:
· Запись информации;
· Чтение информации;
· Хранение информации;
· Сдвиг вправо/влево;
· Отчистка.
Все регистры синхронные, т.е. запись и выдача информации производится по сигналу синхронизации на входе CLOCK.
Физическое исполнение:
Физически регистр представляет собой определенным образом соединенный набор триггеров, причем в качестве триггеров применяются RS-, D-, JK-триггеры, но чаще D- триггеры.
D0-D7 – информационные входы;
С – вход синхронизации (разрешение работы);
R/W – чтение/запись информации;
Е – очистка.
Классификация регистров.
- По способу приема и выдачи информации:
1.1. параллельные;
1.2. последовательные;
1.3. универсальные.
- По виду сигналов на входе и выходе (прямые, инверсные):
2.1. парофазные, когда входной и выходной сигнал прямой и инверсный;
2.2. однофазные, когда входной и выходной сигнал либо прямой, либо инверсный.
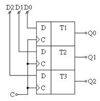
Последовательностный трехразрядный регистр на динамических D-триггерах.

Представлена внутренняя структурная схема последовательностного регистра, однофазного по входу ипарафазного по выходу.
УГО:

| С | D | Q2 | Q1 | Q0 |
| 0->1 | X=1 | |||
| 0->1 | X=0 | |||
| 0->1 | X=1 |
Таблица истинности:
При последовательном вводе информации на вход D вводимое слово данных появляется на выходе в параллельном коде, в данном случае, на третьем такте, а в общем случае, такт определяется разрядностью вводимого слова.
Пример: КР155ИР13
Параллельный трехразрядный регистр на динамических D-триггерах.

УГО:

Параллельный код на входе передается в параллельный код на выходе.
Пример: КР155ИР15
Универсальный регистр.

Данный регистр выполняет следующие операции:
· Если V=1, то схема работает как последовательностный регистр, тогда информация со входа D переписывается на выходы Q0-Q3 при всяком спаде С1 с 1 на 0;
· Если V=0, то схема работает как параллельный регистр, тогда информация со входов D0-D3 переписывается на выходы Q0-Q3 при всяком спаде С2 с 1 на 0.
Пример: КР155ИР1
Область применения:
· Для временного хранения информации во внутренних регистрах МП – сверхоперативная память;
· Как промежуточная область памяти между ЗУ и другими устройствами МП-системы (между шинами, портами вода/вывода).
Тристабильные драйверы.
Принцип действия тристабильного драйвера совпадает с принципом действия ЛЭ «Запрет».
УГО:

| E | A | Q | Состояние |
| 1, 0 | - | 3ье состояние высокого импеданса/сопротивления/х.х | |
| Активизация | |||
| Сброс |
Таблица истинности (для нижней схемы):
Главным в работе тристабильного драйвера является разрешающий работу вход Е (ENABLE). Если на входе Е сигнал соответствующего уровня (в данном случае 0), то схема разрешает передачу информации со входа на выход к устройству, которое подключено к драйверу. Если на входе Е сигнал высокого уровня «1», то схема находится в 3ем состоянии с высоким выходным сопротивлением, иначе говоря, работает в режиме х.х., т.е. отключена от устройства, которому необходимо передать информацию.
Область применения: в шинных формирователях, через которые все устройства МП-системы подключаются к системным шинам. Тот формирователь, который получил сигнал Е, будет общаться с ним через шину.
Схемное решение:
Строится на основе базового элемента ТТЛ-логики - И-НЕ, который дополняется вентилями, обеспечивающими подачу сигнала Е. Базовый элемент представляет собой инвертор, но т.к. транзистор VT1 многоэмиттерный, т.е. состояние выхода Q зависит от состояния входов D0-D7, то схема называется И-НЕ.

Добавление диода VD2, подключение его к точке А и соединение с одним из эмиттеров VT1 позволяет или запрещает работу схемы в зависимости от сигнала на входе Е. Сигнал «1» на входе Е приводит к открытию VT2 и VT4, сигнал на выходе – «0». Сигнал «0» на входе Е (даже если D1, D0=0), то работа схемы разрешена и зависит от сигналов на входах D0-D7.
Дата добавления: 2015-08-08; просмотров: 1564;
