Счетчики импульсов. Счетчик – последовательностное цифровое устройство, предназначенное для счета входных сигналов.
Счетчик – последовательностное цифровое устройство, предназначенное для счета входных сигналов.
Классификация.
1. По направлению счета различных суммирований, которыми каждый входной сигнал вызывает инкремент выходного сигнала:
1.1. Вычитающий уменьшение выходного сигнала – декремент;
1.2. Реверсный, осуществляющий либо инкремент, либо декремент, в зависимости от содержания строб-сигнала.
2. По организации межразрядных связей:
2.1. с последовательным переносом информации между разрядами;
2.2. с параллельным переносом информации между разрядами.
3. В зависимости от коэффициента пересчета (модуль счетчика):
3.1. двоичные à
, где k – число разрядов;
3.2. ДДК à
, где k – любое.
Физическое осуществление счетчиков.
Счетчики выполняются на триггерах, количество которых является разрядностью передаваемой информации. Триггеры соединены последовательно (прямо или инверсно) со счетным входным последующим переносом.
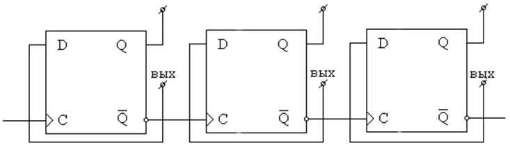
З-ех разрядный суммирующий счетчик с последовательным переносом.

В D-триггере информация со входа D подается на прямой выход. При последовательном переносе осуществляется последовательное срабатывание триггеров. В данном случае D-триггеры прямые динамические, срабатывание осуществляется на входе счетного импульса.
Таблица истинности.
| С | Т1 | Т2 | Т3 | Выходное двоичное слово | Десятичный эквивалент | |||
| Q1 |
| Q2 |
| Q3 |
| |||
| Исходное состояние | ||||||||
| 1ый импульс 0à1 | ||||||||
| 2ой импульс 0à1 | ||||||||
| 3ий импульс 0à1 | ||||||||
| 4ый импульс 0à1 | ||||||||
| 5ый импульс 0à1 | ||||||||
| 6ой импульс 0à1 | ||||||||
| 7ой импульс 0à1 | ||||||||
| 8ой импульс 0à1 |
Основные параметры счетчиков.
1. Модуль счета/коэффициент пересчета – количество импульсов, поступающих на вход, после которых внутренняя схема приходит в исходное состояние.
Модуль – отношение числа импульсов на входе схемы к числу импульсов на выходе старшего разряда.

2. tср (tсрабатывания) – время между поступлением строб-сигнала на С-вход и установлением выходного сигнала в старшем разряде.
, где n- число разрядов.
Более выгодным является счетчик с параллельным переносом информации, в котором срабатывание всех триггеров происходит одновременно при поступлении строб-сигналов на все входы.
Составим временную диаграмму работы счетчика.

Вычитающий счетчик.
1. Выходной сигнал снимается прямо с инверсного выхода.
2. На счетный вход подают вход прямого выхода.

В вычитающем счетчике на счетный вход последующего триггера сигнал поступает с прямого выхода предыдущего триггера.
При значении
необходимо сбросить счетчик в исходное состояние после поступления заданного количества входных импульсов. Например, пусть заданное
. Операция осуществляется с помощью добавочных элементов и с использованием триггеров с установочными входами. Установочные входы RS имеют приоритетное действие: при поступлении на них сигналов счетчик сбрасывается в исходное состояние.

Дата добавления: 2015-08-08; просмотров: 1480;
