Триггеры. Триггер – ИС, имеющая два состояния устойчивого равновесия, способная скачком переходить из одного устойчивого состояния в другое под действием внешнего
Триггер – ИС, имеющая два состояния устойчивого равновесия, способная скачком переходить из одного устойчивого состояния в другое под действием внешнего управляющего сигнала.
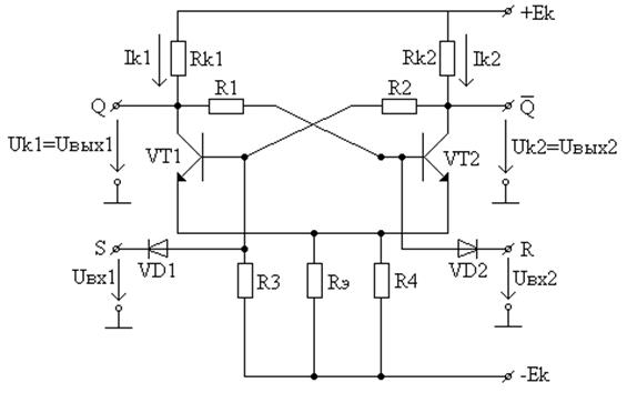
Схемное решение триггеров.

УГО:

Принцип действия:
В основе лежит уравнение Кирхгофа: Uвых=Ек-IкRк. В силу невзаимозаменяемости биполярных транзисторов всегда оказывается, что один из транзисторов открыт чуть больше другого.
Если VT1 открыт больше VT2, то Iк1> Iк2, т.е.
.
Процесс идет скачком, пока VT1 полностью открыт, а VT2 полностью закрыт. Это первое условие равновесия триггера. Его внутренняя схема представляет собой 2ух-каскадный УПТ с перекрестными 100%-ными положительными обратными связями R1 и R2. Описанное состояние триггер способен сохранять сколь угодно долгое время, пока на его входы не поступит управляющий сигнал (отрицательный внешний импульс). При поступлении отрицательного импульса на вход SET-установка VT1 скачком закроется, а VT2 откроется, в результате,
. Если подать отрицательный сигнал на вход закрытого транзистора, то его состояние не изменится (на вход RESET-сброс).
Постулат триггера состоит в следующем: на одном выходе триггера должна быть единица, на другом – 0, и наоборот.

Если объединить входы SET и RESET, и подавать входные импульсы сразу на оба входа, то триггер будет изменять свое выходное состояние при поступлении каждого входного импульса. Такой триггер назвали Т-триггером или счетным триггером.

Классификация триггеров.
1. По времени срабатывания:
1.1. Асинхронные триггеры, которые срабатывают в любой момент времени при появлении информации одновременно на обоих информационных входах S и R.

1.2. Синхронные триггеры, которые срабатывают при поступлении строб-сигналов.

1.2.1. Статические триггеры, которые срабатывают при определенном уровне строб-сигнала.
1.2.1.1. Однотактные триггеры.
1.2.1.2. 2ух-тактные триггеры.

1.2.2. Динамические триггеры, которые срабатывают на фронте или на срезе строб-сигнала.

2. По функциональному назначению:
2.1. RS-триггеры;
2.2. D-триггеры;
2.3. счетные Т-триггеры;
2.4. JK-триггеры или универсальные триггеры.
Асинхронные RS-триггеры.
Асинхронные RS-триггеры выполняются или на элементах «ИЛИ-НЕ» или на элементах «И-НЕ», причем во внутренней логической схеме триггера должны присутствовать по 2 логических элемента, охваченных 100%-ми перекрестными обратными связями.
1. ИЛИ-НЕ.
Структурно-логическая схема:

УГО:

Срабатывает при сигналах высокого уровня. Асинхронный RS-триггер имеет 2 информационных входа (set, reset), и 2 выхода (Q,
).
Таблица истинности:
| R | S |
|
|
|
| СОСТОЯНИЕ |
| Исходное состояние | ||||||
| Активизация (установка единицы) | ||||||
| Сброс (установка нуля) | ||||||
| Память (предыдущее состояние) | ||||||
| Неустойчивое состояние |
Триггер фактически двухтактный, т.к. в момент времени t – информация записывается в триггер, а в момент времени t+1 – переносится на выходы.
Наличие еа выходе триггера активных сигналов для схемы ИЛИ-НЕ, триггер находится в неустойчивом состоянии, поэтому такая комбинация входных сигналов называется запрещенной.
2. И-НЕ.
Структурно-логическая схема:

УГО:

Срабатывает при сигналах низкого уровня.
Таблица истинности:
|
|
|
|
|
| CОСТОЯНИЕ |
| Исходное состояние | ||||||
| Активизация | ||||||
| Сброс | ||||||
| Память | ||||||
| Неустойчивое состояние |
0,0 – недопустимая комбинация входных сигналов, для триггеров на элементах ИЛИ-НЕ.
Синхронные RS-триггеры.
1. ИЛИ-НЕ.
Структурно-логическая схема:

УГО:

Таблица состояний:
| C | R | S |
|
|
|
| СОСТОЯНИЕ |
| Исходное состояние | |||||||
| Память | |||||||
| Активизация | |||||||
| Сброс | |||||||
| Неустойчивое состояние |
2. И-НЕ.
Структурно-логическая схема:

УГО:

Таблица состояний:
К недостаткам асинхронных и синхронных RS-триггеров относят:
1) наличие запрещенных комбинаций входных сигналов;
2) необходимость подачи сразу двух сигналов: на вход set и на вход reset.
Область применения: только в качестве элементов в ячейках памяти.
Счетные триггеры или Т-триггеры {T - такт}.
Структурно-логическая схема:

УГО:

Таблица состояний:
| T |
|
|
|
| СОСТОЯНИЕ |
| Исходное состояние | |||||
| Память | |||||
| Первый импульс | |||||
| Второй импульс |
Счетный триггер меняет состояние своих выходов, при поступлении каждого нового сигнала на вход.
D-триггеры {D – delay – защелка, задержка}.
Структурно-логическая схема:

УГО:

В D-триггере имеется один информационный вход и 1 вход синхронизации (разрешения, стробирования). Одновременная подача на вход S и R противоположных по знаку сигнала, за счет внутреннего инвертирования сигнала D, с помощбю элемента НЕ.
Таблица истинности:
Универсальный JK-триггер{JK – jump keep}.
Структурно-логическая схема:

УГО:

Таблица состояний:
| С | J | R | Q |
| СОСТОЯНИЕ |
| Исходное состояние | |||||
| Режим счета (1 импульс) | |||||
| Режим счета |
Для организации режима счета, на входы J и K подаются одинаковые сигналы логической единицы.
Если на С единица, а на J – 1, K – 0, или J – 0, K – 1, то режим данных, причем, если на выходе:
Q – 1,
- 0 – активизация;
Q – 0,
-1 – сброс.
Триггер называется универсальным, потому что, если все 3 входа соединить, то получаем режим счетчика; если на J подать сигнал от D, а на К, через инвертор, то получаем D-триггер.

Область применения: счетные триггеры применяются для счета команд в МП-системах, для счета адресов, для счета циклов выполняемых команд; D-триггеры применяют в различных регистрах, схемах памяти, при записи и считывании информации.
Дата добавления: 2015-08-08; просмотров: 1172;
