Мультиплексоры и демультиплексоры.
Мультиплексором называется комбинационная ИС, в которой параллельный двоичный входной сигнал преобразуется в последовательный выходной, причем номер входа, с которого информация передается на выход, определяется содержанием адресных входов.
УГО:

Таблица истинности:
| Е | А1 | А2 | D3 | D2 | D1 | D0 | Q |
| X | |||||||
| X | X | X | D0 | D0 | |||
| X | X | D1 | X | D1 | |||
| X | D2 | X | X | D2 | |||
| D3 | X | X | X | D3 |

ФАЛ:
Структурно-логическая схема:

Область применения: применяют при опросе некоторого количества входных датчиков и приведения в действие по результатам опроса одного исполнительного устройства.
Например: К155КП1
К513КП18
К555КП17.
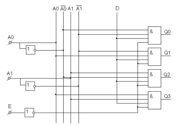
Демультиплексором называют комбинационную ИС, в которой информация в последовательном коде на входе преобразуется в параллельный код на выходе, причем номер выхода, на который передается информация с входа, определяется содержанием адресных входов.
УГО:

Таблица истинности:
| E | A1 | A0 | D | Q3 | Q2 | Q1 | Q0 |
| 1/0 | X | X | X | X | |||
| D | X | X | X | D | |||
| D | X | X | D | X | |||
| D | X | D | X | X | |||
| D | D | X | X | X |
ФАЛ:
Структурно-логическая схема:

Область применения:по результатам опроса одного сложного входного устройства выдаются сигналы на разные исполнительные устройства.Например, при термостатировании помещения; при повышении температуры включить кондиционер, при снижении температуры включить отопление.
Например: К155ИД3
К531ИД7
Дата добавления: 2015-08-08; просмотров: 1178;
