Мультиплексоры. Мультиплексор, это КЛУ, предназначенное для управляемой передачи данных от нескольких источников в один канал
Мультиплексор, это КЛУ, предназначенное для управляемой передачи данных от нескольких источников в один канал. То есть с помощью мультиплексора можно передавать информацию от нескольких, разнесенных в пространстве устройств, к одному приемнику. Например отслеживание работы автоматической линии.
По определению мультиплексор имеет один выход и две группы входов – информационные и адресные. Информационные входы предназначены для передачи информации от входа к выходу, адресные задают адрес информационного входа с которого будет передаваться информация на выход. Адрес задается n-разрядным двоичным кодом, следовательно соотношение адресных и информационных входов соответственно n и 2n. Обычно на всех комбинационных схемах есть дополнительный инверсный вход – вход разрешения. Если на него подан активный логический уровень, то выходной сигнал не зависит от входных и постоянен.
Рассмотрим работу мультиплексора с тремя адресными – А, и соответственно 8-ю информационными – Д входами. Одним разрешающим входом
и двумя выходами прямым и инверсным Q и
. Для чего нарисуем таблицу истинности.
| № | А2 | А1 | А0 |
| Q |
|
| х | x | x | x | |||
| D0 |
| |||||
| D1 |
| |||||
| D2 |
| |||||
| D3 |
| |||||
| D4 |
| |||||
| D5 |
| |||||
| D6 |
| |||||
| D7 |
|
То есть, если посмотреть на порядковый номер строки, то можно заметить, что номер строки соответствует номеру на выходе. ФАЛ данного мультиплексора:

Условное обозначение, записывается как мультиплексор «3х8», то есть 3 адресных и 8 информационных входов или «4х16» 4 адресных и 16 информационных входов.
Условное обозначение:
D1, D2, …, D7 – информационные входы
A, B, C – адресные
G’ – заземление
Y – прямой выход
W – инверсный выход
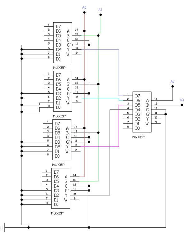
Промышленность выпускает мультиплексоры с количеством входов не 16. Чтоб увеличить количество входов строят мультиплексорное дерево. Рассмотрим построение дерева с 16 входами на примере четырех мультиплексоров 3х8, лишние входы занулены.
Мультиплексорное дерево состоит из мультиплексоров первого и второго уровня, мультиплексоры первого уровня определяют количество входов, мультиплексор второго уровня выводит информацию с заданного входа.
Мультиплексорное дерево имитируем мультиплексор 4х16, то есть кодовое слово содержит 4 символа, предположим оно равно 1011, то есть А0=1, А1=1, А2=0, А3=1. Соответственно на вход мультиплексора второго уровня будет поступать сигнал с входов Х3, Х7, Х11, Х15. И на мультиплексоре второго уровня следовательно выводится сигнал с входа Х11.

Дата добавления: 2015-08-14; просмотров: 1948;
