Апериодическое звено первого порядка
Апериодическим звеном первого порядка называется звено, величина которого после подачи на его вход воздействия изменяется монотонно достигая некоторого установившегося значения.
Дифференциальное уравнение такого звена может быть записано в следующем виде:
()
алгебраическое выражение будет иметь следующий вид:
()
где
- коэффициент передачи;
- постоянная времени звена
Апериодическое звено первого порядка наиболее распространено в процессах, как сельского хозяйства, так и в промышленности.
Примеры апериодических звеньев первого порядка:
Пример № 1: нагрев тела (среды)

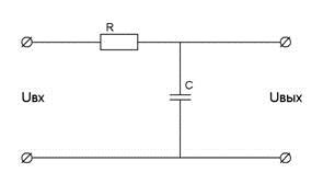
Пример № 2:электрическая RС- цепь

Передаточная функция:
()
Решение исходного дифференциального уравнения при не нулевых начальных условиях:
()
Переходная функция:
()
Функция веса:
()
Временные характеристики:
1)
Переходная 2) Переходная импульсная
Рис.1.17. ………………………………………………………….
Аналитические выражения частотных характеристик апериодического звена первого порядка:
()
()
Вид частотных характеристик:
АФЧХ
Рис.1.17. ………………………………………………………….
АЧХ
Рис.1.17. ………………………………………………………….
ФЧХ
Рис.1.17. ………………………………………………………….
Логарифмические характеристики:
()
Асимптотическая ЛАЧХ:
()

Рис.1.17. ………………………………………………………….
Дата добавления: 2015-07-14; просмотров: 2050;
