Основные положения военно-строительного производства 4 страница
Рис. .. Защита выемок от грунтовых вод
Открытый водоотлив организуют при незначительном притоке воды в котлован или траншею, дно которой находится ниже уровня грунтовых вод (УГВ). Для этого по периметру котлована или по дну траншеи устраивают открытую водоотводную канаву с уклоном 0,001…0,002 в сторону водосборного приямка (зумпфа). Вместимость зумпфа должна быть не менее пятиминутного притока к нему воды (рис. 4.8).
Откачивают воду из зумпфа с помощью центробежных или погружных насосов производительностью 10…200 м3/ч. Центробежный насос рекомендуется устанавливать в котловане непосредственно у горизонта воды. Насосы оборудуют автоматической системой включения. Напорный трубопровод насоса выводят на рельеф так, чтобы откачиваемая вода не попадала обратно в котлован.
Дренаж (рис. 4.9) выполняют путем создания открытых или закрытых дренажных канав шириной 0,8…1,5 м, дно которых выполняют с уклоном 0,005…0,05 и располагают не ниже 0,5 м от уровня грунтовых вод. В нижней части закрытых дренажных канав укладывают гравий или щебень размером до 50 мм, выше – песок. При большом водопритоке по низу дренажной канавы укладывают перфорированные дренажные трубы.
Рис. .. Устройство открытого водоотлива:
1 – водоотводная канава; 2 – приямок – зумпф; 3 – всасывающий патрубок; 4 – насос;
5 – водоотводный патрубок
| |
| а) | |
| |
| б) | в) |
|
Рис. .. Устройство дренажа:
а – план; б – закрытый щебеночный дренаж; в – трубчатый дренаж; 1 – дренаж; 2 – колодец; 3 – котлован; 4 – песок; 5 – щебень фракции 20…40 мм; 6 – перфорированная труба
Водопонижение (искусственное понижение уровня подземных вод) проводят при разработке, как правило, песчаных и супесчаных грунтов. Сущность метода основывается на том, что при откачке подземных вод, поступающих в скважину, котлован, подземную выработку, поверхность воды в грунте приобретает воронкообразную форму, понижаясь при этом с уклоном к месту откачки.
Воронкообразная (пониженная) поверхность подземных вод называется депрессионной поверхностью, а осушенное пространство между первоначальной (непониженной) поверхностью подземного потока и депрессионной поверхностью – депрессионной воронкой.
Для водопонижения применяют: легкие иглофильтровые установки (ЛИУ) – глубина понижения до 7,5 м при одноярусной схеме и 10...12 м – при двухъярусной, производительность от 40 до 150 м3/ч; эжекторные иглофильтры с глубиной понижения до 20 м; водопонижающие скважины, оборудованные скважинными насосами с глубиной понижения уровня подземных вод более 20 м.
Расчетное время понижения уровня подземных вод до проектного значения (депрессионной кривой) составляет 1...1,5 сут.
Иглофильтровый способ водопонижения заключается в использовании для забора воды из грунта часто расположенных скважин с трубчатыми водоприемниками малого диаметра (рис. 4.10), соединенных общим всасывающим (в случае легких иглофильтров) или напорным (в случае эжекторных иглофильтров) коллектором с центральной (для группы иглофильтров) насосной установкой.
Иглофильтры чаще всего погружаются гидравлическим способом. При этом образуется скважина, диаметр которой значительно больше диаметра иглофильтра. Зазор в скважине между грунтом и иглофильтром, как правило, следует заполнять песчано-гравийной обсыпкой. При наличии в толще грунта, прорезаемого иглофильтрами, трудноразмываемых слоев иглофильтры устанавливаются в предварительно пробуренные скважины. Извлечение иглофильтров производится с подмывом для уменьшения сил трения по боковой поверхности иглы.
Длина иглофильтров установок должна быть подобрана так, чтобы фильтровое звено было расположено на предусмотренной проектом отметке. При сборке должна быть обеспечена герметичность соединений звеньев труб. Перед погружением иглофильтра в грунт проверяется исправность соединений, наличие шарового клапана и целостность фильтровой сетки.
Эжекторные иглофильтры (ЭИ) применяются для водопонижения на глубину 15…20 м. Они устанавливаются на расстоянии 5…10 м друг от друга и снабжаются вакуум-насосом и водосбросным коллектором. Особенностью ЭИ является наличие двух труб: наружной (как и в ЛИУ) и внутренней с эжекторным устройством. При прокачке воды через эжекторное устройство создается разряжение, что способствует подсасыванию грунтовой воды из внутренней трубы ЭИ (рис. 4.11).
| а) |
| Рис. .. Понижение уровня грунтовых вод одноярусной иглофильтровой установкой: а – план; б – размещение ЛИУ при двухъярусном способе разработки котлована; 1 – напорный трубопровод; 2 – насосная установка ЛИУ; 3, 6 – соединительные патрубки (шланги); 4 – всасывающий коллектор; 5 – приемная труба; 7 – фильтровая часть иглофильтра; 8 – кривая воронки депрессии |
| б) |
|
Глинистые и суглинистые грунты осушают иглофильтрами, используя явление электроосмоса. Для этого по контуру котлована на удалении 0,8 м от линий иглофильтров в грунт погружают дополнительные трубы, на иглофильтры (катоды) подают отрицательное напряжение, на дополнительные трубы (аноды) – положительное с разностью потенциалов до 60 В. Электрическое поле между анодами и катодами препятствует притоку подземных вод, котлован разрабатывается как бы «насухо». Ориентировочное время снижения депрессионной кривой до расчетной отметки после включения системы в цепь – трое суток (рис. 4.12).
Водозащитные экраны между сооружением и окружающим массивом грунта применяют при устройстве выемок в водонасыщенных грунтах в условиях существующей застройки. Этот метод более эффективен технологически и безопасен для окружающей среды, так как он не изменяет УГВ, тем самым сохраняя природные прочностные свойства грунтов.
Рис. .. Схема вакуумной установки:
а – вакуумная установка; б – схема действия эжекторного иглофильтра; 1 – центробежный насос низкого давления; 2 – циркуляционный резервуар; 3 – сборный лоток; 4 – напорный насос; 5 – напорный рукав; 6 – эжекторный иглофильтр; 7 – напорная вода; 8 – сопло; 9 – всасываемая вода; 10 – обратный
клапан; 11 – фильтровая сетка
|

Рис. .. Схема работы иглофильтровой установки с электроосмотическим водопонижением:
1 – электрический кабель; 2 – источник постоянного тока; 3 – магистральный трубопровод; 4 – иглофильтр (катод); 5 – металлический стержень (анод); 6, 7 – депрессионная кривая до и после включения электрической цепи соответственно; l1 – активная зона при двухрядном расположении анодов; l2 – зона обратного действия; l3 – активная зона при однорядном рас-
положении анодов
Наиболее распространенными способами устройства водозащитных экранов является замораживание грунта, закрепление инъецированием в грунт цементных, силикатных или полимерных растворов, устройство искусственных свайных ограждений.
· Строительные свойства грунтов. Определение объемов земляных работ
· Характеристика земляных сооружений и состав земляных работ
Земляные работы – это комплексный процесс переработки грунта при строительстве зданий и сооружений. Земляные работывключают следующие основные процессы: подготовку к разработке грунта, его разработку, перемещение, отсыпку, разравнивание, планировку, уплотнение и отделку поверхности.
В результате выполнения земляных работ получают земляные сооружения, которые по размерам, форме поперечных сечений и видам слагающих их грунтов должны быть выполнены в соответствии с нормативными требованиями (рис. 5.1).

Рис. .. Виды земляных сооружений
Земляные сооруженияустраиваютв виде выемок (их основной объем располагается ниже естественной поверхности грунта) и насыпей (основной объем поднимается выше естественной поверхности грунта). Насыпи выполняют из грунтов выемок или карьерного материала (рис. 5.2).
Выемки и насыпи бывают как постоянными, рассчитанными на длительный срок эксплуатации, так и временными, используемыми только в период строительства. Постоянные земляные сооружения проектирует проектная организация, а временные – подрядная организация, выполняющая земляные работы.
| Рис. 5.2. Вид насыпи и выемки |
|
|
| Рис. .. Виды выемок: а – котлован; б - траншея |
Различают следующие виды выемок:котлованы, траншеи, дорожные выемки (рис. 5.3).
Котлованы предназначены для устройства в них оснований и фундаментов зданий или сооружений в целом. У котлованов соотношение длины и ширины меньше 10. Площадь котлована составляет от одного квадратного метра до нескольких гектаров.
Котлован с площадью в плане по низу менее 1 м2 называют ямой.
Котлован, предназначенный для добычи недостающего для строительства грунта, называют резервом.
Котлован, предназначенный для добычи строительных материалов (песка, щебня, песчано-гравийной смеси), называют карьером.
Котлован сложной формы с большой площадью, образующийся при вертикальной планировке территории, называют планировочной выемкой.
Траншеи – протяженные выемки, которые служат для устройства в них ленточных фундаментов или монтажа инженерных сетей. Их длина более чем в 10 раз превышает ширину.
Канавы – неглубокие траншеи для отвода поверхностных и грунтовых вод.
Дорожные выемки – протяженные выемки, предназначенные для устройства земляного корыта под дорожные одежды.
К временным насыпям относятся отвалы, бурты, перемычки.
Отвалами называют насыпи для временного складирования грунта.
Бурты – это отвалы растительного грунта.
Перемычки – насыпи для ограждения от воды какого-либо участка на период строительства.
К постоянным насыпям относятся: планировочные насыпи, линейные насыпи (дорожные, гидротехнические, кавальеры), обратные засыпки траншей, пазух фундаментов и сооружений, обсыпки и обвалования сооружений (рис. 5.4).
а)
| д)
| |
б)
| ||
| в) г) |
| Рис. .. Виды насыпей: а – дорожная насыть; б – грунтовая плотина; в – обсыпка сооружения; г – обвалование; д – обратная засып- ка пазух фундамента |
| ||
Планировочные насыпи отличаются большой площадью и, как правило, небольшой высотой (до 2…3 м).
Линейные насыпи имеют большую протяженность. Их длина более чем в 10 раз превышает ширину и высоту. Они устраиваются при устройстве дорожных и гидротехнических сооружений.
Дорожные насыпи устраивают для устройства земляного полотна и дорожных одежд автомобильных и железных дорог.
Гидротехнические насыпи (плотины, дамбы) возводят для защиты от затопления прибрежной территории на длительный период.
Кавальер – это насыпь вдоль дороги, сооружаемая из вынутого грунта для защиты от заносов и поверхностных вод. Кавальером также называется земляной вал, образующийся при отрывке канавы или канала.
Обратные засыпки траншей и пазух фундаментов представляют собой линейные насыпи, которые выполняют после прокладки инженерных коммуникаций или устройства строительных конструкций.
Обсыпки и обвалования выполняют для защиты сооружений.
Земляные работы относят к наиболее трудоемким и тяжелым видам строительных работ. Их выполняют в основном комплексно механизированными способами, так как их трудоемкость в 100 и более раз меньше трудоемкости ручного труда.
Обычно на земляных работах действует комплект машин (рис. 5.5): первые рыхлят грунты, вторые разрабатывают и транспортируют, третьи планируют, четвертые уплотняют.

Рис. .. Типы машин для земляных работ
При проектировании и строительстве стремятся уменьшать объемы земляных работ за счет совершенствования конструкций земляных сооружений и применения специальных технологий их возведения, использования комплектов высокопроизводительных землеройных и землеройно-транспортных машин и навесного оборудования к ним.
· Строительные свойства грунтов. Временное крепление откосов выемок
Строительные свойства грунтов проявляются при выполнении земляных работ и влияют на устойчивость земляных сооружений, способы их возведения, трудоемкость и продолжительность земляных работ.
Грунтами называются породы, залегающие в верхних слоях земной коры и являющиеся объектом инженерно-хозяйственной деятельности человека. Грунты делятся на классы по общему характеру структурных связей (рис. 5.6):
· природные скальные — с жесткими структурными связями (кристаллизационными и цементационными);
· природные нескальные (дисперсные) — с водноколлоидными и механическими структурными связями;
· природные мерзлые — с криогенными структурными связями;
· техногенные — грунты с различными структурными связями, образованными в результате деятельности человека.

Рис. .. Строительная классификация грунтов
Скальные грунты состоят из различных монолитных и уплотненных горных пород.
Нескальные грунты состоят из грунтовых частиц различной крупности: гальки (200…20 мм), гравия (20…2 мм), песчаных (2…0,05 мм), пылеватых (0,05…0,005 мм) и глинистых (менее 0,005 мм) частиц. В зависимости от количества содержащихся в них частиц различают гравийно-галечные, песчаные, супесчаные, суглинистые и глинистые грунты.
Несвязными называют нескальные грунты, обладающие только силами сухого трения. Это разрыхленные скальные породы, гравийно-галечные и песчаные грунты.
Связные грунты характеризуются наличием сил сцепления между частицами. К таким грунтам относятся глины и суглинки. Промежуточное положение занимают так называемые малосвязные грунты (супеси). Наряду с силами трения они обладают слабо выраженными силами сцепления.
К грунтам, содержащим органические частицы, относят плодородный слой почвы, лёссы, илы, сапропели и торф. Для устройства земляных сооружений они не применяются.
Строительные свойства грунта зависят от величины грунтовых частиц, сил сцепления и внутреннего трения между ними, объемного веса и влажности грунта.
Различают следующие основные строительные свойства грунтов: несущая способность, трудоемкость разработки, трудоемкость бурения, плотность, влажность, коэффициент фильтрации, крутизна откосов, коэффициенты разрыхления.
Несущая способность талых грунтов зависит от степени их уплотнения и влажности. При влажности меньше естественной или равной ей (для песков до 10%, супесей до 15%, суглинков до 25% и глин до 35%) несущая способность грунтов оказывается достаточной для работы гусеничной землеройной техники.
Трудоемкость разработки определяется по ЕНиР (Нвр ) в зависимости от вида грунта и применяемых средств механизации. Грунты I и II групп (пески, супеси, суглинки) разрабатываются легко, труднее разрабатываются грунты III и IV групп (глины), а грунты V…VII групп разрабатывают после предварительного разрыхления (табл. 5.1).
Таблица 5.1
Группы основных видов грунтов по трудности их разработки
| Вид грунта | Плотность, т/м3 | Немерзлые | Мерзлые | ||||
| экскаваторы | скреперы | бульдозеры | грейферы | вручную | экскаваторы | ||
| Растительный | 1,2 | I | I | I | I | I | Iм |
| То же со щебнем | 1,4 | I | II | II | –— | II | Iм |
| Песок, лёсс мягкий | 1,6 | I | II | II | II | I | Iм |
| Супесь | 1,65 | I | II | II | II | I | Iм |
| То же с глиной (до 10%) | 1,85 | I | II | II | –— | I | Iм |
| Суглинок | 1,7 | I | I | I | I | I | IIм |
| То же со щебнем | 1,95 | III | –— | II | –— | III | IIм |
| Глина | 1,8 | II | II | II | II | II | IIIм |
| То же со щебнем | 1,95 | III | II | III | III | III | IIIм |
| Скальные породы | –— | VI | –— | –— | –— | VII | –— |
| Строительный мусор сцементированный | 1,9 | III | –— | III | –— | III | IIм |
Плотность – масса единицы объема грунта в естественном состоянии, т.е. в плотном теле.
Трудоемкость бурения зависит от крепости грунта и характеризуется коэффициентом крепости f. Крепость зависит от многих физико-механических свойств: твердости, вязкости, трещиноватости, хрупкости, упругости. Для скальных грунтов f =2…25, для нескальных – 0,3…1,5.
Влажность – отношение массы воды в грунте к массе твердых частиц грунта. В зависимости от влажности, различают грунты маловлажные (до 5 %), влажные(5…30 %) и водонасыщенные (более 30 %).Влажные и водонасыщенные грунтыобладают способностью прилипать к рабочим органам средств механизации. В связи с этим трудоемкость их разработки увеличивается на 12…30 %.
Коэффициент фильтрации характеризует скорость движения грунтовой воды (м/сут.). Более пористым грунтам соответствует больший коэффициент фильтрации: глина – 0; суглинок – менее 0,05; песок – 1…5; гравий – 50…150.
|
| Рис. .. Параметры откоса: a – заложение откоса; h – глубина выемки; – угла естественного откоса; m – коэффициент откоса |
Крутизна откоса – зависит от угла естественного откоса , при котором грунт находится в состоянии предельного равновесия (рис. 5.7). Отношение высоты откоса h к заложению a котлованов и траншей без крепления в нескальных грунтах выше уровня грунтовых вод назначают в соответствии с табл. 5.2. Величину, обратную крутизне откоса, называют коэффициентом откоса m, причем1/m = h/a = tg .
Таблица 5.2
Допустимая крутизна откосов
| Виды грунтов | Крутизна откоса, 1/m, при глубине выемки не более | ||||||
| 1,5 м | 3 м | 5 м | 6 м | 8 м | 10 м | 14 м | |
| Насыпные неслежавшиеся | 1:0,67 | 1:1 | 1:1,25 | – | – | – | – |
| Песчаные и гравийные | 1:0,5 | 1:1 | 1:1 | 1:1,25 | 1,5 | 1:1,75 | 1:2 |
| Супесь | 1:0,25 | 1:0,67 | 1:0,85 | 1:1 | 1:1,25 | 1:1,5 | 1:1,75 |
| Суглинок | 1:0 | 1:0,5 | 1:0,75 | 1:0,85 | 1:1 | 1:1,25 | 1:1,5 |
| Глина | 1:0 | 1:0,25 | 1:0,5 | 1:0,75 | 1:1 | 1:1,25 | 1:1,5 |
| по СНиП 12-04-2002 | по расчету СНиП 3.02.01-87 прил. 3 | ||||||
| Примечания: 1. При напластовании различных видов грунта крутизну откосов назначают по наименее устойчивому виду от обрушения откоса. 2. К неслежавшимся насыпным относятся грунты с давностью отсыпки до двух лет для песчаных; до пяти лет – для пылевато-глинистых грунтов |
Вертикальные стенки котлованов и траншей без крепления допускается выполнять в грунтах, расположенных выше грунтовых вод при глубине 1 м – в неслежавшихся насыпных и природного сложения песчаных грунтах; 1,25 м – супесях; 1,5 м – суглинках и глинах.
При среднесуточной температуре воздуха ниже минус 2 °С допускается увеличение наибольшей глубины вертикальных стенок выемок в мерзлых грунтах, кроме сыпучемерзлых, на величину глубины промерзания грунта, но не более чем до 2 м.
При устройстве котлованов и траншей в стесненных условиях и в других случаях, когда невозможно разрабатывать выемку с откосами, ее устраивают с вертикальными стенками с креплением.
Факторами, влияющими на способ крепления, являются: вид грунта, ширина и глубина выемки, срок службы крепления, наличие грунтовых вод. Различают консольные, анкерные, распорные и подкосные крепления траншей и котлованов (рис. 5.8).
| а) | б) | в) |
| ||
г)
| Рис. .. Крепление выемок с вертикальными стенками: а – консольное; б – анкерное; в – подкосное; г – распорное; 1 – фундамент сооружения; 2 – шпунтовое ограждение; 3 – направление давления грунта; 4 – анкер; 5 – упор; 6 – подкос; 7 – распорка; Hв – глубина выемки |
Коэффициент разрыхления – отношение объема разрыхленного грунта к объему грунта в естественном (плотном теле) состоянии. Коэффициент разрыхления зависит от вида грунта и его влажности. Различают коэффициенты первоначального kп.р и остаточного разрыхления kо.р:
где Vп, Vр, Vу– объем грунта в первоначальном, разрыхленном и уплотненном состоянии соответственно.
| Рис. .. Изменение объема грунта при его перемещении: Vк – объем котлована; Vотв – объем отвала; Vо.з – объем обратной за- сыпки |
Таблица 5.3
Коэффициенты разрыхления грунта
| Наименование грунта | Коэффициент разрыхления грунта, % | |
| первоначального | остаточного | |
| Торф | 1,2…1,3 | 1,03…1,04 |
| Песок | 1,10…1,15 | 1,02…1,05 |
| Супесь | 1,12…1,17 | 1,03…1,05 |
| Суглинок | 1,14…1,24 | 1,02…1,05 |
| Глина | 1,24…1,32 | 1,04…1,09 |
Наиболее плотным является естественное состояние грунтов (рис. 5.9).Несвязные грунты (пески) уплотняются лучше, чем связные (глины), поэтому коэффициенты разрыхления у них меньше (табл. 5.3). Эти показатели необходимо учитывать при распределении объемов грунта в отвал и транспорт.
· Определение объемов земляных работ при устройстве траншей, котлованов, линейных насыпей, обратных засыпок и обсыпок
Объемы земляных работ определяют при проектировании земляных сооружений, составлении проектов организации строительства и проектов производства работ, а также при производстве работ для подсчета количества фактически разработанного грунта.
Так как открытая поверхность грунта обычно не имеет правильной геометрической формы, то объем земляных работ определяют приближенно с достаточной для инженерных расчетов точностью (2…10 %). Методы определения объемов грунта зависят от вида создаваемых выемок и насыпей.
Размеры выемок должны обеспечивать размещение конструкций, средств механизации земляных работ и последующих работ, а также возможность перемещения людей в пазухе. Размеры выемок принимают минимальными по размеру, но отвечающими требованиям безопасности производства работ.
При проектировании вначале назначают размеры земляных сооружений по низу, затем определяют их размеры по верху, после чего вычисляют объем земляных работ.
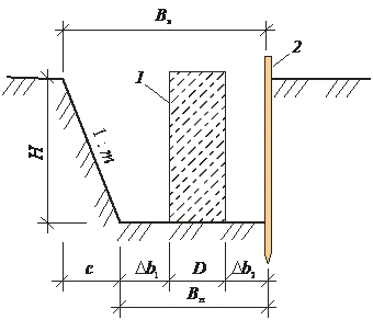
Для перемещения рабочих в пазухе фундамента расстояние от боковой поверхности возводимой конструкции до откоса с коэффициентом заложения m<0,5 или шпунтового ограждения принимают не менее 0,6 м (рис. 5.10).
| Рис. .. Определение размеров выемки: 1 – возводимая конструкция; 2 – шпунтовое ограждение; Bн, Bв – ширина выемки по низу и по верху соответственно; H – глубина выемки; c – заложение откоса |
|
Ширину выемки по низу Bн принимают по формуле
Bн =D+2,
где D – поперечный размер возводимой конструкции (труба, фундаментный блок, опалубка);
– дополнительный зазор для обеспечения возможности работы в выемке рабочих и техники (принимают равным 0,2 м при устройстве искусственных оснований под трубопроводы; 0,4 м при устройстве монолитных ленточных фундаментов; при отрывке траншей под трубопроводы диаметром до 1,6 м при сварном стыковом соединении труб – 0,15…0,4 м, а при раструбном, муфтовом или других типах соединения – 0,25…0,6 м).
Ширина траншеи должна быть шире режущей кромки ковша одноковшового экскаватора на 0,1 м в глинистых грунтах; 0,15 м в песках и супесях и 0,4 м в разрыхленных скальных и мерзлых грунтах.
Для того чтобы определить объем выемки грунта в траншее, ее условно разбивают вертикальными сечениями на участки (рис. 5.11), а затем вычисляют объем получившихся призматоидов (неправильных призм) по приближенным формулам
Рис. .. Схема для определения объема траншеи
|

или по более точной формуле Симпсона
где
– длина участка, l = 50…100 м;
Дата добавления: 2015-10-29; просмотров: 2845;

Рис. .. Устройство открытого водоотлива:
1 – водоотводная канава; 2 – приямок – зумпф; 3 – всасывающий патрубок; 4 – насос;
5 – водоотводный патрубок
Рис. .. Схема для определения объема траншеи