Введение. SONET и SDH являются похожими цифровыми транспортными форматами, которые были разработаны с целью обеспечения надежной и гибкой цифровой структуры
SONET и SDH являются похожими цифровыми транспортными форматами, которые были разработаны с целью обеспечения надежной и гибкой цифровой структуры, способной использовать возможности увеличения емкости и скорости передачи, предоставляемые оптическим волокном. SONET — сокращение, расшифровываемое как синхронная оптическая сеть. В аналогичной манере, SDH — расшифровывается, как синхронная цифровая иерархия. Можно сказать, что SONET имеет североамериканские особенности, a SDH - европейские. Возможно об этом можно говорить с некоторой натяжкой, так как обе системы очень похожи.
Исходная концепция разработки цифрового формата для высокоскоростных оптических систем состояла в том, чтобы иметь всего лишь один единый стандарт для общемировых применений. Но этого не получилось. США хотели в качестве основной использовать скорость порядка 50 Мбит/с, позволяющую инкапсулировать DS3 (цифровой сигнал 3) (или скорость Т3 = 44,736 Мбит/с - максимальную стандартную скорость американской иерархии PDH). Европейцы не имели (стандартных) скоростей, близких к этой, и в качестве начальной скорости иерархии использовали скорость около 150 Мбит/с (чтобы иметь возможность инкапсулировать скорость Е4 = 139,264 Мбит/с - максимальную стандартную скорость европейской иерархии PDH). Другое различие касается структуры фреймов. США ориентировались на фрейм, состоящий из 13 строк и 180 байт-столбцов для скорости 150 Мбит/с, отражающей то, что сейчас называют структурой синхронного транспортного сигнала — STS-3. Европа поддерживала структуру фрейма STS-3, состоящую из 9 строк и 270 столбцов, для того, чтобы эффективно передавать сигнал Е1 (2,048 Мбайт/с), используя фрейм: 9 строк на 4 байт-столбца, основанный на 32-байтной структуре фрейма Е1 с периодом 125 мкс.
Комитет ANSI T1X1 одобрил окончательный стандарт в августе 1988, вместе со стандартом CCITT, тем самым был установлен глобальный стандарт SONET/SDH. Этот стандарт был основан на 9-строчном фрейме, в рамках которого SONET стал подмножеством SDH.
Как SONET, так и SDH, используют технику базовых строительных блоков. SONET начал с меньшей скорости 51,84 Мбит/с. Эта базовая скорость называется STS-1 (синхронный транспортный сигнал 1-го уровня). Полезные нагрузки, имеющие меньшие скорости, отображаются на формат STS-1, тогда как сигналы более высоких скоростей получаются по схеме байт-интерливинга, N выровненных фреймов STS-1 позволяют создать сигнал STS-N. Результат такой простой схемы мультиплексирования дает возможность обойтись без дополнительных заголовков; следствие этого в том, что скорость передачи сигнала STS-N в точности равна N∗51,84 Мбит/с, где N в настоящее время определена для значений, 3, 12, 24, 48 и 192 (дополнительно используются значения 96 и 786).
Основным строительным блоком SDH является синхронный транспортный модуль уровня 1 (STM-1), имеющий скорость 155,52 Мбит/с. Полезная нагрузка с меньшей скоростью отображается на поле полезной нагрузки STM-1, а сигналы более высоких скоростей генерируются путем синхронного мультиплексирования N сигналов STM-1, для формирования сигналов STM-N. Транспортный заголовок сигнала STM-N в N раз больше транспортного заголовка STM-1, а скорость передачи составляет N∗155,52 Мбит/с. В настоящее время только STM-1, STM-4, STM-16 и STM-64 определены в стандартах ITU-T (STM-256 находится в стадии стандартизации).
Как в SONET, так и в SDH, скорость передачи фреймов составляет 8000 фреймов/с, что соответствует периоду повторения фреймов 125 мкс. Существует высокая степень совместимости между SONET и SDH. Ввиду различия в размере основных строительных блоков: 51,84 Мбит/с для SONET и 155,52 Мбит/с для SDH, они отличаются по структуре. Однако, если мы умножим скорость SONET на три, формируя тем самым сигнал STS-3, мы фактически получим начальную скорость SDH — 155,52 Мбит/с. На рисунках 1 и 2 приведены схемы мультиплексирования SONET и SDH. В табл. 1 приведены сравнительные значения скоростей в стандартах SONET и SDH.

Рисунок 1 – Схема мультиплексирования SONET

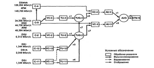
Рисунок 2 – Схема мультиплексирования SDH
Кроме отличия скоростей основных строительных блоков, SONET и SDH отличаются характером использования заголовка. Эти различия в заголовке можно сгруппировать в две широкие категории: определение формата и интерпретация использования. В результате мы вынуждены описывать их отдельно.
Таблица 1 – Скорости передачи синхронных систем

Следует развеять некоторые представления, которые возникли из-за неудачного использования слов и терминологии. Иногда полагают, что раз SONET расшифровывается как синхронная оптическаясеть, то она работает только на оптоволоконной среде передачи, но это не так. Любая транспортная среда, которая способна создать необходимую полосу пропускания, будет передавать трафик SONET и SDH с требуемой линейной скоростью. Например, РРЛ в зоне прямой видимости, используя схему модуляции с плотной упаковкой бит, готовы транспортировать 622 Мбит/с (STS-12 и STM-4) в расчете на одну несущую, используя 40 МГц выделенной полосы частот.
Дата добавления: 2015-08-21; просмотров: 2133;
