История развития архитектуры ЭВМ
Архитектура ЭВМ – это то, что представляется пользователю, когда он работает с ЭВМ. Это структура ЭВМ с точки зрения USER’а. Структура ЭВМ – физическое понятие.
Нулевое поколение (1492 – 1945)
Для полноты картины упомянем два события, произошедшие до нашей эры: первые счеты – абак, изобретенные в древнем Вавилоне за 3000 лет до н.э., и их более «современный» вариант с косточками на проволоке, появившийся в Китае примерно за 500 лет также до н.э.
«Механическая» эра (нулевое поколение) в эволюции ВТ связана с механическими, а позже – электромеханическими вычислительными устройствами. Основным элементом механических устройств было зубчатое колесо. Начиная с ХХ века роль базового элемента переходит к электромеханическому реле. Не умаляя значения многих идей «механической» эры, необходимо отметить, что ни одно из созданных устройств нельзя с полным основанием назвать вычислительной машиной в современном понимании. Чтобы подчеркнуть это, вместо термина «вычислительная машина» будем использовать такие слова, как «вычислитель», «калькулятор» и т.п.
Хронология основных событий «механической» эры выглядит следующим образом.
1492 год. В одном из своих дневников Леонардо да Винчи приводит рисунок тринадцатиразрядного десятичного суммирующего устройства на основе зубчатых колес.
1623 год.Вильгельм Шиккард (Wilhelm Schickard, 1592 -1635), профессор университета Тюбингена, разрабатывает устройство на основе зубчатых колес («считающие часы») для сложения и вычитания шестнадцатиразрядных десятичных чисел. Было ли устройство реализовано при жизни изобретателя, достоверно неизвестно, но в 1960 году оно было воссоздано и проявило себя вполне работоспособным.
1642 год.Блез Паскаль (Blaise Pascal, 1623-1663) представляет « Паскалин» -первое реально осуществленное и получившее известность механическое цифровое вычислительное устройство. Прототип устройства суммировал и вычитал пятиразрядные десятичные числа. Паскаль изготовил более десяти таких вычислителей, причем последние модели оперировали числами длиной в восемь цифр.
1673 год.Готфрид Вильгельм Лейбниц (Gottfried Wilhelm Leibniz, 1646-1716) создает «пошаговый вычислитель» - десятичное устройство для выполнения всех четырех арифметических операций над 12-разрядными десятичными числами. Результат умножения представлялся 16 цифрами. Помимо зубчатых колес в устройстве использовался новый элемент – ступенчатый валик.
1786 год. Немецкий военный инженер Иоганн Мюллер (Johann Mueller,1746-1830) выдвигает свою идею «разностной машины» - специализированного калькулятора для табулирования логарифмов, вычисляемых разностным методом. Калькулятор, построенный на ступенчатых валиках Лейбница, получился достаточно небольшим (13 см в высоту и 30 см в диаметре), но при этом мог выполнять все четыре арифметических действия над 14-разрядными числами.
1801 год.Жозеф Мария Жаккард (Joseph-Marie lacquard, 1752-1834) строит ткацкий станок с программным управлением, программа работы которого задается с помощью комплекта перфокарт.
1832 год.Английский математик Чарльз Бэббидж (Charles Babbage, 1792-1871) создает сегмент разностной машины, оперирующий 16-разрядными числами и разностями второго порядка. Разностная машина Бэббиджа по идее аналогична калькулятору Мюллера.
1834 год.Пер Георг Шутц (Per George Scheutz,1785-1873)из Стокгольма, используя краткое описание проекта Бэббиджа, создает из дерева небольшую разностную машину.
1836 год.Бэббидж разрабатывает проект «аналитической машины». Проект предусматривает три считывателя с перфокарт для ввода программ и ввода данных, память (по Бэббиджу – «склад») на пятьдесят 40-разрядных чисел, два аккумулятора для хранения промежуточных результатов. В программирования машины предусмотрено концепция условного перехода. В проект заложен также и прообраз микропрограммирования – содержание инструкций предполагалось создавать путем позиционирования металлических штырей в цилиндре с отверстиями. По оценкам автора, суммирование должно было занимать 3 с, а умножение и деление - 2-4 мин.
1843 год. Георг Шутц совместно с сыном Эдвардом (Edvard Scheutz,1821-1881) строят разностную машину с принтером для работы с разностями третьего порядка.
1871 год.Бэббидж создает прототип одного из устройств своей аналитической машины – «мельницу» (так он окрестил то, что сейчас принято называть центральным процессором), а также принтер.
1885 год.Дорр Фельт (Dorr E. Felt,1862-1930) из Чикаго строит свой «комптометр» - первый калькулятор, где числа вводятся нажатием клаувиш.
1890 год. Результаты переписи населения в США обрабатываются с помощью перфокарточного табулятора, созданного Германом Холлеритом (Herman Hollerith) из Массачусетского технологического института.
1892 год.Вильям Барроуз (William S. Burroughs,1857-1898) предлагает устройство, схожее с калькулятором Фельта, но более надежное, и от этого события берет старт индустрия офисных калькуляторов.
1937 год. Джорж Стибитц (George Stibitz, 1904-1995) из Bell Telephone Laboratories демонстрирует первый однобитовый двоичный вычислитель на базе электромеханических реле.
1937 год.Алан Тьюринг (Alan M. Turing, 1912-1954) из Кембриджского университета публикует статью, в которой излагает концепцию теоретической упрощенной вычислительной машины, в дальнейшем получившей название машины Тьюринга.
1938 год. Клод Шеннон (Claude E. Shannon, 1916-2001) публикует статью о реализации символической логики на базе реле.
1938 год.Немецкий инженер Конрад Цузе (Konrad Zuse,1910-1995) строит механический программируемый вычислитель Z1 с памятью на 1000 бит. В последнее время Z1 все чаще называют первым в мире компьютером.
1939 год. Джордж Стибитц и Сэмюэль Вильямс (Samuel Williams,1911-1977) представили Model I – калькулятор на базе релейной логики, управляемый с помощью модифицированного телетайпа, что позволило подключаться к калькулятору по телефонной линии. Более поздние модификации допускали также определенную степень программирования.
1940 год. Следующая работа Цузе – электромеханическая машина Z2, основу которой составляла релейная логика, хотя память, как и в Z1, была механической.
1941 год.Цузе создает электромеханический программируемый вычислитель Z3. Вычислитель содержит 2600 электромеханических реле. Z3 – это первая попытка реализации принципа программного управления, хотя и не в полном объеме (в общепринятом понимании этот принцип еще не был сформулирован). В частности, не предусматривалась возможность условного перехода. Программа хранилась на перфоленте. Емкость памяти составляла 64 22-битовых слова. Операция умножения занимала 3-5 с.
1943 год.Группа ученых Гарвардского университета во главе с Говардом Айкеном (Howard Aiken,1900-1973) разрабатывает вычислитель ASCC Mark I – первый программно-управляемый вычислитель, получивший широкую известность. Длина устройства составила 18 м., а весило оно 5т. Машина состояла из множества вычислителей, обрабатывающих свои части общей задачи под управлением единого устройства управления. Команды считывались с бумажной перфоленты и выполнялись в порядке считывания. Данные считывались с перфокарт. Вычислитель обрабатывал 23-разрядные числа, при этом сложение занимало 0,3 с., умножение – 4с., а деление - 10с.
1945 год.Цузе завершает Z4 –улучшенную версию вычислителя Z3. По архитектуре у Z4 очень много общих черт с современными ВМ: память и процессор представлены отдельными устройствами, процессор может обрабатывать числа с плавающей запятой и, в дополнении к четырем основным арифметическим операциям, способен извлекать квадратный корень. Программа хранится на перфоленте и считывается последовательно.
Не умаляя важности каждого из перечисленных фактов, в качестве важнейшего момента «механической» эпохи все-таки выделим аналитическую машину Чарльза Бэббиджа и связанные с ней идеи.
Первое поколение (1937-1953)
На роль первой в истории электронной вычислительной машины в разные периоды претендовало несколько разработок. Общим у них было использование схем на базе электронно- вакуумных ламп вместо электромеханических реле. Предполагалось, что электронные ключи будут значительно надежнее, поскольку в них отсутствуют движущиеся части, однако технология того времени была на столько несовершенной, что по надежности электронные лампы оказались не намного лучше, чем реле. Однако у электронных компонентов имелось одно важное преимущество: выполненные на них ключи могли переключаться примерно в тысячу раз быстрее своих электромеханических аналогов.
Первой электронной вычислительной машиной чаще называют специализированный калькулятор АВС (Atanasoff-Berry Computer). разработан он был в период с 1939 по 1942 год профессором Джоном Атанасовым (John V. Atanasoff,1903-1995) совместно с аспирантом Клиффордом Бери(Clifford Berry, 1918-1963) и предназначался для решения системы линейных уравнений (до 29 уравнений с 29 переменными). АВС обладал памятью на 50 слов длиной 50 бит, а запоминающими элементами служили конденсаторы с цепями регенерации. В качестве вторичной памяти использовались перфокарты, где отверстия не перфорировались, а прожигались. АВС стал считаться первой электронной ВМ, после того как судебным решением были аннулированы патенты создателей другого электронного калькулятора –ENIAC. Необходимо все же отметить, что не АВС, ни ENIAC не являются вычислительными машинами в современном понимании этого термина и их правильней классифицировать как калькуляторы.
Вторым претендентом на первенство считается вычислитель Colossus, построенный в 1943 году в Англии в местечке Bletchley Park близ Кембриджа. Изобретателем машины был профессор Макс Ньюмен (Max Newman,1987-1984), а изготовил его Томми Флауэрс (Tommy Flowers, 1905-1998). Colossus был создан для расшифровки кодов немецкой шифровальной машины «Лоренц Шлюссель – цузат-40». В состав команды разработчиков входил также Алан Тьюринг. Машина была выполнена в виде восьми стоек высотой 2,3 м. , а общая ее длина составляла 5,5 м. в логических схемах машины и в системе оптического считывания информации использовалось 2400 электронных ламп, главным образом тиратронов. Информация считывалась с 5 вращающихся длинных бумажных колец со скоростью 5000 символов/сек.
Наконец, третий кандидат на роль первой электронной ВМ – уже упоминавшийся программируемый электронный калькулятор общего назначения ENIAC (Electronic Numerical Integrator and Computer – электронный цифровой интегратор и вычислитель). Идея калькулятора, выдвинутая в 1942 году Джоном Мочли (John J. Mauchly,1907-1980) из университета Пенсильвании, была реализована им совместно с Преспером Эккертом (J. Presper Eckert,1919-1995) в 1946 году. С самого начала ENIAC активно использовался в программе разработки водородной бомбы. Машина эксплуатировалась до 1955 года и применялась для генерирования случайных чисел, предсказания погоды и проектирования аэродинамических труб. ENIAC весил 30 тонн, содержал 18000 радиоламп, имел размеры 2,5 × 30 м. и обеспечивал выполнение 5000 сложений и 360 умножений в секунду. Использовалась десятичная система счисления. Программа задавалась схемой коммутации триггеров на 40 наборных полях. Когда все лампы работали, инженерный персонал мог настроить ENIAC на новую задачу, вручную изменив подключение 6000 проводов. При пробной эксплуатации выяснилось, что надежность машины чрезвычайно низка – поиск неисправностей занимал от нескольких часов до нескольких суток. По своей структуре ENIAC напоминал механические вычислительные машины. 10 триггеров соединялось в кольцо, образуя десятичный счетчик, который исполнял роль счетного колеса механической машины. Десять таких колец плюс два триггера для представления знака числа представляли запоминающий регистр. Всего в ENIAC было 20 таких регистров. Система переноса десятков в накопителях была аналогична предварительному переносу в машине Бэббиджа.
При всей важности каждой из трех рассмотренных разработок основное событие, произошедшее в этот период, связано с именем Джона фон Неймана. Американский математик Джон фон Нейман (John von Neumann,1903-1957) принял участие в проекте ENIAC в качестве консультанта. Еще до завершения ENIAC Эккерт, Мочли и фон Нейман приступили к новому проекту – EDVAC, главнгой особенностью которого стала идея хранимой в памяти программы.
Технология программирования в рассматриваемый период была еще на зачаточном уроне. Первые программы составлялись в машинных кодах – числах, непосредственно записываемых в память ВМ. Лишь в 50-х годах началось использование языка ассемблера, позволявшего вместо числовой записи команд использовать символьную их нотацию, после чего специальной программой, также называемой ассемблером, эти символьные обозначения транслировались в соответствующие коды.
Несмотря на свою примитивность, машины первого поколения оказались весьма полезными для инженерных целей и в прикладных науках. Так, Атанасофф подсчитал, что решение системы из восьми уравнений с восьмью переменными с помощью популярного тогда электромеханического калькулятора Маршана заняло бы восемь часов. В случае же 29 уравнений 29 переменными, с которыми калькулятор АВС справлялся менее чем за час, устройство с калькулятором Маршана затратило бы 381 час. С первой задачей в рамках проекта водородной бомбы ENIAC справился за 20 с., в противовес 40 часам, которые понадобились бы при использовании механических калькуляторов.
В 1947 году под руководством С.А. Лебедева начаты работы по созданию малой электронной счетной машины (МЭСМ). Эта ВМ была запущена в эксплуатацию в 1951 году и стала первой электронной ВМ в СССЗ и континентальной Европе.
В 1952 году Эккерт и Мочли создали первую коммерчески успешную машину UNIVAC. Именно с помощью этой ВМ было предсказано, что Эйзенхауэр в результате президентских выборов победит Стивенсона с разрывом в 438 голосов (фактический разрыв составил 442 голоса).
Также в 1952 году в опытную эксплуатацию была запущена вычислительная машина М-1 (И.С. Брук, Н.Я.Матюхин, А.Б. Залкинд). М-1 содержала 730 электронных ламп, оперативную память емкостью 256 25-разрядных слов, рулонный телетайп и обладала производительностью 15-20 операций/с. Впервые была применена двухадресная система команд. Чуть позже группой выпускников МЭИ под руководством И.С. Брука создана машина М-2 с емкостью оперативной памяти 512 34-разрядных слов и быстродействием 2000 операций/ с.
В апреле 1953 года в эксплуатацию поступила самая быстродействующая в Европе ВМ БЭСМ (С.А. Лебедев). Ее быстродействие составило 8000-10000 операций/с. Примерно в то же время выпущена ламповая ВМ «Стрела» (Ю.А. Базилевский, Б.И. Рамееев) с быстродействием 2000 операций/с.
Второе поколение (1954 - 1962)
Второе поколение характеризуется рядом достижений в элементной базе, структуре и программном обеспечении. Принято считать, что поводом для выделения нового поколения ВМ стали технологические изменения, и, главным образом, переход от электронных ламп к полупроводниковым диодам и транзисторам со временем переключения порядка 0,3 мс.
Первой ВМ, выполненной полностью на полупроводниковых диодах и транзисторах, стала TRADIC (TRAnistor Digital Computer), построенная в Bell Labs по заказу военно-воздушных сил США как прототип бортовой ВМ. Машина состояла из 700 транзисторов и 10000 германиевых диодов. За два года эксплуатации TRADIC отказали только 17 полупроводниковых элементов, чо говорит о прорыве в области надежности, по сравнению с машинами на электронных лампах. Другой достойной упоминания полностью полупроводниковой ВМ стала ТХ-0,созданная в 1957 году в Массачусетском технологическом институте.
Со вторым поколением ВМ ассоциируют еще одно принципиальное технологическое усовершенствование – переход от устройств памяти на базе ртутных линий задержки к устройствам на магнитных сердечниках. В запоминающих устройствах (ЗУ) на линиях задержки данные хранились в виде акустической волны, непрерывно циркулирующей по кольцу из линий задержки, а доступ к элементу данных становился возможным лишь в момент прохождения соответствующего участка волны вблизи устройства считывания /записи. Главным преимуществом ЗУ на магнитных сердечниках стал произвольный доступ к данным, когда в любой момент доступен любой элемент данных, причем время доступа не зависит от того, какой это элемент.
Технологический прогресс дополняют важные изменения в архитектуре ВМ. Прежде всего, это касается появления в составе процессора ВМ индексных регистров, что позволило упростить доступ к элементам массивов. Прежде, при циклической обработке элементов массива, необходимо было модифицировать код команды, в частности хранящийся в нем адрес элемента массива. Как следствие, в ходе вычислений коды некоторых команд постоянно изменялись, что затрудняло отладку программы. С использованием индексных регистров адрес элемента массива вычисляется как сумма адресной части команды и содержимого индексного регистра. Это позволяет обратиться к любому элементу массива, не затрагивая код команды, а лишь модифицируя содержимое индексного регистра.
Вторым принципиальным изменением в структуре ВМ стало добавление аппаратного блока обработки чисел в формате с плавающей запятой. До этого обработка вещественных чисел производилась с помощью подпрограмм, каждая из которых имитировала выполнение какой-то одной операции с плавающей запятой (сложение, умножение и т.п.), используя для этой цели обычное целочисленное арифметико-логическое устройство.
Третье значимое нововведение в архитектуре ВМ – появление в составе вычислительной машины процессоров ввода/вывода, позволяющих освободить центральный процессор от рутинных операций по управлению вводом/выводом и обеспечивающих более высокую пропускную способность тракта «память – устройство ввода/вывода» (УВВ).
Ко второму поколению относятся и две первые суперЭВМ, разработанные для ускорения численных вычислений в научных приложениях. Термин «суперЭВМ» первоначально применялся по отношению к ВМ, производительность которых на один или более порядков превосходила таковую для прочих вычислительных машин того же поколения. Во втором поколении этому определению отвечали две ВМ (правильнее сказать системы): LARC (Livermore Atomic Research Computer) и IBM 7030. Помимо прочего, в этих ВМ нашли воплощение еще две новинки: совмещение операций процессора с обращением к памяти и простейшие формы параллельной обработки данных.
Заметным событием данного периода стало появление в 1958 году машины М-20. в этой ВМ, в частности, были реализованы: частичное совмещение операций, аппаратные средства поддержки программных циклов, возможность параллельной работы процессора и устройства вывода. Оперативная память емкостью 4096 45-разрядных слов была выполнена на магнитных сердечниках.
Шестидесятые годы ХХ века стали периодом бурного развития вычислительной техники в СССР. За этот период разработаны и запущены в производство вычислительные машины «Урал-1», «Урал-4», «Урал-11», «Урал-14», БЭСМ-2, М-40, «Минск-1», «Минск-2», «Минск-22», «Минск-32». В 1960 году под руководством В.М. Глушакова и Б.Н. Малиновского разработана первая полупроводниковая управляющая машина «Днепр».
Наконец, нельзя не отметить значительные события в сфере программного обеспечения, а именно создание языков программирования высокого уровня: Фортрана(1956), Алгола(1958) и Кобола(1959).
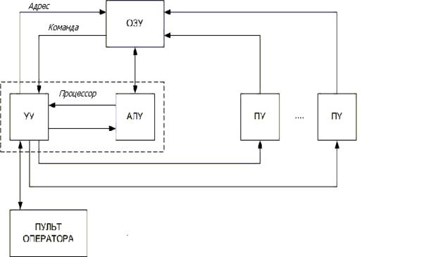
Структурные схемы для 1 и 2-го поколений были схожи.
Рассмотрим типичную схему таких ЭВМ.
Основными устройствами являлись:
- управления (УУ);
- арифметико-логические устройства (АЛУ);
- оперативные запоминающие устройства (ОЗУ);
- периферийные устройства (ПУ);
- пульт оператора.
|
УУ и АЛУ – это Процессор. Каждое ПУ подключается непосредственно к ОЗУ и Процессору через нестандартные кабели связи. Управление работой этих ПУ осуществлялось специальными командами Процессора. Процессор принимал участие при выполнении всех операций ввода-вывода на всех ПУ. Такая организация ввода-вывода неэффективна, поскольку при выполнении операции ввода-вывода Процессор не может производить вычисления, т.е. выполнять свою программу.
Третье поколение (1963-1972)
Третье поколение ознаменовалось резким увеличением вычислительной мощности ВМ, ставшим следствием больших успехов в области архитектуры, технологии и программного обеспечения. Основные технологические движения связаны с переходом от дискретных полупроводниковых элементов к интегральным микросхемам и началом применения полупроводниковых запоминающих устройств, начинающих вытеснять ЗУ на магнитных сердечниках. Существенные изменения произошли и в архитектуре ВМ. Это, прежде всего, микропрограммирование как эффективная техника построения устройств управления сложных процессоров, а также наступление эры конвейеризации и параллельной обработки. В области программного обеспечения определяющими вехами стали первые операционные системы и реализация режима разделения времени.
В первых ВМ третьего поколения использовались интегральные схемы с малой степенью интеграции (small-scale integrated circuits, SSI), где на одном кристалле размещается порядка 10 транзисторов. Ближе к концу рассматриваемого периода на смену SSI стали приходить интегральные схемы средней степени интеграции (medium-scale integrated circuits, MSI), в которых число транзисторов на кристалле увеличилось на порядок. К этому же времени относится повсеместное применение многослойных печатных плат. Все шире востребуются преимущества параллельной обработки, реализуемые за счет множественных функциональных блоков, совмещения во время работы центрального процессора и операций ввода/вывода, конвейеризации потоков команд и данных.
В 1964 году Сеймур Крей (Seymour Cray,1925-1996) построил вычислительную систему CDC 6600, в архитектуру которой впервые был заложен функциональный параллелизм. Благодаря наличию 10 независимых функциональных блоков, способных работать параллельно, и 32 независимых модулей памяти удалось достичь быстродействия в 1 MFLOPS (миллион операций с плавающей запятой в секунду). Пятью годами позже Крей создал CDC 7600 с конвейеризированными функциональными блоками и быстродействием 10 MFLOPS. CDC 7600 называют первой конвейерной вычислительной системой (конвейерным процессором). Революционной вехой в истории ВТ стало создание семейства вычислительных машин IBM 360, архитектура и программное обеспечение которых на долгие годы служили эталоном для последующих больших универсальных ВМ. В машинах этого семейства нашли воплощение многие новые для того периода идеи, в частности: предварительная выборка команд, отдельные блоки для операций с фиксированной и плавающей запятой, конвейеризация команд, кэш-память. К третьему поколению ВС относятся также первые параллельные вычислительные системы: SOLOMON корпорации Westinghause и ILLIAC IV – совместная разработка Иллинойского университета и компании Burroughs. Третье поколение ВТ ознаменовалось также появлением первых конвейерно-векторных ВС: TI-ASC (Texas Instruments Advanced Scientific Computer) и STAR-100 фирмы CBC.
Среди вычислительных машин, разработанных в этот период в СССР, прежде всего необходимо отметить «быстродействующую электронно-счетную машину» - БЭСМ-6 (С.А. Лебедев) с производительностью 1 млн. операций/с. Продолжением линии М-20 стали М-220 и М-222 с производительностью до 200 000 операций/с. Оригинальная ВМ для инженерных расчетов «Мир-1» была создана под руководством В.М. Глушкова. В качестве входного языка этой ВМ использован язык программирования высокого уровня «Аналитик», во многом напоминающий язык Алгол.
В сфере программного обеспечения необходимо отметить создание в 1970 году Кеном Томпсоном (Kenneth Thompson) из Bell Labs языка В, прямого предшественника популярного языка программирования С, и появление ранней версии операционной системы UNIX.
Первые машины 3-го поколения IBM 360 (ЕСЭВМ ряд1), IBM 370 (ЕСЭВМ ряд2). ЭВМ 3-го и последующих поколений развивались в Советском Союзе в рамках ЕСЭВМ. Основными устройствами этих ЭВМ являются:
1) Процессор;
2) ОЗУ;
3) Байт мультиплексный канал (БТК);
4) Блок мультиплексного канала (БЛК);
5) Селекторный канал (СК).

Функция каналов – управлять вводом-выводом. Процессор запускает работу канала, он запускает ввод-вывод и работает дальше.
В таких машинах методы управления периферийными устройствами унифицированы, а сами ПУ подключаются к ОЗУ и Процессору стандартным образом через канал. Это позволило реализовать совмещение во времени операций ввода-вывода с операциями Процессора. Стала возможной одновременная работа нескольких ПУ и Процессора. Каналы освобождают Процессор от непосредственного управления операциями ввода-вывода, беря эти функции на себя.
Четвертое поколение (1972-1984)
Отсчет четвертого поколения обычно ведут с перехода на интегральные микросхемы большой (LSI) и сверхбольшой (VLSI) степени интеграции. К первым относят схемы, содержащие около 1000 транзисторов на кристалле, в то время как число транзисторов на одном кристалле VLSI имеет порядок 100 000. При таких уровнях интеграции стало возможным уместить в одну микросхему не только центральный процессор, но и вычислительную машину (ЦП, основную память и систему ввода/вывода).
Конец 70-х и начало 80-х годов – это время становления и последующего победного шествия микропроцессоров и микроЭВМ, что, однако, не снижает важности изменений, произошедших в архитектуре других типов вычислительных машин и систем.
Одним из наиболее значимых событий в области архитектуры ВМ стала идея вычислительной машины с сокращенным набором команд (RISC, Redused Instruction Set Computer), выдвинутая в 1975 году и впервые реализованная в 1980 году. В упрощенном изложении суть концепции RISC заключается в сведении набора команд ВМ к наиболее употребительным простейшим командам. Это позволяет упростить схемотехнику процессора и добиться резкого сокращения времени выполнения каждой из «простых» команд. Более сложные команды реализуются как подпрограммы, составленные из быстрых «простых» команд.
В ВМ и ВС четвертого поколения практически уходят со сцены ЗУ на магнитных сердечниках и основная память строится из полупроводниковых запоминающих устройств (ЗУ). До этого использование полупроводниковых ЗУ ограничивалось лишь регистрами и кэш-памятью.
В сфере высокопроизводительных вычислений доминируют векторные вычислительные системы, более известные как суперЭВМ. Разрабатываются новые параллельные архитектуры, однако подобные работы пока еще носят экспериментальный характер. На замену большим ВМ, работающим в режиме разделения времени, приходят индивидуальные микроЭВМ и рабочие станции (этим термином обозначают сетевой компьютер, использующий ресурсы сервера).
В области программного обеспечения выделим появление языков программирования сверхвысокого уровня, таких как FP ( functional programming – функциональное программирование) и Пролог (Prolog, programming in logic). Эти языки ориентированы на декларативный стиль программирования, в отличие от Паскаля, С, Фортрана и т.д. – языков императивного стиля программирования. При декларативном стиле программист дает математическое описание того, что должно быт вычислено, а детали того, каким образом это должно быть сделано, возлагаются на компилятор и операционную систему. Такие языки пока используются недостаточно широко, но выглядят многообещающими для ВС с массовым параллелизмом, состоящими из более чем 1000 процессоров. В компиляторах для ВС четвертого поколения начинают применяться сложные методы оптимизации кода.
Два события в области программного обеспечения связаны с Кеном Томпсоном и Денисом Ритчи (Dennis Ritchie) из Bell Labs. Это создание языка программирования С и его использование при написании операционной системы UNIX для машины DEC PDP-11. Такая форма написания операционной системы позволила быстро распространить UNIX на многие ВМ.
Пятое поколение (1984-1990)
Главным поводом для выделения вычислительных систем второй половины 80-х годов в самостоятельное поколение стало стремительное развитие ВС с сотнями процессоров, ставшие побудительным мотивом для прогресса в области параллельных вычислений. Ранее параллелизм вычислений выражался лишь в виде конвейеризации, векторной обработки и распределения работы между небольшим числом процессоров. Вычислительные системы пятого поколения обеспечивают такое распределение задач по множеству процессоров, при котором каждый из процессоров может выполнять задачу отдельного пользователя.
В рамках пятого поколения в архитектуре вычислительных систем сформировались два принципиально различных подхода: архитектура с совместно используемой памятью и архитектура с распределенной памятью.
Характерным примером первого подхода может служить система Sequent Balance 8000, в которой имеется большая основная память, разделяемая 20 процессорами. Помимо этого, каждый процессор оснащен собственной кэш-памятью. Каждый из процессоров может выполнять задачу своего пользователя, но при этом в составе программного обеспечения имеется библиотека подпрограмм, позволяющая программисту привлекать для решения своей задачи более одного процессора. Система широко использовалась для исследования параллельных алгоритмов и техники программирования.
Второе направление развития систем пятого поколения – системы с распределенной памятью, где каждый процессор обладает своим модулем памяти, а связь между процессорами обеспечивается сетью взаимосвязей. Примером такой ВС может служить система iPSС-1 фирмы Intel, более известная как «гиперкуб». Максимальный вариант системы включал 128 процессоров. Применение распределенной памяти позволило устранить ограничение в пропускной способности тракта «процессор-память», но потенциальным «узким местом» здесь становится сеть взаимосвязей.
Наконец, третье направление в архитектуре вычислительных систем пятого поколения – это ВС, в которых несколько тысяч достаточно простых процессоров работают под управлением единого устройства управления и одновременно производят одну и ту же операцию, но каждый над своими данными. К этому классу можно отнести Connection Machine фирмы Thinking Machines Inc и MP-1 фирмы MasPar Inc.
В научных вычислениях по-прежнему ведущую роль играют векторные суперЭВМ. Многие производители предлагают более эффективные варианты с несколькими векторными процессорами, но число таких процессоров обычно не велико (от 2 до 8).
RISC – архитектура выходит из стадии экспериментов и становится базовой архитектурой для рабочих станций (workstations).
Знаковой приметой рассматриваемого периода стало стремительное развитие технологий глобальных и локальных компьютерных сетей. Это стимулировало изменение в технологии работы индивидуальных пользователей. В противовес мощным универсальным ВС, работающим в режиме разделения времени, пользователи все более отдают предпочтение подключенным к сети индивидуальным рабочим станциям. Такой подход позволяет для решения небольших задач задействовать индивидуальную машину, а при необходимости в большой вычислительной мощности обратиться к ресурсам подсоединенных к той же сети мощных файл-серверов или суперЭВМ.
Шестое поколение (1990-)
На ранних стадиях эволюции вычислительных средств смена поколений ассоциировалась с революционными технологическими прорывами. Каждая из первых четырех поколений имело четко выраженные отличительные признаки и вполне определенные хронологические рамки. Последующее деление на поколения уже не столь очевидно и может быть понятно лишь при ретроспективном взгляде на развитие вычислительной техники. Пятое и шестое поколения в эволюции ВТ – это отражение нового качества, возникшего в результате последовательного накопления частных достижений, главным образом в архитектуре вычислительных систем и, в несколько меньшей мере, в сфере технологий.
Поводом для начала отсчета нового поколения стали значительные успехи в области параллельных вычислений, связанные с широким распространением вычислительных систем с массовым параллелизмом. Появление вычислительных систем с массовым параллелизмом дало основание говорить о производительности, измеряемой в TFLOPS (1 TFLOPS соответствует 1012 операциям с плавающей запятой в секунду).
Вторая характерная черта шестого поколения – резко возросший уровень рабочих станций. В процессорах новых рабочих станций успешно совмещаются RISC архитектура, конвейеризация и параллельная обработка. Некоторые рабочие станции по производительности сопоставимы с суперЭВМ четвертого поколения. Впечатляющие характеристики рабочих станций породили интерес к гетерогенным (неоднородным) вычислениям, когда программа, запущенная на одной рабочей станции, может найти в локальной сети не занятые в данный момент другие станции, после чего вычисления распараллеливаются и на эти простаивающие станции.
Наконец, третьей приметой шестого поколения в эволюции ВТ стал взрывной рост глобальных сетей.
Завершая обсуждение эволюции ВТ, отметим, что верхняя граница шестого поколения хронологически пока не определена и дальнейшее развитие вычислительной техники может внести в его характеристику новые коррективы. Не исключено так же, что последующие события дадут повод поговорить и об очередном поколении.
меет порядок 100 000.транзисторов на одном кристалле в на кристаллемы большой и.
.
Дата добавления: 2015-08-14; просмотров: 1574;
