СИНТЕЗ МИКРОПРОГАМНОГО АВТОМАТА. СИНТЕЗ УСТРОЙСТВА УПРАВЛЕНИЯ.
В процессе синтеза микропрограмм автомата (МПА) первоначально по графу микропрограммы (МП) определяются множества состояний А, входных Х и выходных У сигналов автомата. Для МПА входными являются сигналы, анализируемые в условных вершинах графа МП. Т е в нашем примере множество Х={f, α, X3}. Выходными сигналами являются сигналы микроопераций. В примере: У={У1,…,У10}. Для определения множества состояний А={
} строится отмеченный граф МП, т е граф, помеченный символами состояний автомата. Для МПА отметками состояний помечаются входы вершин, следующие за операторными вершинами. При этом символом начального состояния
помечается выход начальной и вход конечной вершины графа МП. (В примере А={
}).
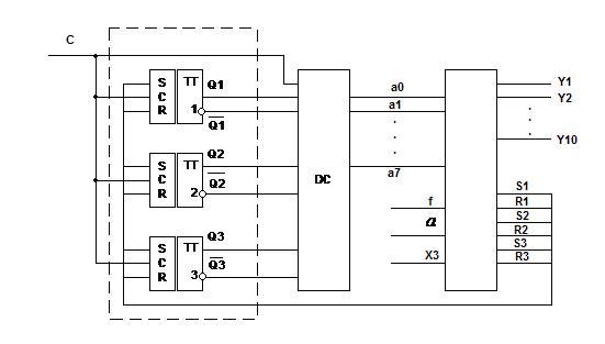
Структурная схема МПА включает запоминающую часть (ЗЧ), дешифратор состояний(ДС) и комбинационную часть(КЧ).

ЗЧ представляет собой набор двоичных элементов памяти, в качестве которых используются триггера различных типов. В рассматриваемом примере используются синхронные двухступенчатые RS-триггера. Минимально необходимое число триггеров определяется из отношения R=]
[, где m+1 – число состояний автомата, ][ - операция округления до ближайшего большего целого. В нашем случае количество состояний МПА=8, R=3. Таким образом ЗЧ состоит из 3х триггеров, состояния которых обозначим через Q1, Q2, Q3. При синтезе МПА каждое состояние из множества А кодируется определенным набором состояний триггеров. Вариант кодирования представлен в следующей таблице:
| Qr ai | Q1 | Q2 | Q3 | |
| a0 | ||||
| a1 | ||||
| a2 | ||||
| a3 | ||||
| a4 | ||||
| a5 | ||||
| a6 | ||||
| a7 | ||||
Сигналы с выхода триггеров ЗЧ поступают на входы ДС, формирующего сигналы состояний
автомата.
КЧ в зависимости от состояния автомата и входных сигналов вырабатывает управляющие сигналы микроопераций
и сигналы возбуждения триггеров
. На синхровходы триггеров и ДС поступают синхронизирующие сигналы С, период следования которых определяет такт работы автомата. В каждом такте по сигналу С формируются выходные сигналы КЧ, а по окончании сигнала С триггера переключаются в новое состояние. При построении КЧ удобно задавать работу автомата с помощью обратной структурной таблицы, представляющей собой список, в котором для каждого возможного перехода в автомате отводится одна строка. Такая таблица строится по отмеченному графу МП в виде массивов путей переходов в отдельное состояние.
ОБРАТНАЯ СТРУКТУРНАЯ ТАБЛИЦА

Схема КЧ синтезируется в соответствии со структурной таблицей. На первом этапе строятся схемы переходов в отдельные состояния. На этом этапе для каждого перехода в состояние с Ai вводится конъюнктор, на входы которого подаются сигналы исходного состояния и входные сигналы, от значений которых зависит данный переход. С выхода конъюнктора снимаются соответствующие данному переходу сигналы микроопераций и обязательные сигналы возбуждения триггеров. Далее выходы конъюнкторов объединяются с помощью дизъюнктора, с выхода которого снимаются сигналы микроопераций, общие для всех переходов в данное состояние и логическая сумма множеств обязательных сигналов возбуждения триггеров на рассматриваемых переходах. На втором этапе в схему КЧ вводятся дизъюнкторы для одних и тех же сигналов, которые формируются на переходах автомата в различные состояния. В результате получается следующая функциональная схема КЧ:

Дата добавления: 2015-08-14; просмотров: 1358;
