Округленные промежуточные размеры
| № п/п | Наименование определяемой величины и формула для ее расчета | Условное обозначение величины | Числовое значение величины, мм |
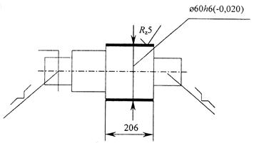
| Чертежный размер готовой поверхности Исходный расчетный размер (наибольший предельный размер наружной поверхности) Номинальный припуск на диаметр при чистовом шлифовании Расчетный диаметр после получистового шлифования Dрасч =Dисх + 2Zном4 Округленный диаметр после получистового шлифования Номинальный припуск на диаметр при предварительном шлифовании Расчетный диаметр после получистового точения Dрасч2 =D3 + 2Zном3 Диаметр после получистового точения (округленный) Номинальный припуск на диаметр при получистовом точении Расчетный диаметр после чернового точения Dрасч1=D2 + 2Zном2 Диаметр после чернового точения (округленный) Номинальный припуск на диаметр при черновом точении Расчетный диаметр заготовки штамповки Диаметр заготовки-штамповки с допуском (округленный) | Dчерт Dисх 2Zном4 Dрасч D3 2Zном3 Dрасч2 D2 2Zном2 Dрасч1 D1 2Zном1 Dрасч0 D0 | 60h(-0,020), RZ=5
60,0
0,12
60,12h9(-0,060), RZ=10
60,12h9(-0,060), RZ=10
0,312
60,432h11(-0,2), RZ=25
60,432h11(-0,2), RZ=25
0,826
60,326h12(-0,4), RZ=50
60,326h12(-0,4), RZ=50
6,04
67,44
67,5
|
Промежуточные размеры диаметров D1, D2, D3 третьей шейки обрабатываемой детали и чертежный размер диаметра готовой шейки, которые определяем расчетом, указываются в эскизах операционных карт механической обработки (рис. 2,3).
Из приведенного расчета следует, что для гарантированного выполнения всех переходов общий припуск на диаметр при механической обработке
D0 – D4 = 67,5 – 60 = 7,5 (мм).
Уточненный размер штамповки должен быть внесен в чертеж штамповки.
При расчете длин ступеней вала необходимо пользоваться той же таблицей, что и при нахождении припусков на диаметр
а

б
Рис. 2. Эскиз операционных карт механической обработки:
а – токарная черновая; б – токарная получистовая
а
б

Рис. 3. Эскиз операционных карт механической обработки:
а – шлифовальная получистовая; б – шлифовальная окончательная
С применением уточненных размеров штамповки (согласно расчету) выполнить чертеж заготовки. Изображение детали на нем вычерчивается тонкими линиями. Все размеры припусков следует указать на чертеже.
Дата добавления: 2015-07-10; просмотров: 1549;

67,5