Усилители на транзисторах
Усиление электрических сигналов необходимо при приеме радиосигналов, контроле и автоматизации технологических процессов, при измерении электрических и неэлектрических величин и т.д.
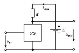
Простейшим усилителем является усилительный каскад (рис. 8.24), содержащий нелинейный управляемый элемент УЭ, как правило биполярный или полевой транзистор, резистор R и источник электрической энергии Е.
Усилительный каскад имеет входную цепь, к которой подводится входное напряжение
(усиливаемый сигнал), и выходную цепь, с которой снимается выходное напряжение
(усиленный сигнал).
Усиленный сигнал имеет значительно большую мощность по сравнению с входным сигналом. Увеличение мощности сигнала происходит за счет источника электрической энергии. Процесс усиления осуществляется посредством изменения сопротивления управляемого элемента, а, следовательно, и тока в выходной цепи, под воздействием входного напряжения или тока.

Рис. 8.24. Структурная схема усилительного каскада
Выходное напряжение снимается с управляемого элемента или резистора R. Таким образом, усиление основано на преобразовании электрической энергии источника постоянной ЭДС Е в энергию выходного сигнала за счет изменения сопротивления управляемого элемента по закону, задаваемому входным сигналом.
Основными параметрами усилительного каскада являются:
- коэффициент усиления по напряжению 
- коэффициент усиления по току 
- коэффициент усиления по мощности 
Усилительный каскад имеет коэффициент усиления по напряжению Ки, равный нескольким десяткам.
Для получения больших значений Ки, достигающих многих тысяч и более, используют многокаскадные усилители, в которых каждый последующий каскад подсоединен к выходу предыдущего.
Коэффициент усиления многокаскадного усилителя равен произведению коэффициентов усиления усилительных каскадов.
Дата добавления: 2015-08-11; просмотров: 820;
