Трехфазные выпрямители
Трехфазные выпрямителиприменяют как выпрямители средней и большой мощностей. Существует два основных типа выпрямителей: с нейтральным выводом и мостовой.
На рис. 8.16,а изображена схема трехфазного выпрямителя с нейтральным выводом. В него входят: трехфазный трансформатор, обмотки которого соединены звездой, три диода, включенные в каждую из фаз трансформатора, и нагрузочный резистор Rн.
Работу выпрямителя удобно рассматривать с помощью временных диаграмм, представленных на рис. 8.16,б. Из рисунка видно, что диоды работают поочередно, каждый в течение трети периода, когда потенциал начала одной из фазных обмоток (например, а) более положителен, чем двух других (b и с). Выпрямленный ток в нагрузочном резисторе Rн создается токами каждого диода, имеет одно и то же направление и равен сумме выпрямленных токов каждой из фаз: iн = ia + ib + ic.
Рис. 8.16. Схема (а), временные диаграммы напряжения и токов (б) трехфазного
выпрямителя с нейтральным выводом
В нагрузочном токе iн этого выпрямителя пульсации значительно меньше по сравнению с однофазным выпрямителем.
Коэффициент пульсации имеет значение 0,25.
Трехфазный выпрямитель с нейтральным выводом служит для питания нагрузочных устройств, в которых средние значения выпрямленного тока доходят до сотен ампер, а напряжение – до десятков киловольт. Достоинством такого выпрямителя является достаточно высокая надежность, что определяется минимальным количеством диодов. К недостаткам следует отнести подмагничивание сердечника трансформатора постоянным током, что приводит к снижению КПД выпрямителя.
Рис. 8.17. Схема (а), временные диаграммы напряжений и токов (б) трехфазного мостового
выпрямителя
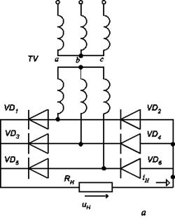
Трехфазный мостовой выпрямитель,несмотря на то, что в нем используется в два раза больше диодов, по всем показателям превосходит рассмотренный трехфазный выпрямитель и поэтому наиболее распространен среди выпрямителей средней и большой мощности. Схема этого выпрямителя (см. рис.8.17, a) была предложена в 1923 г. проф. А. Н. Ларионовым. Данный выпрямитель содержит мост из шести диодов: диоды VD1, VD3, VD5 образуют одну группу, а диоды VD2, VD4, VD6 – другую. Общая точка первой группы диодов образует положительный полюс на нагрузочном резисторе Rн, а общая точка второй группы – отрицательный полюс на нем. В этом выпрямителе в каждый момент времени ток в нагрузочном резисторе и двух диодах появляется тогда, когда к этим диодам приложено наибольшее напряжение. Например, в интервал времени t1 – t2 (см. рис.8.17, б) ток возникает в цепи диод VD1 – нагрузочный резистор Rн – диод VD4, так как к этим диодам приложено линейное напряжение uab, которое в этот интервал времени больше других линейных напряжений. В интервал времени t2 – 3 открыты диоды VD1, VD6,так как к ним приложено наибольшее в это время линейное напряжение иас, и т.д. Нетрудно видеть, что во все интервалы времени токи в нагрузочном резисторе R имеют одно и то же направление.
Из временных диаграмм (рис. 8.17,б)видно, что пульсации выпрямленного напряжения значительно меньше, чем в трехфазном выпрямителе с нейтральным выводом.
Подсчет коэффициента пульсации дает значение 0,057.
Дата добавления: 2015-08-11; просмотров: 1908;
