Операционные усилители
Операционным усилителем (ОУ) называют дифференциальный усилитель постоянного тока с большим коэффициентом усиления, предназначенный для выполнения различных операций над электрическими сигналами при работе в схемах с отрицательной обратной связью. Обычно операционный усилитель имеет три – четыре дифференциальных балансных каскадов, в качестве выходного каскада обычно используется бестрансформаторный усилитель мощности. Коэффициент усиления ОУ достигает 106. Операционные усилители изготавливаются в виде интегральных микросхем различных серий, например, серии К140. ОУ имеет два входа: неинвертирующий (Н) и инвертирующий (И). Их названия связаны с тем, что в первом случае входное напряжение находится в фазе с выходным, а во втором случае – в противофазе.
Условное графическое обозначение ОУ приведено на рис. 8.25. Значки «
» символизируют наличие очень большого коэффициента усиления у операционного усилителя. Для питания ОУ обычно используют два разнополярных источника питания +Еп1 и –Еп2. Основными характеристиками ОУ являются амплитудные (передаточные) характеристики.
|

Рис. 8.25. Условное графическое обозначение операционного усилителя

Рис. 8.26. Амплитудные характеристики ОУ на интегральной микросхеме К140УД8
по неинвертирующему входу
Амплитудные характеристики операционного усилителя на микросхеме К140УД8 по неинвертирующему входу приведены на рис. 8.26, на котором видно смещение нуля Uсм≈ 1 мВ. Смещение нуля следует принимать во внимание при применении ОУ. При больших значениях коэффициента усиления микросхемы необходимо балансировать Uсм вручную с помощью балансировочного резистора.
Параметры, характеризующие работу операционных усилителей, подразделяются на статические и динамические.
К основным статическим параметрам ОУ относятся:
1) коэффициент усиления по напряжению (
);
2) входное сопротивление (
Ом);
3) выходное сопротивление (
Ом);
4) входное напряжение смещения нуля (Uсм — единицы милливольт).
К основным динамическим параметрам ОУ следует отнести:
1) частота единичного усиления f1, т.е. частота на которой КU = 1(f1 — единицы и десятки мегагерц);
2) скорость нарастания выходного напряжения (
В/мкс);
3) время установления выходного напряжения (
мкс).
Для построения различных усилителей применяют операционные усилители с отрицательной обратной связью. В зависимости от того, на какой из входов подается усиливаемое напряжение, различают неинвертирующий и инвертирующий усилители.
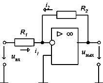
В неинвертирующем усилителе (рис. 8.27) входное напряжение подается на неинвертирующий вход, а с выхода усилителя через делитель R1, R2 на инвертирующий вход подается напряжение отрицательной обратной связи. Обычно выполняются условия R2 >> Rвых и R1 < Rвх.
Для идеального ОУ (
)коэффициент усиления неинвертирующего усилителя можно найти из следующего соотношения:
откуда
(8.10)

Рис. 8.27. Схема неинвертирующего усилителя

Рис. 8.28. Схема инвертирующего усилителя
При построении инвертирующего усилителя (рис. 8.28) входное напряжение и напряжение обратной связи подаются одновременно на инвертирующий вход, а другой вход (неинвертирующий) обычно заземлен. Для идеального ОУ, когда можно пренебречь входным током iвх. оу, входной ток i1 инвертирующего усилителя примерно равен току обратной связи i2. С учетом направлений токов на схеме (рис. 3.39) справедливо принять уравнение i1 = – i2. Поскольку для идеального ОУ потенциалы инвертирующего и неинвертирующего входов можно считать одинаковыми, то можно считать, что uвх = R1 i1, uвых = R2 i2, а следовательно, uвх / R1 = – uвых / R2. Из этого уравнения следует:
(8.11)
Таким образом, коэффициент усиления неинвертирующего и инвертирующего усилителей зависит только от соотношения сопротивлений резисторов R1 и R2 и не зависит от коэффициента усиления самого операционного усилителя. Поэтому коэффициент усиления таких усилителей очень стабилен. Выбирая соответствующим образом значения сопротивлений R1 и R2 можно обеспечить необходимый коэффициент усиления
и KUи.

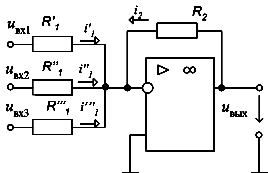
Рис. 8.29. Схема сумматора
На основе ОУ можно построить устройства, выполняющие любые математические операции, например, сумматоры. Для этого несколько входных сигналов (например, три на рис. 8.29) через резисторы с одинаковыми сопротивлениями R1, одновременно подаются на инвертирующий вход ОУ. Полагая, что входной ток iвх. оу ≈ 0, можно составить уравнения по первому закону Кирхгофа:
i'1 + i''1 + i'''1 = – i2.(8.12)
Учитывая, что i1 = uвх1/R'1, i''1 = uвх2/R''1, i'''1 = uвх3/R'''1, а i1 = uвх/R2, получим
(8.13)
Таким образом, выходное напряжение пропорционально сумме входных напряжений.
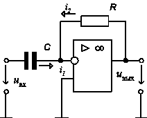
На рис. 8.30 изображена схема дифференцирующего усилителя. Нетрудно показать, что для идеального ОУ: i1 = Сduвх /dt, а i2 = uвых / R, поэтому, учитывая, что i1 = –i2 , получим
uвых = –R С duвх/dt. (8.14)
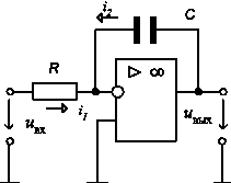
Для интегрирующего усилителя (интегратора) (рис. 8.31) справедливы соотношения: i1 = uвх/ R и i2 = Сd uвых /dt , поэтому
(8.15)

Рис. 8.30. Схема дифференцирующего усилителя

Рис. 8.31. Схема интегрирующего усилителя
Интеграторы часто используются в генераторах линейно изменяющегося напряжения (ГЛИН), так как при подаче на их вход постоянного напряжения на выходе интегратор можно получить линейно изменяющееся напряжение.
Избирательные усилители.Операционные усилители могут использоваться для создания специальных избирательных усилителей с очень узкой полосой пропускания, предназначенных для выделения «полезных» сигналов определенной частоты. У таких усилителей отношение верхней и нижней граничных частот составляет fв.гр / fн.гр = 1,001
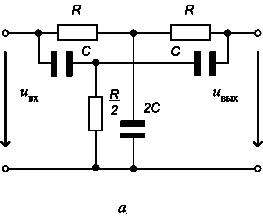
1,1. Такой усилитель можно построить на основе ОУ с использованием в цепи обратной связи различных частотно-зависимых RС-звеньев. Примером может служить двойной Т-образный мост, схема которого приведена на рис. 8.32,б.
Можно показать, что коэффициент передачи двойного Т-образного моста β = Ůо.с / Ůвых резко зависит от частоты. При
,
, так как на очень низких частотах сопротивления конденсаторов становятся большими и все напряжение uвых через «верхний» ординарный Т-образный мост (R, 2С, R) передается на вход усилителя в виде напряжения обратной связи Uo.c.На очень высоких частотах при
,
вследствие того, что сопротивления конденсаторов становятся малыми и все напряжение через «нижний» ординарный Т-образный мост (С, R/2, С) передается на вход усилителя.
На квазирезонансной частоте
коэффициент передачи β = 0, поскольку на этой частоте каждый из одинарных Т-образных мостов, из которых состоит двойной Т-образный мост, имеет равные по модулю и противоположные по фазе коэффициенты передачи и их выходные токи взаимно компенсируются, так что uо.с = 0. Частотная зависимость коэффициента передачи двойного Т-образного моста приведена на рис 8.32,б.
|
|
|
Рис. 8.32. Схема двойного Т-образного моста (а) и частотная зависимость
его коэффициента передачи (б)

Рис. 8.33.Схема избирательного усилителя с двойным Т-образным мостом в цепи
отрицательной обратной связи
Коэффициент усиления избирательного усилителя с двойным Т-образным мостом в цепи отрицательной обратной связи (рис. 8.33) выражается через параметры усилителя и цепи обратной связи
(8.16)
где β – комплексный коэффициент передачи цепи обратной связи.
Анализируя это выражение, можно установить, что на частотах ω = 0 и ω = ∞

а на квазирезонансной частоте при β = 0
Ко.с = К >> 1.
Амплитудно-частотная характеристика избирательного усилителя с двойным Т-образным мостом в цепи обратной связи показана на рис. 8.34. Она построена на основании уравнения (8.16) с учетом зависимости коэффициента передачи β от частоты.

Рис. 8.34. Амплитудно-частотная характеристика избирательного усилителя

Рис. 8.35. Схема избирательного усилителя с интегродифференцирующей обратной связью
Избирательные усилители с двойным Т-образным мостом в цепи обратной связи хорошо работают на квазирезонансных частотах от единиц герц до нескольких мегагерц. Их избирательные свойства зависят от коэффициента усиления К: чем больше этот коэффициент, тем лучше усиливается полезный сигнал по сравнению с очень низкими и очень высокими частотами. Такие избирательные усилители легко могут быть выполнены с полосой пропускания

На рис. 8.35 приведена схема избирательного усилителя с интегродифференцирующей обратной связью (R1, C1, C2, R2). Такой усилитель имеет частоту квазирезонанса
на которой значение коэффициента усиления максимально:
(8.17)
Как видно из выражения (8.17), коэффициент усиления избирательного усилителя не зависит в явном виде от коэффициента усиления КU операционного усилителя. Важно только, что КU >> 1, обычно достаточно КU > 10000
100000
Дата добавления: 2015-08-11; просмотров: 1955;
