Полевые транзисторы. Все полевые транзисторы делятся на две группы:
Все полевые транзисторы делятся на две группы:
· Транзисторы с р – началом
· Транзисторы с n – началом
Каждая из этих групп делится ещё на три:
I группа: транзисторы с управляющим р – n переходом
Обозначаются:

|
IIгруппа – полевые транзисторы с изолированным затвором(МДП – транзисторы или МОП – транзисторы), со встроенным каналом.
Обозначаются:

|
IIIгруппа – МДП и МОП транзисторы с изолированным индуцирующим каналом
Обозначаются:
|
Полевой транзистор, это полупроводниковый прибор, усилительные свойства которого обусловлены потоком основных носителей, протекающих через проводящий канал и управляемый электрическим полем.
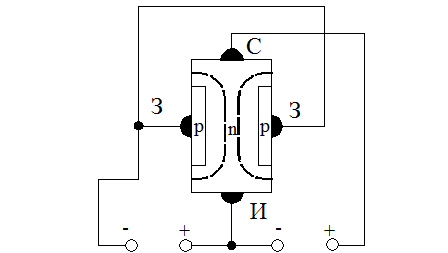
3.3.1 Полевые транзисторы с управляющим р – n переходом
Полевой транзистор с управляющим р – n переходом – это полевой транзистор управление потоком основных носителей в котором происходит с помощью выпрямляющего р – n перехода, включенного в обратном направлении.
Принцип действия:

|
Принцип действия: при отсутствии напряжения на затворе, через канал свободно течёт ток стока под действием напряжения сток – исток, то есть полевой транзистор с управляющим р – n переходом является нормально открытым прибором.
При изменении обратного напряжения на р – n переходе изменяется его толщина, а следовательно толщина области по которой проходит управляемый ток.
Область в полупроводнике, которой регулируется поток основных носителей заряда называется проводящим каналом.
Электрод через который в проводящий канал входят носители заряда, называется истоком электродов, через который из канала выходят носители заряда, называется стоком. Управляющий электрод полевого транзистора называется затвором.
Т.к управление током стока происходит при изменении обратного напряжения на р – n переходе затвора, входные токи полевых транзисторов очень малы и равны обратному току р – n перехода, поэтому потребляемая мощность от источника сигнала практически равна нулю. И следовательно входное сопротивление полевого транзистора очень высоко в этом его преимущество перед биполярным транзистором.
Дата добавления: 2015-08-04; просмотров: 1694;
