Обратная связь в усилителях (ОС).
Обратной связью в усилительном устройстве называется такая связь между каскадами усилителя, при которой часть энергии усиленного сигнала с выхода усилителя подается обратно на его вход.
Такая связь может быть полезной, если создается специально для улучшения свойств усилителя (внешняя ОС), или паразитной, если она возникает за счет нежелательного влияния различных цепей друг на друга (внутренняя ОС).

Где: К – коэффициент усиления каскада;
β – коэффициент передачи цепи обратной связи.
В общем случае сигнал обратной связи может либо суммироваться со входным сигналом, либо вычитаться из входного сигнала. В зависимости от этого различают положительную или отрицательную обратные связи. При положительной ОС входной сигнал и выходной сигнал ОС суммируются и совпадают по фазе; при отрицательной ОС – вычитаются и сдвинуты по фазе на 180º.
По способу получения сигнала ОС различают ОС по напряжению и по току.

ОС по напряжения. ОС по току.
Возможна комбинация этих способов, тогда ОС называется комбинированной.
По способу введения сигнала ОС во входную цепь различают последовательную ОС и параллельную ОС.

Параллельная ОС. Последовательная ОС.
Возможна комбинация этих способов, тогда ОС называется смешанной.
Для количественной оценки степени влияния цепи ОС используется коэффициент обратной связи β (или коэффициент передачи цепи обратной связи).
или чаще используется 
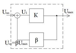
Расчет коэффициента усиления усилителя, охваченного ОС.
Для простоты будем считать, что фазовые сдвиги в цепях усилителя и цепи ОС отсутсвуют.
Усилитель с ОС

Коэффициент усиления усилителя, охваченного ОС будет:
, при этом:
Для положительной ОС имеем:



Произведение βК – называется петлевым усилением (или фактором обратной связи).
Величину 1-βК – называют глубиной обратной связи.
Для отрицательной ОС имеем:

Для любого вида обратной связи можно записать:

Знак перед β указывает на то, что β может принимать значение от 0 до +1 для ПОС, и от 0 до -1 для ООС.
При увеличении абсолютного значения β обратная связь становится более глубокой.
Если учесть возможность появления фазовых сдвигов в усилителе с коэффициентом К и цепи ОС с коэффициентом β, то К и β являются комплексными величинами.

Если
, то 
И в этом случае:
- это ООС, что показывает: коэффициент усиления усилителя, охваченного отрицательной обратной связью, уменьшается в (1+ βК) раз.
При глубокой ООС, когда βК>>1
, что указывает практически независимость Коос от К.
Если
(отсутствие сдвига фаз между Uвх и Uос), то 
И в этом случае:
- это ПОС.
Если
, то 
В реальном усилителе Кос=∞ невозможен из-за ограничений роста амплитуды выходного сигнала.
Однако, в этом случае, даже при отсутствии полезного выходного сигнала, малые флуктуационные шумовые напряжения приведут к самовозбуждению в усилителе незатухающих колебаний. Поэтому ПОС в усилителе снижает его устойчивость.
Дата добавления: 2015-08-04; просмотров: 1014;
