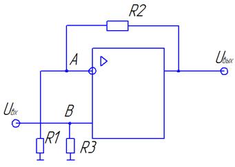
Неинвертирующее включение.


Повторитель напряжения на ОУ.

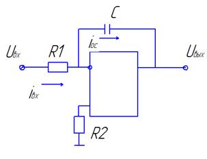
Интегратор на ОУ.


Дифференциатор на ОУ.

Сумматор на ОУ.

Взаимное влияние входных сигналов Uвх1, Uвх2, …, Uвхn исключено, т.к. инвертирующий вход имеет практически нулевой потенциал.
Если

Дата добавления: 2015-08-04; просмотров: 865;
