Схемы включения ОУ.
При построении практических схем на ОУ без ОС они не используются. Для реализации функции усиления, как правило, ОУ используются в двух вариантах включения:
- инвертирующем;
- неинвертирующем.
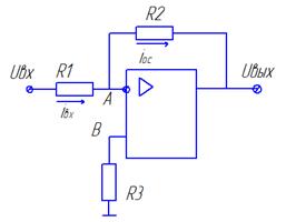
Инвертирующее включение.

(по 1-ому закону Кирхгофа),
Т.к.
при КU→
, то

Дата добавления: 2015-08-04; просмотров: 955;
