II.3. Схемы цепей питания и стабилизации
Питание цепей коллекторов.
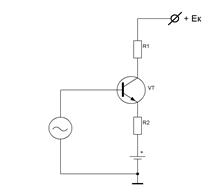
Для усиления транзистором электрических сигналов произвольной формы к его выходным электродам подключают постоянное напряжение Е от внешнего источника, называемого источником питания цепи коллектора. В качестве такого источника используется стабилизированный выпрямитель, питаемый от сети переменного тока. В переносных устройствах (радиоприёмниках, плейерах и т.п.) используют гальванические элементы или аккумуляторы. Цепи коллекторов многокаскадных усилителей питают от одного общего источника питания. Все каскады подключают к общему источнику параллельно, так как при этом влияние каждого каскада на остальные минимально. Для ослабления паразитной связи между каскадами через общий источник питания коллекторные цепи каскадов, за исключением последнего, обычно защищают развязывающими фильтрами Rф, СФ (рис.2.6).

Рис. 2.6. Питание выходных цепей усилительных элементов от общего
источника питания ЕК через развязывающие фильтры RФCФ
Подача смещения во входные цепи транзисторов.
Для установления нужного режима работы транзистора (токов покоя входной и выходной цепей усилительного каскада) между базой и эмиттером подают определённое напряжение смещения (порядка нескольких десятых долей вольта), определяемое по статическим характеристикам. У транзистора структуры р-n-р, база должна иметь отрицательный потенциал относительно эмиттера, у транзисторов структуры n-p-n – положительный потенциал. Необходимая величина смещения в цепи база – эмиттер для германиевых транзисторов лежит в пределах (0,1 ¸ 0,5) В, для кремниевых транзисторов – (0,5 ¸ 1) В.
Для упрощения схемы смещение во входные цепи транзисторов целесообразно подавать от источника коллекторного питания, так как при этом усилитель будет иметь только один источник питания. Простейшие способы подачи смещения показаны на рис.2.7.
а) б)

в)

Рис. 2.7. Способы подачи смещения на базу транзистора:
а – фиксированным током базы; б – фиксированным напряжением базы;
в – с фиксированным током эмиттера.
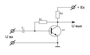
На рис.2.7а смещение на базу транзистора подаётся через резистор R1, сопротивление которого во много раз больше сопротивления участка база – эмиттер постоянному току. При этом ток смещения базы IБ0, протекающий через R1, приближённо равен IБ0 = E / R1 и не меняется при изменении температуры, старении и замене транзистора. Поэтому такой способ подачи смещения называют смещением фиксированным током. Смещение фиксированным током базы пригодно лишь для каскадов, работающих в режиме А; кроме того, такой способ смещения применяется в случаях, когда каскады усилителя работают при малых изменениях температуры (не более 10 ¸ 20°С). При больших изменениях температуры или замене транзистора этот способ не обеспечивает необходимого постоянства точки покоя; в этих случаях применяют различные способы стабилизации режима при помощи смещения, автоматически изменяющегося при изменении температуры или замене транзистора.
На рис.2.7б смещение на базу подаётся от делителя напряжения, образуемого резисторами R1 и R2 , подключёнными к источнику коллекторного питания. Делитель рассчитывается таким образом, чтобы ток, протекающий через него, был в несколько раз большим, чем ток в цепи базы в режиме покоя; в этом случае напряжение смещения UБЭ0 практически не будет меняться при изменении температуры, старении и замене транзистора. Этот способ смещения называют смещением фиксированным напряжением.
Стабилизация точки покоя в транзисторных каскадах.
Ток покоя выходной цепи усилительного каскада в рабочих условиях (при изменении температуры, старении УЭ, их замене и т.д.) не должен сильно отклоняться от величины, обеспечивающей нормальную работу, т.к. иначе свойства каскада ухудшатся, и он даже может стать неработоспособным. Чрезмерное снижение тока покоя ведёт к росту нелинейных искажений, уменьшению тока, напряжения и мощности сигнала на выходе, падению усиления. Увеличение тока покоя снижает КПД каскада, приводит к перегреву УЭ и также увеличивает нелинейные искажения из-за снижения постоянной составляющей напряжения между выходными электродами.
При питании от одного источника достаточную стабильность тока выходной цепи (или, что то же самое, достаточную стабильность положения точки покоя на семействе выходных статических характеристик транзистора), обеспечивающую работоспособность транзисторных каскадов при изменении температуры и замене транзисторов, можно получить только при использовании схем стабилизации тока покоя выходной цепи (схем стабилизации точки покоя). Существует несколько способов стабилизации точки покоя.
1. Коллекторная стабилизация
а)

б)

в)

Рис.2.8. Коллекторная стабилизация точки покоя при включении
транзистора:
а – с общим эмиттером; б – с общим коллектором; в – с общей базой.
Коллекторная стабилизация наиболее проста и экономична. Стабилизация точки покоя осуществляется параллельной отрицательной обратной связью по напряжению, снимаемой с коллектора транзистора. Здесь к резистору R1 приложена разность напряжения источника питания ЕК и падения питающего напряжения на сопротивлении коллекторной нагрузки R2 (рис.2.8а) или эмиттерной нагрузки R2 (рис.2.8б). Если по какой-то причине ток покоя выходной цепи стремится возрасти, падение напряжения на R2 увеличивается, приложенное к R1 напряжение уменьшается, и ток смещения базы падает, что не даёт току покоя сильно увеличиваться. При стремлении тока покоя уменьшиться описанный процесс автоматического регулирования происходит обратным образом.
Коллекторная стабилизация хорошо действует лишь при большом падении напряжения питания на коллекторной нагрузке (порядка 0,5ЕК и выше), что можно обеспечить только в резистивном каскаде. При включении транзистора с общим эмиттером коллекторная стабилизация приводит к снижению входного сопротивления каскада и его усиления из-за прохождения усиленного сигнала через R1 во входную цепь. Для устранения этого недостатка R1 делят на две части, между которыми и общим проводом включают блокировочный конденсатор СБ большой ёмкости (рис.2.8г).
1. Эмиттерная стабилизация.
Более высокую стабильность точки покоя обеспечивает схема эмиттерной стабилизации (рис.2.9), находящая наиболее широкое применение. Эта схема может обеспечить работоспособность каскада при изменении его температуры на 70¸100°С.
а)

б)

в)

Рис.2.9. Эмиттерная стабилизация точки покоя при включении транзистора:
а – с общим эмиттером; б – с общим коллектором; в – с общей базой.
Здесь стабилизация осуществляется отрицательной обратной связью по току, снимаемой с резистора R3 , включённого в цепь эмиттера, а необходимое смещение на базу относительно эмиттера подаётся с делителя R1 - R2, подключённого параллельно источнику коллекторного питания. Для устранения влияния отрицательной обратной связи, снижающей усиление каскада в рабочей полосе частот, резистор R3 обычно шунтируют конденсатором С2 большой ёмкости. Схема эмиттерной стабилизации действует следующим образом. Если под влиянием какого-то дестабилизирующего фактора ток покоя выходной цепи увеличивается, то на резисторе R3 возрастает падение напряжения, в результате чего смещение база-эмиттер, равное в этой схеме разности напряжения на R2 и падения напряжения на R3 , уменьшается, что приводит к уменьшению выходного тока, стабилизируя его значение. Эмиттерная стабилизация хорошо действует как при большом, так и при малом падении питающего напряжения на нагрузке. Эффективность эмиттерной стабилизации тем выше, чем больше величина R3 и чем меньше сопротивление делителя R1R2.
2. Комбинированная стабилизация.
Комбинированная (коллекторно-эмиттерная) стабилизация (рис.2.10) представляет собой комбинацию рассмотренных выше способов стабилизации; она имеет место, например, при включении в каскад с эмиттерной стабилизацией резистора фильтра RФСФ и обеспечивает стабильность выходного тока даже немного большую, чем схема эмиттерной стабилизации.

Рис.2.10. Комбинированная (коллекторно-эмиттерная) стабилизация
точки покоя при включении транзистора с общим эмиттером.
Когда требуется уменьшить нестабильность положения точки покоя, вызываемую лишь изменением температуры, а не заменой транзисторов и их старением, можно использовать схемы температурной компенсации. Их применяют, когда рассмотренные выше способы стабилизации обратной связью неприемлемы, а иногда и совместно с ними.
Для температурной компенсации используют термисторы (терморезисторы с отрицательным температурным коэффициентом сопротивления), полупроводниковые диоды.
Дата добавления: 2015-07-18; просмотров: 8645;
