II.6. Режимы работы усилительных элементов.
Различают несколько режимов работы УЭ, отличающихся друг от друга своими свойствами, а поэтому имеющих различные области применения.
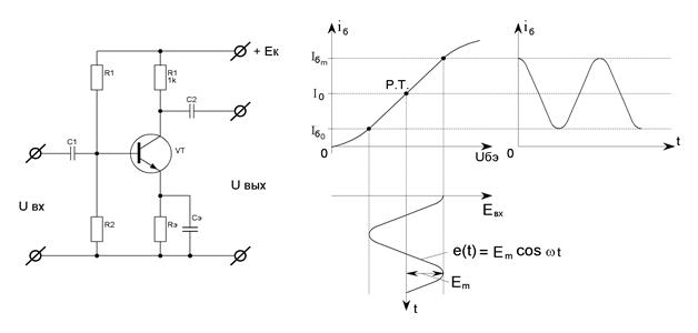
Режим А.
Режимом А называют такой режим работы УЭ или усилительного каскада, при котором ток в выходной цепи существует в течение всего периода сигнала и крайние положения рабочей точки не выходят за пределы рабочей, сравнительно прямолинейной части динамических характеристик (рис.2.19).

Рис.2.19. Работа усилительного элемента в режиме А.
При входном сигнале, имеющем оба полупериода одинаковой амплитуды, для обеспечения сказанного точка покоя должна находиться в середине линейного участка характеристики, что достигается подачей соответствующего напряжения смещения во входную цепь.
Основным достоинством режима А является малый коэффициент гармоник, так как здесь используется линейная часть характеристик УЭ, в результате чего форма выходного тока почти не отличается от формы входного сигнала. Недостатком режима А является низкий КПД, обусловленный тем, что ток покоя остаётся большим как при наличии, так и при отсутствии сигнала на входе усилителя.
Режим А применяется для усиления сигналов любой формы в однотактных и двухтактных каскадах предварительного усиления, а также каскадах мощного усиления с небольшой выходной мощностью, где использование двухтактной схемы нецелесообразно. В каскадах мощного усиления с выходной мощностью выше нескольких ватт режим А не применяют из-за низкого КПД.
Режим В.
Режимом В называют такой режим работы, при котором ток в выходной цепи усилителя существует в течение половины периода сигнала (рис.2.20).
а)

б)

Рис 2.20. Работа усилительного элемента в режиме В.
а) – идеальный режим работы; б) – реальный режим работы
При прямолинейной входной динамической характеристике (рис.2.20а) ток покоя в режиме В равен нулю; при подаче на вход косинусоидальной ЭДС е(t) = ЕM × cos wt выходной ток прекратится в точке wt = p/2. Угол, соответствующий половине той части периода, в течение которой в коллекторной цепи протекает ток, называется углом отсечки и обозначается буквой q. Следовательно, при идеальном режиме В угол отсечки q = p/2 = 90°, а выходной ток существует в течение полупериода. Однако в действительности из-за нижнего изгиба характеристики ток покоя I0 в режиме В оказывается не равным нулю, а составляет 3 ¸ 15% от максимального значения выходного тока, при этом угол отсечки немного превышает 90°. Выбор рабочей точки усилительного элемента определяется величиной напряжения смещения, подаваемого на его управляющий электрод. Из-за того, что угол отсечки превышает 90°, его иногда называют режимом АВ, так как он является как бы промежуточным между режимом А и идеальным режимом В.
Математический анализ (разложение выходного тока в ряд Фурье), показывает, что в составе выходного тока сигнала каскада, работающего в режиме В, содержится постоянная составляющая, первая гармоника и чётные гармоники входного напряжения.
Вследствие малой величины тока покоя, КПД каскада, работающего в режиме В, значительно выше, чем при режиме А. Но большой процент содержания чётных гармоник в выходном токе позволяет использовать режим В в однотактных схемах усиления гармонических сигналов лишь при резонансном усилении узкой полосы частот, когда нагрузкой каскада является параллельный резонансный контур, настроенный на основную частоту сигнала (или одну из его гармоник при умножении частоты). Режим В в однотактных схемах пригоден также для усиления импульсных сигналов одной полярности.
В усилителях гармонических сигналов различных частот, а также в усилителях биполярных импульсных сигналов использование режима В возможно только в двухтактных схемах. В этом случае одно плечо схемы работает в течение положительного полупериода сигнала, а другое – отрицательного, и форма сигнала на нагрузке при прямолинейной характеристике не отличается от формы ЭДС источника сигнала (рис.2.21).

Рис. 2.21. Усиление гармонических сигналов произвольной формы
двухтактным каскадом в режиме В:
а) форма входного сигнала; б) ток выходной цепи первого плеча;
в) ток выходной цепи второго плеча; г) ток в нагрузке.
Вследствие непрямолинейности реальных динамических характеристик и различий параметров УЭ и деталей в плечах двухтактной схемы режим В даёт нелинейные искажения как по чётным, так и по нечётным гармоникам. Коэффициент гармоник двухтактного каскада в режиме В оказывается выше, чем в режиме А, вследствие использования большего участка характеристик УЭ, включая и криволинейный.
Из-за высокого КПД режим В широко применяется в каскадах мощного усиления гармонических сигналов различных частот или биполярных импульсных сигналов при выходной мощности выше 3 ¸ 5 Вт.
Режим С.
Режимом С называют режим работы, при котором ток в выходной цепи усилителя протекает в течение меньше половины периода сигнала. Точка покоя в режиме С располагается на горизонтальной оси левее точки пересечения спрямлённой (идеальной) характеристики с горизонтальной осью (рис.2.22).

Рис 2.22. Работа усилительного элемента в режиме С.
При этом ток в выходной цепи при отсутствии сигнала или малой его амплитуде равен нулю. Угол отсечки выходного тока в режиме С меньше 90°. Математический анализ показывает, что в выходном токе присутствуют, кроме постоянной составляющей, чётные и нечётные гармоники. Применять режим С для двухтактного усиления гармонических сигналов произвольной формы нельзя, так как входной сигнал искусственно ограничивается снизу в обоих полупериодах, и поэтому в выходной цепи получить сигнал той же формы, что и на входе, нельзя. Однако этот режим применяется в однотактных схемах для усиления прямоугольных импульсов одной полярности.
Из-за отсутствия тока покоя КПД режима С выше, чем режима В, и достигает 80% и более. Поэтому режим С широко применяют в мощных резонансных усилителях радиопередающих устройств, где нагрузкой является параллельный резонансный контур, настроенный на частоту подаваемого на вход синусоидального колебания или на одну из его высших гармоник.
Режим D (ключевой режим).
Режимом D, или ключевым режимом, называют такой режим работы УЭ, при котором он во время работы находится в двух состояниях: закрытом, и тогда текущий через него ток равен нулю, или открытом, и тогда падение напряжения на нём близко к нулю. В таком режиме потери энергии в УЭ ничтожны, так как в обоих состояниях выделяющаяся в нём энергия очень мала, а поэтому КПД усилительного каскада близок к единице. Ключевой режим чаще всего используется в импульсной технике для генерирования прямоугольных импульсов (триггеры, блокинг-генераторы).
Дата добавления: 2015-07-18; просмотров: 4674;
