II.5. Типы усилительных каскадов
Несимметричные (однотактные) каскады.
Схемы усилительных каскадов, содержащие один или несколько параллельно включённых УЭ, на вход которых подают одно входное напряжение сигнала, и с выхода которых снимают одно выходное напряжение, называют однотактными каскадами.
Транзистор и электронная лампа – трёхполюсные устройства, у которых один из проводов входной цепи объединён с проводом выходной цепи в так называемый общий провод. Потенциал сигнала на общем проводе относительно «земли» (поверхности нулевого потенциала) считают равным нулю, так как этот провод обычно соединяют с шасси (металлическим корпусом) прибора, имеющим относительно земли большую электрическую ёмкость. Поэтому входная и выходная цепи однотактных усилительных каскадов несимметричны относительно поверхности нулевого потенциала, т.е. однотактные каскады имеют несимметричные вход и выход.
Если необходимо сделать вход однотактного каскада симметричным, можно включить во входную цепьсимметрирующий трансформатор с первичной обмоткой, имеющей две одинаковые половины (рис.2.15а), точка соединения которых не имеет потенциала сигнала относительно общего провода.
а) б)

Рис.2.15. Симметрирование цепей:
а) симметрирование входной цепи трансформатором;
б) симметрирование выходной цепи трансформатором.
Этого можно добиться, соединив её с общим проводом. Точно так же можно сделать симметричным выход однотактного каскада, включив в его выходную цепь трансформатор с симметричной вторичной обмоткой (рис.2.15б). Однако симметрирование цепей трансформатором из-за сравнительно узкой полосы пропускаемых им частот невозможно в широкополосном усилителе.
Симметричные (двухтактные) каскады.
Каскады, содержащие два УЭ или две группы параллельно включённых УЭ, работающих на общую нагрузку, называются двухтактными каскадами.
Токи сигнала в выходной цепи двухтактного каскада имеют противоположное направление, т.е. при синусоидальном сигнале токи сдвинуты на 180°.
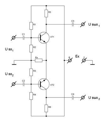
Простейшие двухтактные каскады представляют собой как бы два одинаковых однотактных каскада, работающих в противофазе. Объединяют эти два каскада общий провод и единый источник питания. Эти однотактные каскады образуют плечи двухтактной схемы, симметричные относительно общего провода (рис.2.16а, б).
а)

б)
Рис. 2.16. Двухтактные каскады:
а) резисторный с транзисторами в режиме А с общим эмиттером
и эмиттерной стабилизацией;
б) трансформаторный с транзисторами в режиме В с общей базой
и смещением фиксированным напряжением.
Такие двухтактные каскады при использовании в них гальванической или резисторной связи позволяют осуществить малогабаритные и недорогие схемы с симметричным входом и выходом, имеющие очень широкую полосу рабочих частот. Наличие одинаковых деталей в плечах двухтактной схемы позволяет многие из них объединить, а некоторые даже исключить. Кроме симметричности входа и выхода, двухтактные каскады обладают другими полезными качествами; в них компенсируются:
1. Чётные гармоники, вносимые усилительными элементами;
2. Помехи (в том числе и фон), поступающие на каскад от источника питания и других источников помех;
3. Нечётные гармоники тока сигнала в источнике питания и идущих от него к каскаду проводах;
4. Постоянное подмагничивание сердечника выходного трансформатора.
Эти преимущества настолько существенны для мощных усилителей, что, несмотря на применение двух усилительных элементов и усложнение схемы, транзисторные каскады мощного усиления с выходной мощностью более 2 ¸ 3 Вт почти всегда делают двухтактными.
Двухтактные схемы также применяют в каскадах мощного усиления широкополосных усилителей и в широкополосных выходных каскадах, работающих на симметричную нагрузку, когда использование трансформаторов невозможно из-за их ограниченной полосы пропускания.
Так как выходное напряжение двухтактного каскада представляет собой разность выходных напряжений его плечей, всевозможные наводки на цепи схемы, а также фон и помехи от источников питания, попадая синфазно в оба плеча, компенсируются.
На практике все двухтактные схемы никогда не обладают идеальной симметрией (разброс параметров УЭ, радиокомпонентов, и др.). Поэтому чётные гармоники, фон и помехи в двухтактных схемах не уничтожаются, а лишь уменьшаются. Простейшие меры обеспечения симметрии плечей, фон, наводки и чётные гармоники в выходной цепи двухтактной схемы снижаются в 3 ¸ 5 раз, а при специальном симметрировании плечей – в 10 ¸ 20 раз по сравнению с однотактной схемой.
Инверсные каскады.
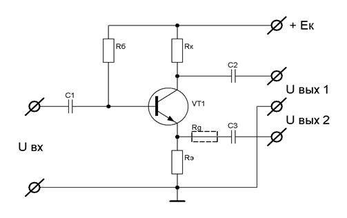
Двухтактные схемы требуют подачи на вход двух одинаковых по величине напряжений сигнала противоположной полярности, т.е. симметричного напряжения. С другой стороны, однотактные схемы имеют несимметричное выходное напряжение, так как у них одним из выходных проводов является провод нулевого потенциала (общий провод). Поэтому для передачи сигнала от однотактных схем к двухтактным применяют специальные каскады, имеющие несимметричный вход и симметричный выход и называемые инверсными каскадами. Инверсные каскады также используют в качестве выходных каскадов в усилителях, работающих на симметричную нагрузку. Простейшим способом передачи сигнала с выхода однотактного каскада на вход двухтактного является включение между ними трансформатора с симметричной вторичной обмоткой. Однако в микроэлектронной схемотехнике трансформаторы практически не применяются. Поэтому в современной усилительной технике применяют бестрансформаторные инверсные каскады. Чаще всего применяются каскады с разделённой нагрузкой (рис.2.17).

Рис. 2.17. Инверсный каскад с разделённой нагрузкой.
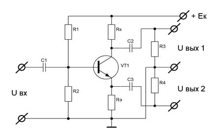
В этом каскаде нагрузка разделена на две части,включаемые в цепи коллектора и эмиттера. При равенстве токов сигнала в коллекторной и эмиттерной цепях и равенстве сопротивлений нагрузки RК и RЭ напряжение на резисторах нагрузки будет одинаковым. Подключив через разделительные конденсаторы С2 и С3 (рис.2.18) симметричную нагрузку, получим на ней симметричное относительно общего провода выходное напряжение, складывающееся из двух одинаковых по величине и противоположных по знаку напряжений UВЫХ.1 и UВЫХ.2.

Рис.2.18. Получение симметричных сигналов в каскаде с разделённой
нагрузкой.
Достоинства инверсного каскада с разделённой нагрузкой:
· Использование лишь одного усилительного элемента;
· Очень хорошие частотная, фазовая и переходная характеристики на верхних частотах из-за глубокой отрицательной обратной связи;
· Малый коэффициент гармоник.
Недостатки инверсного каскада с разделённой нагрузкой:
· Отсутствие усиления напряжения сигнала, так как нижнее плечо схемы представляет собой эмиттерный повторитель;
· Вдвое меньшее максимальное выходное напряжение по сравнению с обычным резистивным каскадом, так как развиваемое транзистором напряжение сигнала здесь делится пополам.
· Большое различие выходных сопротивлений плечей схемы.
Инверсный каскад с разделённой нагрузкой применяют в широкополосных усилителях гармонических и импульсных сигналов, а также в усилителях звуковых частот как переходный каскад между однотактной и двухтактной схемами.
В транзисторном инверсном каскаде с разделённой нагрузкой в нижнее плечо, имеющее очень низкое выходное сопротивление, иногда включают последовательно добавочное сопротивление RД для выравнивания выходных сопротивлений плечей (рис.2.17), так как их неравенство при работе каскада на нелинейную нагрузку может сильно увеличить нелинейные искажения. При наличии резистора RД для получения симметричного входного напряжения на транзисторах оконечного каскада сопротивление резистора RЭ берут больше RК.
Существуют и другие схемы инверсных каскадов.
Дата добавления: 2015-07-18; просмотров: 4500;
