VIII.5. Дифференциальный усилитель.
Дрейф нуля практически отсутствует в схемах параллельно-балансных УПТ, называемых дифференциальными усилителями.
Дифференциальным усилителем (ДУ) называется устройство, усиливающее разность двух напряжений. В идеале выходное напряжение такого усилителя пропорционально только разности напряжений, приложенных к двум его входам, и не зависит от их абсолютной величины. Структурная схема ДУ показана на рис.8.7.

Рис. 8.7. Структурная схема дифференциального усилителя.
Интегральные ДУ строятся по принципу уравновешенного моста, схема которого показана на рис.8.8. 
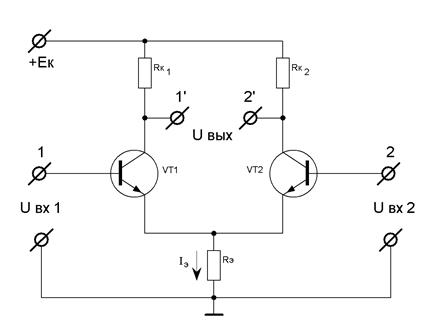
Рис.8.8. Дифференциальный усилитель.
В этой схеме мост образован идентичными транзисторами VT1 , VT2 и резисторами RK1, RK2. (Во всех ИМС роль резисторов выполняют динамические сопротивления – определённым образом включённые транзисторы).
В одну диагональ моста введены два источника питания: +ЕК1 =½-ЕК2½ и источник стабильного тока IЭ. Источник стабильного тока создаёт в общей цепи эмиттеров транзисторов неизменный суммарный ток
IЭ=IЭ1+ IЭ2 =Const. ………… (8.1)
При отсутствии входных сигналов мост уравновешен, и выходное напряжение усилительного каскада UВЫХ = 0.
ДУ работает следующим образом. Пусть на оба входа ДУ подаются одинаковые (синфазные) сигналы. При одновременном увеличении или уменьшении амплитуд синфазных сигналов на входах усилителя коллекторные токи обоих транзисторов и напряжения на их коллекторах изменятся соответственно на одни и те же величины. Выходное же напряжение UВЫХ, определяемое разностью коллекторных напряжений транзисторов, будет по-прежнему равным нулю. Значит, ДУ синфазные сигналы не усиливает, но подавляет их.
Проанализируем теперь реакцию ДУ на разностные (дифференциальные) сигналы. Пусть сигнал на входе UВХ1 получил положительное приращение, а сигнал UВХ2 – равное, но отрицательное приращение. В этом случае коллекторный ток транзистора VT1 увеличится, а коллекторный ток VT2 уменьшится точно на такую же величину. Соответствующим образом изменятся и потенциалы на коллекторах транзисторах, что приведёт к изменению напряжения на выходе ДУ.
Пусть выходной сигнал в схеме рис.8.8 снимается с выхода UВЫХ2, входной сигнал подключён к входу UВХ2, а вход UВХ1 заземлён. При подаче на вход UВХ2 положительного приращения усиливаемого напряжения DUВХ2 увеличатся коллекторный ток IК2 и падение напряжения DUК2 = IК2×RК2 на резисторе RК2. Выходное (коллекторное) напряжение UВЫХ2 = EК1 – IК2×RК2 при этом уменьшится и окажется в противофазе с входным. Поэтому вход UВХ2 по отношению к выходу UВЫХ2 называют инвертирующим.
Теперь допустим, что входной сигнал подаётся на вход UВХ1, а вход UВХ2 ДУ заземлён. При увеличении входного сигнала возрастает ток эмиттера IЭ1 транзистора VT1, а ток эмиттера IЭ2 транзистора VT2 уменьшится (поскольку IЭ = IЭ1 + IЭ2) в соответствии с выражением (8.1). При этом ток коллектора IК2 транзистора VT2 и падение напряжения на резисторе RК2 уменьшатся, а выходное напряжение UВЫХ2 увеличится. Таким образом, выходное напряжение UВЫХ2 оказалось в фазе с входным UВХ1. Поэтому вход UВХ1 по отношению к выходу UВЫХ2 называют неинвертирующим.
Как правило, ДУ применяют для сравнения с высокой точностью значений или разности двух напряжений, что и объясняет название «дифференциальный усилитель».
Параметры ДУ.
Вернёмся к структурной схеме ДУ (рис.8.8).
У идеального ДУ коэффициент передачи разностного (дифференциального) сигнала равен отношению разности напряжений на выходе к разности напряжений на входе:
КР = UВЫХ.12 / (UВХ.1 - UВХ.2) ……………….. (8.2),
где UВЫХ.12 = UВЫХ.1 - UВЫХ.2 – напряжение на зажимах симметричного выхода;
UВХ.1 и UВХ.2 – соответственно напряжения на первом и втором входа усилителя.
Если выходное напряжение снимается с одного из несимметричных выходов, то при снятии напряжения с первого выхода коэффициент усиления разностного сигнала:
КР1 = DUВЫХ.1 / (UВХ.1 - UВХ.2) ……….. (8.3),
где DUВЫХ.1 – приращение напряжения на первом выходе, вызванное разностью
входных напряжений UВХ,1 – UВХ.2 .
Аналогично при снятии напряжения со второго входа коэффициент усиления разностного сигнала:
КР2 = UВЫХ.2 / (UВХ.1 – UВХ.2) …………… (8.4),
где DUВЫХ.2 – приращение напряжения на втором выходе, вызванное разности входных напряжений UВХ.1 - UВХ.2 .
При симметрии схемы выполняются условия:
DUВЫХ.2 = – DUВЫХ.1; DUВЫХ.1 – DUВЫХ.2 = DUВЫХ.1 – (- DUВЫХ.1) = 2DUВЫХ.1, откуда следует:
КР1 = - КР2 = КР / 2 ……………………… (8.5).
Однако реальный усилитель не обладает идеальной симметрией, в результате чего напряжение на выходе зависит не только от разности, но и от суммы входных сигналов. При этом полусумма входных сигналов называется синфазным сигналом. Таким образом, выходное напряжение реального усилителя будем считать равным
UВЫХ.12 = КР ×(UВХ.1 – UВХ.2) + КС ×(UВХ.1 + UВХ.2) / 2 ……… (8.6),
где КР – коэффициент усиления разностного (дифференциального) напряжения, равный отношению приращения напряжения на выходе к разностному (дифференциальному) напряжению на входе при суммарном напряжении
UВХ1 + UВХ.2 = 0.
Коэффициент КС , входящий в выражение (8.6), называют коэффициентом передачи синфазного сигнала. Положив в выражении (8.6) UВХ1 = UВХ.2 и сделав простые преобразования, получим:
КС = UВЫХ.12 / [(UВХ.1 + UВХ.2) / 2] ………………… (8.7).
Этот коэффициент равен отношению напряжения на выходе к синфазному входному напряжению (UВХ.1 + UВХ.2) / 2 при разностном напряжении на входе, равном нулю.
Качество ДУ (его приближение к идеальному) оценивается коэффициентом ослабления синфазного сигнала, равным отношению коэффициентов передачи (коэффициентов усиления) разностного и синфазного сигналов:
КОС.СФ =КР / КС …………………………….. (8.8).
В идеальном случае КС = 0, в реальном – порядка единицы. У хороших дифференциальных усилителей КОС СФ = 105 ¸ 106, что составляет 100 – 120 дБ.

Рис. 8.9. Схема транзисторного дифференциального усилителя.
Дифференциальный усилитель, собранный на транзисторах, показан на рис.8.9. Схема собрана на двух одинаковых транзисторах с общим резистором RЭ, включённым в их эмиттерную цепь. На выходе схемы между зажимами 1¢ и 2¢ можно получить напряжение, пропорциональное разности напряжений, приложенным к входным зажимам. Можно показать, что схема имеет тем большую симметрию, чем больше общее сопротивление для переменного тока будет иметь величина RЭ. Поэтому в реальных схемах ДУ в общую эмиттерную цепь ставят последовательно транзистор, обладающий большим внутренним сопротивлением переменному току и играющим роль источника стабильного тока. Замена резистора RЭ транзистором позволяет при таком же сопротивлении постоянному току обеспечить для переменного тока сопротивление, большее в 10 – 100 раз.
Дифференциальный усилитель в интегральном исполнении.
Дифференциальный усилитель, реализованный на дискретных элементах, требует тщательного подбора транзисторов с очень близкими параметрами плечей схемы. При сильно различающихся параметрах схема ДУ будет неработоспособной, так как один из транзисторов с большим коэффициентом усиления тока своим эмиттерным током через эмиттерное сопротивление запирает другой транзистор. Но даже при точном подборе элементов схемы ДУ на дискретных элементах имеет температурные параметры, значительно худшие, чем ДУ в интегральном исполнении. В интегральном ДУ транзисторы и резисторы близки по своим температурным параметрам, так как они изготовлены в едином технологическом процессе. Кроме того, они расположены настолько близко друг к другу, что при изменении окружающей температуры и разогреве схемы от протекающих токов их температура практически одинакова. Одна микросхема может содержать один или несколько каскадов ДУ для увеличения коэффициента усиления.
Дифференциальные усилители могут применяться как в качестве самостоятельного элемента схемотехники, так и в качестве входных каскадов операционных усилителей.
Контрольные вопросы:
1. Дайте определение усилителя постоянного тока (УПТ). Где применяются УПТ?
2. Дайте определение понятию «дрейф нуля» усилителя. Как сказывается дрейф нуля на качество работы УПТ?
3. Способы уменьшения дрейфа нуля усилителя.
4. Принцип работы УПТ с преобразованием.
5. Принцип работы дифференциального УПТ и его достоинства.
6. Достоинства дифференциального усилителя в интегральном исполнении.
Дата добавления: 2015-07-18; просмотров: 2661;
