III.4. Усилительные каскады с обратной связью.
1. Последовательная обратная связь по току.
Принципиальная схема каскада с последовательной ОС по току показана на рис.3.14.

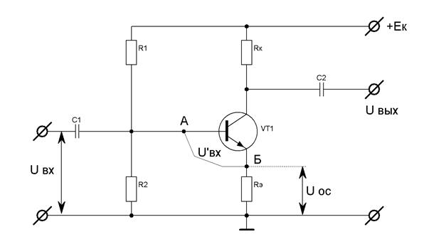
Рис. 3.14. Каскад с последовательной обратной связью по току.
При поступлении сигнала на вход усилителя в его выходной цепи возникает ток, переменная составляющая которого на резисторе RЭ создаёт напряжение, являющееся напряжением обратной связи (UОС). Это напряжение через резистор R2 подаётся на вход усилителя в противофазе с напряжением входного сигнала UВХ. Следовательно, входное напряжение усилителя U¢ВХ. С учётом действия ОС уменьшается. Если пренебречь падением напряжения на переходном конденсаторе С1, то можно считать, что входное напряжение UВХ. полностью приложено к входным зажимам резистора R2. Относительно точек А и Б два напряжения UВХ. и UО.С. включены последовательно, значит в схеме действует последовательная ОС. Величина ОС характеризуется значением UОС.. Чем больше это напряжение, тем больше (говорят «глубже») ОС.. На средних частотах можно считать, что UО.С. = IО.С.× RЭ, т.е. напряжение ОС пропорционально величине тока IОС.. Поэтому такая ОС называется ОС по току. Применим правила определения типа ОС. Для определения способа снятия ОС мысленно разорвём цепь нагрузки усилителя RК. При этом ток через транзистор прекращается, и напряжение ООС, снимаемое с резистора RЭ, исчезает. Следовательно, в схеме действует ООС по току.
2.Последовательная обратная связь по напряжению.
Принципиальная схема усилителя с последовательной ОС по напряжению показана на рис. 3.15.

Рис. 3.15. Каскад с последовательной обратной связью по напряжению.
В этой схеме петлёй ОС охвачены два каскада – оконечный и предоконечный. Последовательная ОС по напряжению создаётся в цепи, состоящей из вторичной обмотки выходного трансформатора и резисторов R¢Э и RОС. При подаче сигнала на вход усилителя на зажимах вторичной обмотки трансформатора Тр2 появляется напряжение UВЫХ. Это напряжение в цепи резисторов R¢Э и RОС создаст ток обратной связи IОС, который вызовет на резисторе R¢Э падение напряжения UОС..Это напряжение через резистор R2 подаётся на вход усилителя в противофазе с напряжением входного сигнала и, следовательно, входное напряжение усилителя уменьшится:
U¢ВХ = UВХ – UОС,
что подтверждает наличие в схеме ООС.
Если пренебречь падением напряжения на переходном конденсаторе С1, то можно считать, что так же как и в схеме рис.3.14, входное напряжение UВХ приложено к зажимам резистора R2. Относительно точек А и Б, показанных на схеме, два напряжения UОС и UВХ включены последовательно. Таким образом, в схеме действует последовательная ООС. Величина ОС характеризуется значением UОС. На средних частотах можно считать, что для схемы рис.3.15
UОС = IОС × R¢Э = UВЫХ× R¢Э / (R¢Э + RОС).
Отсюда видно, что напряжение обратной связи находится в прямой зависимости от величины выходного напряжения. Поэтому такая ОС называется связью по напряжению. Применим правила определения типа ОС. Мысленно замкнув накоротко цепь нагрузки оконечного каскада, увидим, что напряжение ОС исчезает, что подтверждает наличие в схеме рис.3.15 обратной связи по напряжению.
Включение трансформаторов Тр1 и Тр2 делается таким образом, что при любой полярности входного сигнала напряжение ОС на резисторе R¢Э будет той же полярности, т.е. UВХ и UОС всегда будут включены встречно, что говорит о наличии отрицательной ОС.
3. Параллельная обратная связь по току.
В качестве примера параллельной ОС по току рассмотрим распространённую схему стабилизации транзисторного усилителя постоянного тока (УПТ),
изображённую на рис.3.16.

Рис.3.16. Каскад с параллельной обратной связью по току.
Схема работает следующим образом.
Пусть в силу каких-либо причин ток, протекающий через нагрузку RН, увеличился. Тогда ток IК2 через транзистор VT2 становится меньше. Это приводит к уменьшению падения напряжения на резисторе RЭ, что приведёт к уменьшению напряжения на базе транзистора VT1. Вследствие этого ток IК1, протекающий через транзистор VT1, уменьшится, а напряжение на коллекторе VT1 возрастёт. Увеличение напряжения на коллекторе приведёт к повышению напряжения на базе VT2 , что, в свою очередь, вызовет увеличение тока IК2. Замыкание цепи ООС происходит следующим образом:
-DIK2 ® -DUЭ2 ® -DUБ1 ® -DIК1 ® +DUК1 ® +DUБ2 ® +DIК2 .
4. Параллельная обратная связь по напряжению.
В качестве примера рассмотрим схему, изображённую на рис.3.17.

Рис. 3.17. Каскад с параллельной обратной связью по напряжению.
Это схема транзисторного усилителя с коллекторной температурной стабилизацией тока. Параллельная ОС здесь создаётся за счёт резистора R1, включённого между коллектором и базой транзистора. При подаче сигнала на вход усилителя в выходной цепи его появляется ток, переменная составляющая которого протекает по двум параллельным цепям: через RК (это ток IК) и через цепь делителя напряжения R1, R2 (это ток обратной связи IОС). Проходя через резисторы R1 и R2 , ток IОС создаёт падение напряжения на R2, являющееся напряжением ОС. На этом же резисторе создаётся также падение напряжения от входного сигнала UВХ. Так как эти два напряжения UВХ и UОС по переменной составляющей включены параллельно, то эта обратная связь является параллельной. При подаче на вход положительного сигнала ток IК увеличивается, а напряжение на коллекторе уменьшается. Это уменьшение напряжения через резистор R1 передаётся на базу, поэтому напряжения UВХ и UОС будут находиться в противофазе, следовательно, напряжение между точками А и Б уменьшается:
U¢ВХ.= UАБ = UВХ - UОС ,
что подтверждает наличие в схеме отрицательной ОС. То же самое происходит, если на входе усилителя появляется отрицательный сигнал, т.е. и в этом случае напряжение на входе и напряжение ОС будут в действовать в противофазе. Глубина ОС зависит от величины напряжения UОС. Чем больше это напряжение, тем глубже обратная связь. На средних частотах можно считать, что UОС = IОС × R2 » UВЫХ.× R2 / (R1 + R2). Таким образом, напряжение ОС находится в прямой зависимости от величины выходного напряжения, следовательно, в этой схеме действует ОС по напряжению. Если применить правило определения вида ОС, то можно увидеть, что при мысленном замыкании накоротко нагрузки RК напряжение ОС пропадает, что подтверждает наличие ОС по напряжению.
Контрольные вопросы:
1. Дайте классификацию видов и способов обратной связи.
2. Для каких целей применяется положительная и отрицательная обратная связь в усилителях?
3. Нарисуйте модель схемы отрицательной обратной связи по току и по напряжению.
4. Нарисуйте модель схемы последовательной и параллельной отрицательной обратной связи.
5. Каким образом влияет отрицательная обратная связь на качественные показатели усилителей?
6. Нарисуйте (желательно по памяти) схему усилителя с эмиттерной температурной стабилизацией рабочей точки и определите вид и способ обратной связи в каскаде.
7. Нарисуйте (желательно по памяти) схему усилителя с коллекторной температурной стабилизацией рабочей точки и определите вид и способ обратной связи в каскаде.
Задачи и упражнения:
1. Усилитель низкой частоты имеет коэффициент усиления 25. Определить коэффициент усиления с ООС, если b = 0,1.
2. УНЧ имеет усиление 40 дБ. Определить усиление в децибелах, если применить в усилителе ООС с b = 0,02.
3. Первый каскад двухкаскадного УНЧ имеет усиление 26 дБ, второй каскад 6 дБ. Определить, на сколько децибел изменится общее усиление усилителя, если во втором каскаде применить ООС с b = 0,05?
4. Первый и второй каскады 3-каскадного УНЧ имеют коэффициент усиления каждый по 20 дБ, а третий каскад 12 дБ. Как изменится общее усиление, если в каждом из последних двух каскадов применить ООС с коэффициентом b = 0,1?
5. Определить коэффициент отрицательной обратной связи усилителя, если при введении ООС коэффициент усиления усилителя снизился с 80 до 16.
6. Определить коэффициент отрицательной обратной связи усилителя, если при введении ООС коэффициент усиления усилителя уменьшился с 54 до 37 дБ.
Глава IV. Работа усилительного элемента в схеме
Дата добавления: 2015-07-18; просмотров: 8993;
