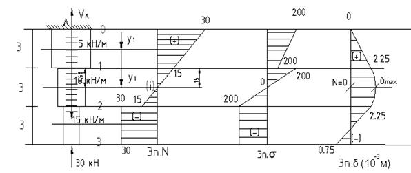
Расчет ступенчатого бруса

1)VA-?
ΣFy=0
+VA-5*3-10*3-15+30=0(кН)
VA=15+30+15-30=30(кН)
2)N=?
Уч.2-3, 0<=y<=3
РОЗУ

Уч.0-1, 0<=y1<=3
РОЗУ

3)уч.1-2, 3<y1<6
РОЗУ

1) qi=0 Ni=const
2) На участках бруса, где qi= const(i) Ni(y)=ai- qi y - прямая
3) Под каждой сосредоточенной силой (Pi, Vi) реализуется скачок на величину данной силы.
4) Подсчитаем требуемые площади поперечных сечений ступенчатого бруса из условия их прочности σ =N/A
|σ i|max=|N i|max/A i<=R=200(МПа) - расчетное сопротивление для стали
Ai треб>=|N i|max/R
Aтр 0-1>= (30*103(Н))/(200*106(Н/м2))=150*10-6=150/1000000=1,5*10-4=1,5 (см2)
Aтр 1-2>=15*103/200*106=0,75*10-4 м2=0,75 см2
Aтр 2-3>=30*103/200*106=1,5 (см2)
Строим эпюру нормальных напряжений по длине бруса
σi =Ni/Ai
На каждом участке стержня необходимо вычислить:
σ0=30*103/1,5*10-4=20*107=200*106 Па=200 МПа
σ1=15*103/1,5*10-4=100 (МПа)
σ1(низ)=15*103/0,75*10-4=200 МПа
σ2(верх)= -15*103/0,75*10-4=-200 МПа
σ2(низ)= -30*103/1,5*10-4=-200 МПа
σ1(верх)= -30*103/1,5*10-4=-200 МПа
Итак, на каждом участке бруса эпюра σ подобна эпюре N
Строим эпюру продольных перемещений сечений бруса δ (дельта) δ=?

Е- модуль юнга
δ 0=0А=0 (заделка в т. А)
δ 1= δ 0+ Δl01= δ0+((N0+N1)/2)l01/EA01=0+((30+15)/2)103*3/(2*1011)*1.5*10-4 = =0+22.5*10-4=2.25*10-3 (м)
δ 2= δ 1+ Δl12=22,5*104+(15-15)*103*3/(2*1011)*0,75*10-4=22,5*10-4=2,25*10-3 (м)
δ 3= δ 2+ Δl23=22,5*10-4+(-30-30)*103*3/(2*1011)*1,5*10-4=22,5*10-4-30*10-4=-7,5 *10-4=-0,7510-3
Определяем δ max в сечении, где N=0
δ max= δ max+ Δl max= 2,25*10-4+((15+0)/2)*103*1.5/2*10110.75*10-4=22.5*10-4+ +7.5*10-4=30*10-4=3*10-3 (м)
Итак, на эпюре δ:
1) На участках, где qi=0, δ i(y)=ai+biy -прямая
2) На участках, где qi=const, δ i(y)=ai+biy+ciy2 – парабола второй степени
3) δ i=0 -в заделанном (защемленном) сечении бруса
4) Эпюра δ(y) не имеет разрывов 1 рода (нет скачков на данной эпюре)
Выше было рассмотрена статическая сторона задачи:
1) Уравнения равновесия (ΣFy=0)
2) Внутренняя продольная сила (N(y))
3) Нормальное напряжение σ=N/A=(Н/м2=Па)
Геометрическая сторона задачи
Растяжение и сжатие

Абсолютная величина Δl не характеризует состояние стержня. Вводим понятие о продольной деформации стержня ε (относительной величине)
ε= Δl(м)/l(м)= безразмерная величина, которая характеризует состояние стержня в данной его точке
Например, для стали ε<=0.0012
Рассмотрим аналогичную задачу для поперечного направления, перпендикулярного действующим продольным силам и получаем абсолютное изменение поперечного габарита стержня
Δb=b1-b (1)
ε 1= (b1-b)/b= Δb/b (2)
- поперечная деформация стержня.
Пуассон в 19в. установил: следующий закон связи продольной и поперечной деформаций при растяжении-сжатии стержня
ε 1=-µε (3)
который гласит: Продольная деформация противоположна по знаку и пропорциональна поперечной деформации.
µ (мю)- коэффициент Пуассона, характеризующий свойства материала
µсталь=0,3; µбетона=0,1; µжелезобетона=0,15; µ=0,2 (сильно армированный ж/б)
Физическая сторона задачи:
Ставим в качестве основной задачи нахождение уравнения связи между напряжениями и деформациями. Рассматриваем опытные испытания круглого стального образца из малоуглеродистой стали с площадью поперечного сечения


На участке 0<= σ <= σ n (до предела пропорциональности) напряжения прямо пропорциональны деформациям
σ у –предел упругости
σy =tg
* εy (4)
если σ <= σ y, то образец при его разгрузке полностью восстанавливает свои первоначальные форму и объем
σ Т –предел текучести материала, при котором происходит перестройка кристаллической структуры материала с образованием неустранимых пластических деформаций.

За площадкой текучести условные напряжения в образце
, где A - первоначальная площадь поперечного сечения образца, вновь возрастают до величины σ в – временного сопротивления. Если разгрузить образец в этой зоне, то имевшаяся у него продольная деформация
разделится на две части, а именно:
ε упр - исчезающую упругую деформацию
ε пласт – необратимую пластичную деформацию
При повторном нагружении образца будет наблюдаться пропорциональная связь между напряжением и деформацией. Т.е. формула (4) справедлива и при разгрузке, и при повторном нагружении за пределами площадки текучести
σ упр=tg α * ε упр , где размерности следующие: Н/м2= (Н/м2)*безр, поэтому в правой части формулы в Н/м2 измеряется важнейшая физическая const материала: МОДУЛЬ ЮНГА:
tg α=Е (Па) – модуль Юнга
Поэтому в современной редакции закон Гука при растяжении-сжатии имеет вид:
σ =Е * ε (5)

Приводим сводку значений модуля Юнга для конструкционных материалов:
Е=2,2*1011Па - модуль для стали (1905г)
Е=2,1*1011Па - модуль для стали 1935г - (Германия, оболочки покрытия из ж/б)
Е=2,06*1011Па - модуль для стали по современному СНиП
Е=1,85*1011Па - очень хорошая сталь (мост в Стамбуле через Босфор)
Е=2,1*1010Па - 4*1010Па - бетоны различного класса
Е=1*1010Па - модуль Юнга для сосны
Всегда следует помнить, что Е и µ- 2 основные физические const изотропного материала
Задача:
Вывести формулу для удлинения стержня при растяжении-сжатии: Δl=?

(6)
А- площадь поперечного сечения.
Дата добавления: 2015-08-01; просмотров: 1206;
