Одноконтурного регулювання ректифікаційною колоною
Багаторазове чергування процесів випарювання та конденсації з метою поділу рідинної суміші на чисті компоненти називається ректифікацією. Процес ректифікації відбувається в разі зустрічного руху рідини та пари, причому пара, піднімаючись по колоні, збагачується низькокиплячими компонентами при кожному контакті з рідиною, що стікає.
Процес ректифікації належить до основних процесів хімічної технології. Показником його ефективності є склад цільового продукту. Залежно від технологічних властивостей цільовим продуктом може бути як дистилят, так і кубовий залишок. Мета керування – підтримувати концентрацію цільового продукту на заданому рівні.
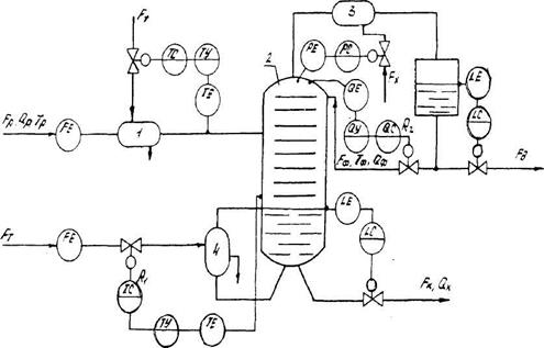
Розглянемо принципи автоматизації процесу ректифікації на прикладі тарілчастої ректифікаційної колони, призначеної для розділення бінарної суміші, яка складається з теплообмінника 1 для підігрівання свіжого розчину, колони 2, дефлегматора 3 і виносного кип’ятильника 4 (рис. 7.1).
Ректифікаційна установка - це складний об'єкт керування з великим часом запізнення, великою кількістю параметрів, які характеризують процес, багатьма взаємними зв'язками між ними, розподіленістю параметрів тощо. Збуреннями є зміна початкових параметрів свіжого розчину, теплота холодоносіїв, зміна теплопередавання тощо.
Оскільки затрати на ректифікацію є однією з найістотніших складових у собівартості продукції, задача автоматизації зводиться до задачі оптимального керування. Залежно від призначення ректифікаційні колони використовують різні критерії оптимальності:
мінімізацію енергозатрат на одержання цільового продукту заданої концентрації при обмеженні на продуктивність цього продукту;
максимізацію продуктивності за цільовим продуктом при обмеженні на його склад та енергозатрати.
Оскільки свіжий розчин надходить на ректифікаційну колону з попередніх апаратів технологічної лінії, коливання витрати Fp, складу Qp та температури Tp є основними збуреннями в процесі ректифікації. До можливих джерел збурень належать також ентальпія теплоносія (пари) та холодоносія, а також втрати теплоти в навколишнє середовище. Із перелічених збурень стабілізують лише температуру; витрату свіжого розчину, контролюють, як правило, завжди. За наявності автоматичних аналізаторів контролюють також склад цільової речовини в свіжому розчині.
До регулюючих впливів належать виграти теплоносія FT, холодоносія Fx, дистиляту Fд, кубового залишку Fк. ,флегми Fф, та інертних газів Fі.
Концентрації цільового продукту в дистиляті Qд та в кубовому залишку Qк, рівень останнього Lк і флегмової ємності Lд, а також температура Ti і тиск P в колоні є вихідними координатами процесу.

Рис. 7.1 Схема одноконтурного регулювання ректифікаційною колоною
Розглянемо можливості регулювання режимних параметрів верхньої (закріплюючої) частини ректифікаційної колони. Аналіз процесу ректифікації показує, що концентрація Q цільового продукту визначається концентрацією низькокиплячого компонента Qк, температурою кипіння рідини Т та тиском парів над рідиною Р. Тиск Р легко стабілізувати зміною витрати пари з колони. При цьому, як правило, регулюючий орган установлений на лінії подавання холодоносія в дефлегматор. Стабілізація тиску у верхній частині колони необхідна для підтримування не лише нормального гідродинамічного режиму колони, в й заданого складу цільового продукту. Концентрацію Q в парах верхньої частини регулюють зміною витрати флегми. При цьому регулюючий орган може бути встановлений як на лінії флегми, так і на лінії дистиляту. Якість регулювання цих параметрів залежить від складу та швидкості парів, які рухаються з нижньої (вичерпної) частини колони, тиску, температури та складу рідини в кубі колони.
Регулюючі впливи в нижній частині колони можуть чинитися зміною витрати кубового залишку та теплоносія, який подається в теплообмінник. Якщо враховувати, що витрату залишку доцільно використовувати для підтримування матеріального балансу колони, то єдиним регулюючим впливом при регулюванні температури є зміна витрати теплоносія, який надходить на кип'ятильник.
Таким чином, якщо цільовим продуктом є дистилят, то для досягнення мети керування доцільно регулювати такі технологічні параметри: температуру свіжого розчину на вході в колону та температуру розчину в нижній частині колони шляхом впливу на витрату теплоносія відповідно підігрівника та кип'ятильника; тиск у верхній частині зміною витрати холодоносія; концентрацію цільового продукту впливом на витрату флегми, а також рівень рідини в кубі та флегмовій ємності. Схему регулювання процесом ректифікації за допомогою одноконтурної АСР показано на рис. 3.26.
Незважаючи на простоту одноконтурне регулювання має також недоліки. Так, стабілізація витрати гріючої пари без урахування реальної обставини в системі звичайно призводить до перевитрати пари, оскільки регулятору R1 встановлюється дещо вище завдання з урахуванням можливих коливань ентальпії гріючої пари, переохолодження флегми та інших впливів.
Відсутність компенсуючих впливів за збуреннями з боку живлення призводить до великих динамічних похибок регулювання складом продуктів, оскільки регулятор R2 одержить сигнал про відхилення регульованої координати лише після того, як зміниться склад рідини по всій колоні.
Для поліпшення якості регулювання процесом ректифікації використовують багатоконтурні АСР, допоміжними координатами яких є збурюючі фактори.
Дата добавления: 2015-07-30; просмотров: 1173;
