АСР пов’язаного регулювання
Основою побудови системи пов’язаного регулювання є принцип автономності. Щодо об’єкта з двома входами і виходами поняття автономності визначає взаємну незалежність вихідних координат y1 і y2 при роботі двох замкнених систем регулювання.
По суті умова автономноcті складається з двох умов інваріантності: першого виходу y1 відносно сигналу другого регулятора Хр2 та другого виходу y2 відносно сигналу першого регулятора Хр1. При цьому сигнал Хр1 можна розглядати як збурення для виходу y2, а сигнал Хр2 – як збурення для y1. Тоді перехресні канали виконують роль каналів збурення (див. рис. 4.10). Для компенсації цих збурень у систему регулювання вводять динамічні пристрої з передаточними функціями
і
, сигнали від яких надходять на відповідні канали регулювання або на входи регуляторів.

Рис. 4.10. Структурна схема системи пов’язаного регулювання
За аналогією з інваріантними АСР передаточні функції компенсаторів
і
, які визначаються з умови автономності, залежатимуть від передаточних функцій прямих і перехресних каналів об’єкта.
;
/4.27/
Для побудови автономних систем регулювання важливе значення мають фізична реалізованість і технічна реалізація наближеної автономності.
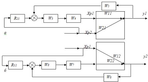
У розрахунку системи пов’язаного регулювання поділяють на автономні АСР (див. рис. 4.11). Кожну таку автономну систему розраховують як комбіновану згідно із принципом інваріантності, тобто знаходять настроювання регулятора і після цього визначають параметри динамічного компенсатора. Збуренням для автономної АСР, зображеної на рис.4.11.а, буде навантаження Хр2 а показаної на рис.4.11.б - Хр1. Таким чином, такі системи досліджують по каналу відповідно Хр2→ y1 і Хр1→ y2.

Рис. 4.11. Структурні схеми автономних АСР
Передаточні функції автономних систем регулювання мають такий вигляд:
; /4.28./
. /4.29./
Дата добавления: 2015-07-30; просмотров: 1366;
