Схемы и группы соединений обмоток трансформаторов
Обмотки трансформаторов имеют обычно соединения: звезда — Y, звезда с выведенной нейтралью — Y и треугольник — Δ. Сдвиг фаз между ЭДС первичной и вторичной обмоток (Е1 и Е2) принято выражать условно группой соединений.
В трёхфазном трансформаторе применением разных способов соединений обмоток можно образовать двенадцать различных групп соединений, причём при схемах соединения обмоток звезда — звезда мы можем получить любую чётную группу (2, 4, 6, 8, 10, 0), а при схеме звезда—треугольник или треугольник—звезда — любую нечётную группу (1, 3, 5, 7, 9, 11).
Группы соединений указываются справа от знаков схем соединения обмоток. Трансформаторы по рис. 5.2 имеют схемы и группы соединения обмоток: Y/Δ-11; Y/Ύ/Δ-0-11; Y/Δ/Δ - 11 - 11.
Соединение в звезду обмотки ВН позволяет выполнить внутреннюю изоляцию из расчёта фазной ЭДС, т.е. в
раз меньше линейной. Обмотки НН преимущественно соединяются в треугольник, что позволяет уменьшить сечение обмотки, рассчитав ее на фазный ток
. Кроме того, при соединении обмотки трансформатора в треугольник создаётся замкнутый контур для токов высших гармоник, кратных трём, которые при этом не выходят во внешнюю сеть, вследствие чего улучшается симметрия напряжения на нагрузке.
Соединение обмоток в звезду с выведенной нулевой точкой применяется в том случае, когда нейтраль обмотки должна быть заземлена. Эффективное заземление нейтрали обмоток ВН обязательно в трансформаторах 330 кВ и выше и во всех автотрансформаторах (подробнее ниже). Системы 110, 150 и 220 кВ также работают с эффективно заземлённой нейтралью, однако для уменьшения токов однофазного КЗ нейтрали части трансформаторов могут быть разземлены. Так как изоляция нулевых выводов обычно не рассчитывается на полное напряжение, то в режиме разземления нейтрали необходимо снизить возможные перенапряжения путем присоединения ограничителей перенапряжений к нулевой точке трансформатора (рис. 5.1).

Рис.5.1 . Схемы заземления трансформаторов и автотрансформаторов:
а – трансформаторов 110 – 220 кВ без РПН; б – трансформаторов 330 – 750 кВ без РПН; в – трансформаторов 110 кВ с РПН; г – автотрансформаторов всех напряжений; д - трансформаторов 150 – 220 кВ с РПН; е – трансформаторов 330 – 500 кВ с РПН.
Нейтраль заземляется также на вторичных обмотках трансформаторов, питающих четырёхпроводные сети 380/220 и 220/127 В. Нейтрали обмоток при напряжении 10—35 кВ не заземляются или заземляются через дугогасящий реактор для компенсации емкостных токов. Технические данные силовых трансформаторов и автотрансформаторов, их схемы и группы соединений определяются действующими ГОСТ и приводятся в каталогах и справочниках.
К основным параметрам трансформатора относятся: номинальные мощность, напряжение, ток; напряжение КЗ; ток холостого хода; потери холостого хода и КЗ.
Номинальной мощностью трансформатора называется указанное в заводском паспорте значение полной мощности, на которую непрерывно может быть нагружен трансформатор в номинальных условиях места установки и охлаждающей среды при номинальных частоте и напряжении.

Рис. 5.2 Условное обозначение и схемы соединения обмоток трансформаторов: а – двухобмоточного; б – трехобмоточного; г - с расщепленной обмоткой низкого напряжения
Номинальная мощность для двухобмоточного трансформатора — это мощность каждой из его обмоток. Трехобмоточные трансформаторы могут быть выполнены с обмотками как одинаковой, так и разной мощности. В последнем случае за номинальную принимается наибольшая из номинальных мощностей отдельных обмоток трансформатора.
За номинальную мощность автотрансформатора принимается номинальная мощность каждой из сторон (ВН или СН), имеющих между собой автотрансформаторную связь («проходная мощность»).
Номинальные напряжения обмоток — это напряжения первичной и вторичной обмоток при холостом ходе трансформатора. Для трехфазного трансформатора — это его линейное (междуфазное) напряжение. Для однофазного трансформатора, предназначенного для включения в трёхфазную группу, соединённую в звезду, — это
.При работе трансформатора под нагрузкой и подведении к зажимам его первичной обмотки номинального напряжения на вторичной обмотке напряжение меньше номинального на величину потери напряжения в трансформаторе. Коэффициент трансформации трансформатора n определяется отношением номинальных напряжений обмоток высшего и низшего напряжений

В трехобмоточных трансформаторах определяется коэффициент трансформации каждой пары обмоток: ВН и НН; ВН и СН; СН и НН.
Номинальными токами трансформатора называются указанные в заводском паспорте значения токов в обмотках, при которых допускается длительная нормальная работа трансформатора.
Номинальный ток любой обмотки трансформатора определяют по ее номинальной мощности и номинальному напряжению.
Напряжение короткого замыкания uк — это напряжение, при подведении которого к одной из обмоток трансформатора при замкнутой накоротко другой обмотке в ней проходит ток, равный номинальному.
Напряжение КЗ определяют по падению напряжения в трансформаторе, оно характеризует полное сопротивление обмоток трансформатора.
В трехобмоточных трансформаторах и автотрансформаторах напряжение КЗ определяется для любой пары его обмоток при разомкнутой третьей обмотке. Таким образом, в каталогах приводятся три значения напряжения КЗ: u к ВН – НН , uк ВН – СН, uк СН - НН.
Поскольку индуктивное сопротивление обмоток значительно выше активного (у небольших трансформаторов в 2 — 3 раза, а у крупных в 15 — 20 раз), то uк в основном зависит от реактивного сопротивления, т.е. взаимного расположения обмоток, ширины канала между ними, высоты обмоток. Величина uк регламентируется ГОСТ в зависимости от напряжения и мощности трансформаторов. Чем больше высшее напряжение и мощность трансформатора, тем больше напряжение КЗ. Так, трансформатор мощностью 630 кВ*А с высшим напряжением 10 кВ имеет uK=5,5%, с высшим напряжением 35 кВ — uк= 6,5 %; трансформатор мощностью 80000 кВ-А с высшим напряжением 35 кВ имеет uK=9%, a с высшим напряжением110кВ — uк= 10,5%.
Увеличивая значение uк, можно уменьшить токи КЗ на вторичной стороне трансформатора, но при этом значительно увеличивается потребляемая реактивная мощность и увеличивается стоимость трансформаторов. Если трансформатор 110 кВ мощностью 25 MB•А выполнить с uK= 20% вместо 10%, то расчетные затраты на него возрастут на 15,7 %, а потребляемая реактивная мощность возрастёт вдвое (с 2,5 до 5,0 МВАр).
Трехобмоточные трансформаторы могут иметь два исполнения по значению ик в зависимости от взаимного расположения обмоток. Если обмотка НН расположена у стержня магнитопровода, обмотка ВН — снаружи, а обмотка СН — между ними, то наибольшее значение имеет uк ВН – НН, а меньшее значение — uк ВН – СН. В этом случае потери напряжения по отношению к выводам СН уменьшатся, а ток КЗ в сети НН будет ограничен благодаря повышенному значению uк ВН-НН. Это понижающий трансформатор на подстанциях.
Если обмотка СН расположена у стержня магнитопровода, обмотка ВН — снаружи, а обмотка НН — между ними, то наибольшее значение имеет uк ВН – СН, а меньшее —uк ВН – НН. Значение uк СН - НН останется одинаковым в обоих исполнениях. Это повышающий трансформатор на станциях.
Ток холостого хода IХ характеризует активные и реактивные потери в стали и зависит от магнитных свойств стали, конструкции и качества сборки магнитопровода и от магнитной индукции. Ток холостого хода выражается в процентах номинального тока трансформатора. В современных трансформаторах с холоднокатаной сталью токи холостого хода имеют небольшие значения.
Потери холостого хода Рх и короткого замыкания Рк определяют экономичность работы трансформатора. Потери холостого хода состоят из потерь в стали на перемагничивание и вихревые токи. Для их уменьшения применяются электротехническая сталь с малым содержанием углерода и специальными присадками, холоднокатаная сталь толщиной 0,3 мм марок 3405, 3406 и других с жаростойким изоляционным покрытием. В справочниках и каталогах приводятся значения Рх для уровней А и Б. Уровень А относится к трансформаторам, изготовленным из электротехнической стали с удельными потерями не более 0,9 Вт/кг, уровень Б — с удельными потерями не более 1,1 Вт/кг (при В= 1,5 Тл, f= 50 Гц).
Потери короткого замыкания состоят из потерь в обмотках при протекании по ним токов нагрузки и добавочных потерь в обмотках и конструкциях трансформатора. Добавочные потери вызваны магнитными полями рассеяния, создающими вихревые токи в крайних витках обмотки и конструкциях трансформатора (стенки бака, ярмовые балки и др.). Для их снижения обмотки выполняются многожильным транспонированным проводом, а стенки бака экранируются магнитными шунтами.
В современных конструкциях трансформаторов потери значительно снижены. Например, в трансформаторе мощностью 250000 кВ-А при U=110кВ (Рх=200 кВт, Рк=790 кВт), работающем круглый год (Ттах=6300 ч), потери электроэнергии составят 0,43% электроэнергии, пропущенной через трансформатор. Чем меньше мощность трансформатора, тем больше относительные потери в нем.
В сетях энергосистем установлено большое количество трансформаторов малой и средней мощности, поэтому общие потери электроэнергии во всех трансформаторах страны значительны, и очень важно для экономии электроэнергии совершенствовать конструкции трансформаторов с целью дальнейшего уменьшения значений Рх и Рк.
Особенности автотрансформаторов. В установках 110 кВ и выше широкое применение находят автотрансформаторы (AT) большой мощности. Объясняется это рядом преимуществ, которые они имеют по сравнению с трансформаторами той – же мощности:
· меньший расход меди, стали, изоляционных материалов;
· меньшая масса, а, следовательно, меньшие габариты;
· меньшие потери и больший КПД;
· более лёгкие условия охлаждения.
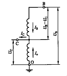
Однофазный автотрансформатор имеет электрически связанные обмотки ОВ и ОС (рис. 5.3). Часть обмотки, заключённая между выводами В и С, называется последовательной, а между С и О — общей.
При работе автотрансформатора в режиме понижения напряжения в последовательной обмотке проходит ток Iв, который, создавая магнитный поток, наводит в общей обмотке ток I0. Ток нагрузки вторичной обмотки IС складывается из тока Iв, проходящего благодаря гальванической (электрической) связи обмоток, и тока I0, созданного магнитной связью этих обмоток: Ic= Iв+I0, откуда I0=IC -IВ.
Полная мощность, передаваемая автотрансформатором из первичной сети во вторичную, называется проходной.
Если пренебречь потерями в сопротивлениях обмоток автотрансформатора, можно записать следующее выражение:
S= UBIB~ UCIC. Преобразуя правую часть выражения, получаем
S= UBIB=[(UB- UC)+UC]IB=(UB- UC)IB+ UCIB, (2.6)
где (UB- UC)IB= ST — трансформаторная мощность, передаваемая магнитным путем из первичной обмотки во вторичую; UCIB=SЭ— электрическая мощность, передаваемая из первичной

Рис.5.3 . Схема однофазного трансформатора.
обмотки во вторичную за счет их гальванической связи, без трансформации.
Эта мощность не нагружает общей обмотки, потому что ток IВ из последовательной обмотки проходит на вывод С, минуя обмотку ОС.
В номинальном режиме проходная мощность является номинальной мощностью автотрансформатора S= Sном, а трансформаторная мощность — типовой мощностью SТ= Sтип.
Размеры магнитопровода, а следовательно, его масса определяются трансформаторной (типовой) мощностью, которая составляет лишь часть номинальной мощности:

где nВС= UB/UC — коэффициент трансформации; Кт — коэффициент выгодности или коэффициент типовой мощности.
Из формулы для Кт следует, что чем ближе UB к UС, тем меньше Кт и меньшую долю номинальной составляет типовая мощность. Это означает, что размеры автотрансформатора, его масса, расход активных материалов уменьшаются по сравнению с трансформатором одинаковой номинальной мощности.
Например, при UВ= 330 кВ и UС=110 кВ КТ=0,667, а при UВ= 550 кВ и UС= 330 кВ КТ= 0,34.
Наиболее целесообразно применение автотрансформаторов при сочетании напряжений 220/110; 330/150; 500/220; 750/330.
Из схемы (см. рис. 5.3) видно, что мощность последовательной обмотки:
;
мощность общей обмотки:
.
Таким образом, еще раз можно подчеркнуть, что обмотки и магнитопровод автотрансформатора рассчитываются на типовую мощность, которую иногда называют расчетной мощностью. Какая бы мощность ни подводилась к зажимам В или С, последовательную и общую обмотки загружать больше чем на SТИП нельзя. Этот вывод особенно важен при рассмотрении комбинированных режимов работы автотрансформатора. Такие режимы возникают, если имеется третья обмотка, связанная с автотрансформаторными обмотками только магнитным путем.
Третья обмотка автотрансформатора (обмотка НН) используется для питания нагрузки, для присоединения источников активной или реактивной мощности (генераторов и синхронных компенсаторов), а в некоторых случаях служит лишь для компенсации токов третьих гармоник. Мощность обмотки НН SHH не может быть больше SТИП, так как иначе размеры автотрансформатора будут определяться мощностью этой обмотки. Номинальная мощность обмотки НН указывается в паспортных данных автотрансформатора.
В автотрансформаторах с обмоткой НН возможны различные режимы работы: передача мощности из обмотки ВН в обмотку СН при отключенной обмотке НН; передача мощности из обмотки НН в СН или ВН; передача из обмотки ВН и НН в обмотку СН и другие режимы Во всех случаях необходимо контролировать загрузку общей, последовательной обмоток и вывода СН. К особенностям следует отнести необходимость глухого заземления нейтрали у автотрансформаторов, общей для ВН и СН.
Дата добавления: 2016-04-14; просмотров: 3226;
