Назначение, техническая характеристика и общее устройство системы питания двигателя топливом.
Система питания двигателя топливом предназначена для размещения возимого запаса топлива, очистки и подачи его в цилиндры двигателя в количестве, соответствующем режиму его работы.
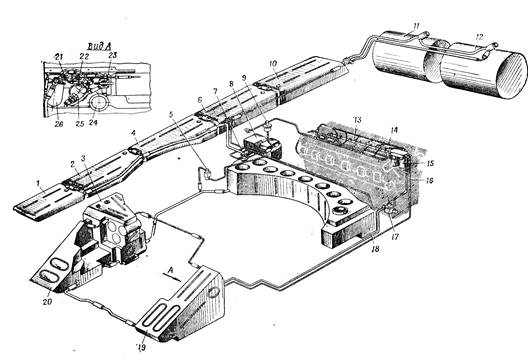
В систему питания топливом входят: внутренние топливные баки 3, 18, 19 и 20, наружные топливные баки 1, 2, 4, 6 и 10, расширительный бачок 8, поплавковый клапан 9, топливораспределительный кран 23, кран 7 отключения наружных топливных баков, ручной топливоподкачивающий насос 25, топливные фильтры 26 грубой и 15 тонкой очистки, топливоподкачивающий насос 17, бензиновый центробежный насос 24, топливный насос 13 высокого давления НК-12М и клапан 21 выпуска воздуха, сливной штуцер 22 откачки топлива насосом БЦН-1, форсунки 14, электрические емкостные топливомеры ИТ2-1С, ИТЗ-1С, трубопроводы высокого и низкого давления. С помощью специального оборудования к системе питания топливом подсоединяются бочки Л и 12.

Система питания топливом:
1 - первый наружный бак; 2 - второй наружный бак; 3 - передний бак-стеллаж; 4 - третий наружный бак; 5 - топливный насос подогревателя; 6 - четвертый наружный бак; 7- кран отключения наружных топливных баков; 8 - расширительный бачок; 9 - поплавковый клапан; 10 - пятый наружный бак; 11 - правая бочка; 12 - левая бочка; 13 - топливный насос высокого давления; 14 - форсунка; 15 - топливный фильтр тонкой очистки; 16 - двигатель; 17 - топливоподкачивающий насос; 18 - средний бак-стеллаж; 19 - левый носовой бак; 20 - правый носовой бак; 21 - клапан выпуска воздуха; 22 – сливной штуцер; 23 - топливораспределительный кран; 24 - бензиновый центробежный насос; 25 - ручной топливоподкачивающий насос; 26 - топливный фильтр грубой очистки
Дата добавления: 2015-08-21; просмотров: 3619;
