Обращение воды в рабочем цикле ТЭС
Вода и водяной пар являются теплоносителями в водном и водопаровом трактах ТЭС, ТЭЦ и АЭС.
При решении водной проблемы ТЭС большое значение имеет то, что переход к высокому и сверхкритическому давлению значительно изменяет условия парообразования, теплообмена при кипении, гидродинамики паровой смеси в трубах котла, а также свойства самого рабочего тела.
К примеру, с повышением давления резко повышается плотность водяного пара, снижается скорость пароводяной смеси в парообразующих трубах, снижается поверхностное натяжение и вязкость воды, что способствует образованию накипи и коррозии.
С повышением плотности водяного пара повышается его способность к растворению различных химических соединений, содержащихся в котловой воде, что приводит к значительному выносу находящихся в воде неорганических примесей.
Вода на ТЭС применяется:
- для производства пара в котлах, испарителях;
- для конденсации отработавшего пара в конденсаторах паровых турбин и других теплообменных аппаратах;
- для охлаждения продувочной воды и подшипников дымососов;
- в качестве рабочего теплоносителя в теплофикационных отопительных сетях и сетях горячего водоснабжения.
Водяной пар, полученный в котлах, а затем отработавший в турбинах, подвергается конденсации или в виде пара пониженных параметров используется на производственных и коммунальных предприятиях для технологических процессов, отопления и вентиляции.
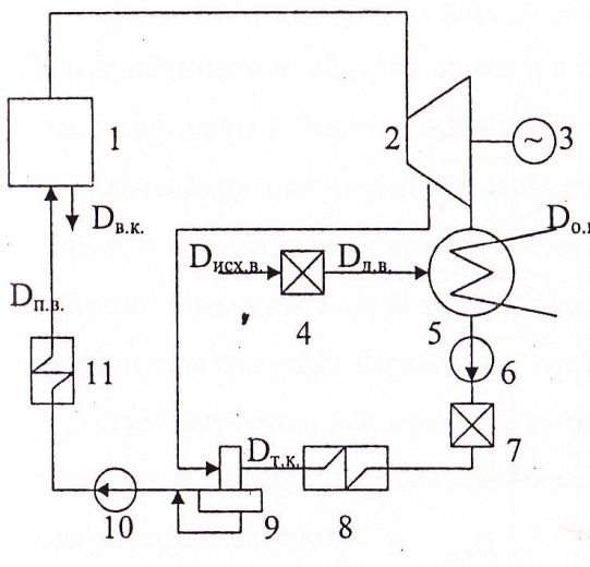
Рис. 1.1. Схема КЭС:
1 - паровой котел; 2 - паровая турбина; 3 - электрогенератор; 4 - водоподготовительная установка; 5 - конденсатор; 6 - конденсатный насос; 7 - конденсатоочистка (БОУ); 8 - ПНД; 9 - деаэратор; 10 - питательный насос; 11 – ПВД.
DИСХ.В.- исходная вода.
DД.В. - добавочная вода направляется в контур для восполнения потерь пара и конденсата после обработки с применением физико-химических методов очистки.
dТ.К. — турбинный конденсат, содержит небольшое количество растворенных и взвешенных примесей - основная составляющая питательной воды.
DВ.К. - возвратный конденсат от внешних потребителей пара, используется после очистки в установке очистки обратного конденсата (7) от внесенных загрязнений. Является составной частью питательной воды.
Dп.в. - питательная вода, подается в котлы, парогенераторы или реакторы для замещения испарившейся воды в этих агрегатах. Представляет собой смесь DT.K, DД.В., DВ.К. и конденсируется в элементах указанных агрегатов.
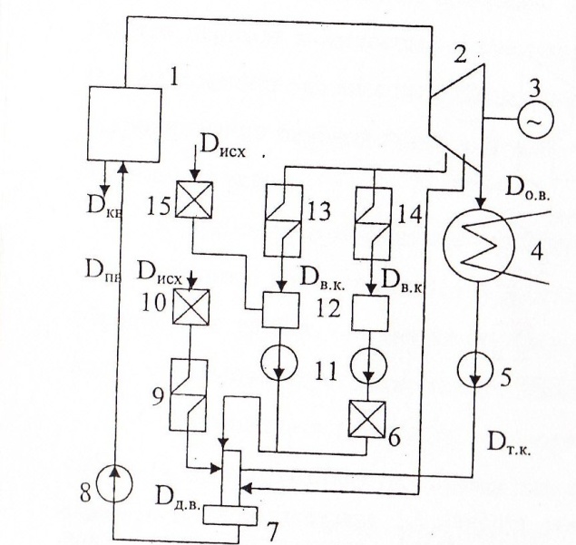
Рис. 1.2. Схема ТЭС:
1 — паровой котел; 2 — паровая турбина; 3 - электрогенератор; 4 — конденсатор; 5 - конденсатный насос; 6 - установка очистки возвратного конденсата; 7 - деаэратор; 8 - питательный насос; 9 - подогреватель добавочной воды; 10 - водоподготовка подпитки котлов; 11 - насосы обратного конденсата; 12 - баки возвратного конденсата; 13 - производственный потребитель пара; 14 - промышленный потребитель пара; 15 - водоподготовка подпитки теплосети.
DПР - продувочная вода - выводится из котла, парогенератора или реактора на очистку или в дренаж для поддержания в испаряемой (котловой) воде заданных концентраций примесей. Состав и концентрация примесей в котловой и продувочной воде одинаковы.
DО.В. - охлаждающая или циркуляционная вода, используется в конденсаторах паровых турбин для конденсации отработавшего пара.
DВ.П. - подпиточная вода тепловой сети, для восполнения потерь.
Дата добавления: 2015-08-11; просмотров: 2102;
