Генераторы синусоидальных колебаний. Генератором синусоидальных колебаний называют электронное устройство, преобразующее электрическую энергию постоянного тока в энергию электромагнитных
Генератором синусоидальных колебаний называют электронное устройство, преобразующее электрическую энергию постоянного тока в энергию электромагнитных колебаний синусоидальной формы требуемой частоты и мощности. Генераторы классифицируют по двум признакам — частоте и способу возбуждения. В зависимости от частоты генерируемых колебаний генераторы подразделяют на низкочастотные, (0,1-100) кГц, высокочастотные, (0,1-100) МГц, сверхчастотные, свыше 100 МГц.
По способу возбуждения различают генераторы с независимым возбуждением и с самовозбуждением (автогенераторы).
Генераторы с независимым возбуждением — это высокочастотные избирательные усилители мощности, на вход которых подаются колебания от автогенератора.
На рис. 43 приведена схема однокаскадного LC-автогенератора с резонансным колебательным контуром (LC-контур). Катушка резонансного контура Lб индуктивно связана с катушкой Lк, включенной в коллекторную цепь транзистора.

Рис. 43. Схема LC-автогенератора с контуром в цепи базы
При подаче напряжения питания в колебательном контуре появятся колебания с частотой

Переменный ток контура i6 усиливается транзистором. Эти колебания через катушку Lk, индуктивно связанную с катушкой Lб, вновь возвращаются в колебательный контур. Размах колебаний постепенно нарастает до определенной величины, так как транзистор представляет собой ограничивающее устройство, не позволяющее коллекторному току возрастать бесконечно. Условие баланса фаз в рассматриваемом автогенераторе осуществляется при сдвиге фаз выходного (коллекторного) напряжения Uк на 180° относительно напряжения Uб. Практически это условие выполняется соответствующей намоткой индуктивных катушек (направления намотки витков катушек резонансного контура в коллекторной цепи должны быть противоположными).
Мощность в колебательном контуре, включенном в базовую цепь усилителя, будет небольшой, так как ток и напряжение в цепи базы транзистора имеют малые величины. По этой причине такие автогенераторы применяют редко. Чаще всего используют автогенераторы, в которых колебательный контур включен по схеме рис. 44.

Рис. 44. Схема LC-автогенератора с параллельным питанием
В этой схеме транзистор и контур подключены параллельно источнику питания. Конденсатор С предотвращает проникновение постоянной составляющей коллекторного тока в катушку Lк,а дроссель L отфильтровывает переменную составляющую, и она не проходит в источник питания. Конденсатор Сэ служит, как и в предыдущей схеме, для прохождения переменной составляющей на эмиттер транзистора VT1.
Для получения синусоидальных колебаний низкой частоты применение LC-автогенераторов нецелесообразно вследствие больших величин индуктивностей катушки и емкостей конденсаторов в колебательном контуре. Для создания синусоидальных колебаний используют RС-генераторы, которые имеют высокую стабильность частоты в этом диапазоне за счет применения высокостабильных резисторов и конденсаторов.
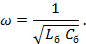
На рис. 45 показана схема RС-автогенератора. По-существу, это каскад усилителя с обратной связью. Входное и выходное напряжения сдвинуты по фазе на 180°. Г-образная RС-цепь состоит из трех одинаковых RС-звеньев, каждое RС-звено сдвигает фазу на 60°.

Рис. 45. Схема RС-автогенератора
Для изменения частоты в таких автогенераторах необходимо изменять одновременно либо все резисторы, либо все конденсаторы в RС-звеньях.
Дата добавления: 2015-08-11; просмотров: 1983;
