Электронные усилители
Усилителем называется устройство, которое при подаче на его входные зажимы напряжения U1 или тока I1 создает на выходных зажимах напряжение U2 = KU · U1 или ток I2 = Ki · I1 (рис. 40).
Коэффициенты KU и Ki называются соответственно коэффициентами усиления по напряжению и току. В определенных пределах изменения напряжения, тока или частоты эти коэффициенты обычно постоянны. Питаются усилители от источников постоянного напряжения — выпрямителей или аккумуляторов.
В зависимости от требуемого коэффициента усиления усилители могут быть однокаскадными или многокаскадными.
Работа усилителей основана на различных принципах. Могут быть использованы насыщенные дроссели (магнитные усилители), электровакуумные приборы (ламповые усилители), полупроводниковые приборы (транзисторные усилители), микроэлектронные полупроводниковые приборы (усилители на ИМС) и т.д.
Усилители электрических сигналов используются во многих областях — в вычислительной технике, в автоматике, телевидении, радиосвязи и т.д.
Рис. 40. Схема усилителя (а) и его амплитудная характеристика (б)
Работа усилителей характеризуется параметрами и зависимостями для номинального режима.
Если на вход усилителя (рис. 40, а) подано синусоидальное напряжение с действующим значением U1 или ток I1, а в нагрузке выделяются, напряжение U2 и ток 12, то зависимость выходной величины от входной называют амплитудной характеристикой (рис. 40, б). Эта характеристика должна быть линейной, однако вследствие нелинейности характеристики лампы или транзистора при больших амплитудах, вследствие других причин она становится нелинейной (см. рис. 40, б). Усилители используются преимущественно в линейной части характеристики, где коэффициенты усиления по напряжению
или по току
не зависят от значений выходных величин. Часто удобнее пользоваться логарифмами этих отношений, выражая коэффициенты в децибеллах

Во многих случаях важно знать зависимость коэффициента усиления от частоты при синусоидальном входном напряжении KU = f(f) или Ki = f(f). Такая зависимость называется частотной характеристикой усилителя. На основе типичных частотных характеристик все усилители можно разделить на усилители постоянного тока, которые работают при частоте f = 0, и усилители переменного тока. Коэффициент усиления усилителя переменного тока может быть постоянным в широком (рис. 41, а)или узком (рис. 41, б) диапазоне частот.

Рис. 41. Частотные характеристики усилителей: широкополосного (а); резонансного (б)
В зависимости от рабочего диапазона частот усилители подразделяются на усилители низкой и высокой частоты.
Выходное напряжение усилителя сдвинуто по отношению к входному на угол φ: зависимость этого угла от частоты называется фазовой характеристикой усилителя.
Когда необходимо получить усиление по напряжению — используются усилители напряжения, соответственно для усиления тока используются усилители тока. В других случаях требуется усиление по мощности — такие усилители называются усилителями мощности.
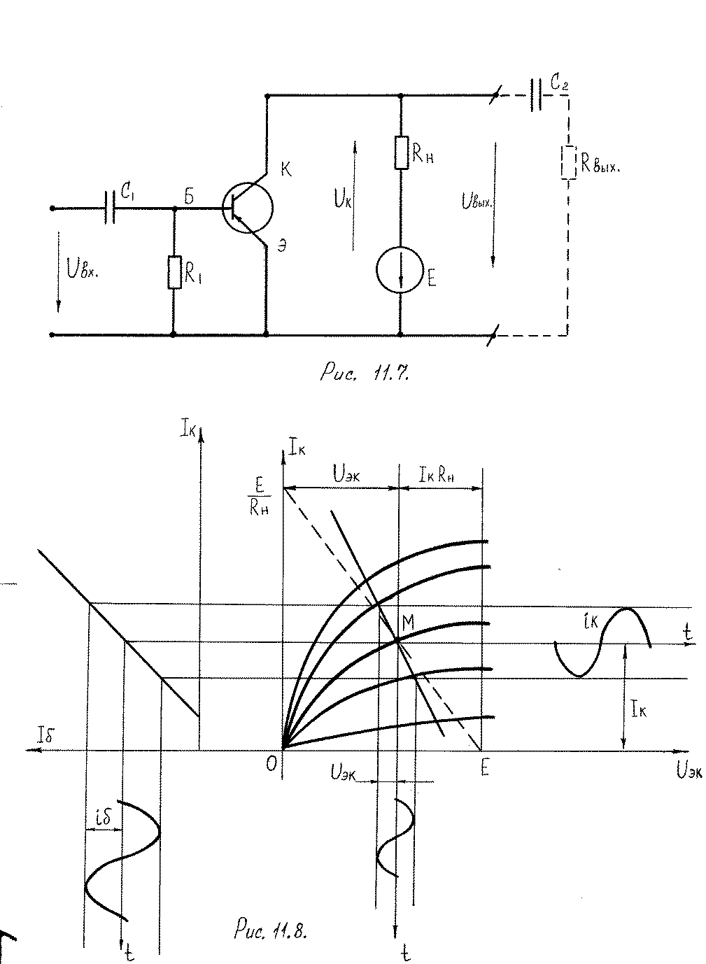
Простейший усилитель содержит транзистор, питаемый от источника Е через резистор нагрузки Rн (рис. 42).

Рис. 42. Схема однокаскадного усилителя
Конденсатор С1 служит для того, чтобы постоянная составляющая напряжения Uвх не проходила на базу транзистора. Резистором R1 устанавливается исходная рабочая точка.
Для устранения постоянной составляющей в выходном напряжении Uвых включен разделительный конденсатор С2.
Дата добавления: 2015-08-11; просмотров: 860;
