Мультивибраторы
Мультивибратором называется генератор прямоугольного напряжения, которое может быть разложено в ряд, содержащий высшие гармоники. Этим и объясняется название этого устройства.
Схема имеет два неустойчивых состояния, когда один из транзисторов открыт, а другой закрыт (рис. 48). Переход из одного состояния равновесия в другое происходит скачком, почти мгновенно, так как время переходного процесса в транзисторном мультивибраторе измеряется долями микросекунды.

Рис. 48. Схема мультивибратора
В начальный момент времени t = 0 (рис. 49) транзистор VT1 открылся, транзистор VT2 закрылся, конденсатор С2 начинает заряжаться через открытый транзистор VT1 и резистор Rk2 .
Открытие транзистора VT1 связано с прекращением разряда конденсатора С2, и появлением на базу VT1 отрицательного напряжения, подаваемого через резистор R61 и с прохождением в цепи базы VT1 зарядного тока конденсатора С2, уменьшающегося по экспоненте с постоянной времени RK2C2.Наличием зарядного тока конденсатора С2 объясняется скругление передних фронтов выходного напряжения Uвых.Величина сопротивления резистора Rб1 выбирается так, чтобы обеспечить работу транзистора VT1 в режиме насыщения.
До тех пор, пока транзистор VT1 открыт и насыщен, через него проходит разрядный ток конденсатора C1 который разря жается через резистор Rб2 с постоянной времени R62C1.По мере разряда конденсатора С1, напряжение на базе транзистора VT2 становится все менее положительным, и через промежуток времени t1, транзистор VT2 скачком открывается, а конденсатор С2 начинает разряжаться через транзистор VT2 и резистор Rб1 с постоянной времени R61 C2.При этом он закрывает транзистор VT1. Конденсатор С1, в это время будет заряжаться через Rk1 и открытый транзистор VT2.

Рис. 49. График изменения токов и выходного напряжения
несимметричного мультивибратора
Мультивибратор называют симметричным, если длительность открытого состояния обоих транзисторов одинакова, т.е. t1 = t2. У симметричного мультивибратора Rk1 = Rk2 , R61 = R62 и C1 = C2. Времязадающими являются цепи R61, C2 и R62, C1. Период колебаний Т = t1 + t2.
Важной характеристикой работы мультивибратора является скважность импульсов. Скважностью прямоугольных импульсов называют отношение периода колебаний Т к длительности импульса t1.
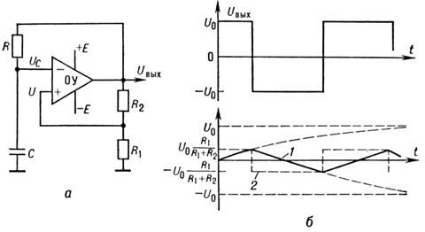
Мультивибраторы могут быть реализованы на микросхемах. В схеме симметричного мультивибратора (рис. 50) операционный усилитель (ОУ) осуществляет сравнение напряжения UC на конденсаторе С и напряжения U с делителя, образованного резисторами R1 и R2. Напряжение Uвых на выходе ОУ пропорционально разности напряжений между его входами ∆U = U - UC. Из-за того, что часть выходного напряжения через делитель поступает на вход ОУ, в схеме образуется положительная обратная связь. Если в некоторый момент времени разность ∆U станет положительной (например, вследствие флуктуации), то положительная обратная связь приведёт к лавинообразному нарастанию напряжения. Его увеличение прекратится, когда Uвыx достигнет своего максимально возможного значения U0, близкого к положительному напряжению питания +Е. При этом напряжение U будет равно U0R1/(R1 + R2). Такое состояние системы сохранится до тех пор, пока напряжение UC на конденсаторе, заряжающемся через резистор R, не превысит значения U = U0R1/(R1 + R2). Как только разность ∆U станет отрицательной, напряжение Uвых скачком уменьшится до своего минимального значения -U0, близкого к отрицательному напряжению питания -E. Напряжение U станет равным -U0R1/(R1 + R2) и конденсатор начнёт разряжаться. Когда напряжение UС сравняется c U= -U0R1/(R1 + R2), выходное напряжение снова скачком увеличится до значения U0 и т. д. Время зарядки и разрядки конденсатора одинаково и пропорционально RC.

Рис. 50. Симметричный мультивибратор на операционном усилителе:a- схема;б- временныедиаграммы напряжений;1− напряжениеUC;2- напряжениеU.
Несимметричный мультивибратор (рис. 51) работает аналогичным образом, но с включением в схему диодов D и D' конденсатор заряжается и разряжается через разные резисторы (R и R'), поэтому время зарядки и разрядки различно.

Рис. 51. Несимметричный мультивибратор наоперационном усилителе
Дата добавления: 2015-08-11; просмотров: 1956;
