Строение одномембранных органелл
Цель:изучить микроскопическое и ультрамикроскопическое строение одномембранных органелл.
¨ Задание:
1. Изучите микроскопическое и ультрамикроскопическое строение эндоплазматического ретикулума (ЭР).
а) Рассмотрите и зарисуйте трехмерную модель, а также микрофотографию гранулярного и агранулярного ЭР (Рис. 37-38).

А Б
Рис. 37. Трехмерная модель ЭР: А - шероховатый (гранулярный) ЭР; Б – гладкий (агранулярный) ЭР.

А Б
Рис. 38. Электронные микрофотографии шероховатого (гранулярного) (А) и гладкого (агранулярного) (Б) эндоплазматического ретикулума.
б) Рассмотрите схему шероховатого (гранулярного) ЭР (Рис.39), зарисуйте и подпишите строение.
| Рис. 39. Схема строения шероховатого (гранулярного) ретикулума: 1 – полость цистерны; 2 – рибосомы: а – большая субъединица рибосомы; б - малая субъединица рибосомы; 3 – информационная РНК; 4 – синтезируемая молекула белка; 5 – молекула белка в просвете цистерны. |
2. Изучите микроскопическое и ультрамикроскопическое строение комплекса Гольджи.
а) Рассмотрите схему комплекса Гольджи (Рис.41). Зарисуйте, подпишите.
|
|
| Рис. 40. Микропрепарат «Аппарат Гольджи в нервных клетках». | Рис.41. Схема комплекса Гольджи: 1 – цистерны; 2 - транспортные везикулы; 3 – секреторные гранулы; 4 – лизосома. |
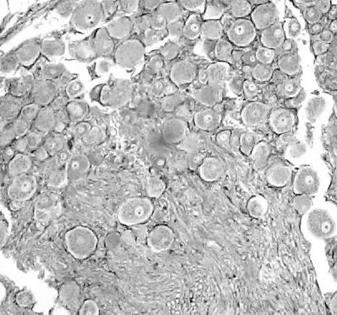
б)
Рассмотрите комплекс Гольджи на микропрепарате «Аппарат Гольджи в нервных клетках спинального ганглия котенка (осмиевая кислота)», зарисуйте (Рис.40; Атлас, фото 25), укажите увеличение, тип окрашивания, укажите стрелкой комплекс Гольджи.
в) Зарисуйте схему метаболического пути веществ в структурах комплекса Гольджи (Рис.42).

Рис. 42. Схема метаболического пути веществ в структурах комплекса Гольджи: АЭС – агранулярная эндоплазматическая сеть; ГЭС – гранулярная эндоплазматическая сеть; транс-, мед- и цис-G – поверхности диктиосом.
3. Изучите микроскопическое и ультрамикроскопическое строение лизосомы.
а) Рассмотрите микрофотографию лизосом (Рис. 43). Сделайте рисунок и подпишите.
| Рис.43. Микрофотография лизосом в цитоплазме (ПЛ – первичная лизосома; стрелки – аутофагосомы (лизосомы, поглощающие липидные включения). |
б) Зарисуйте процессы, в которых участвуют первичные лизосомы (Рис.44).
|
Рис.44. Процессы, в которых участвуют первичные лизосомы.
4. Изучите микроскопическое и ультрамикроскопическое строение пероксисомы. Рассмотрите микрофотографию пероксисом (Рис.45), зарисуйте и подпишите.
| Рис.45. Микрофотография пероксисом: 1- мембрана; 2- матрикс; 3- кристаллическое ядро. |
|
Дата добавления: 2015-08-08; просмотров: 2540;
