Магнитоэлектрические элементы в контуре ОС акселерометров
Магнитоэлектрические преобразователи обеспечивают трансформацию электрических сигналов в механические, или электрической энергии в механическую: i → F, M
Рассмотрим пример магнитоэлектрического преобразователя в составе компенсационного акселерометра.

Рис. Узел контура ОС
1 – магнит (магнитотвёрдый материал);
2 – арматура – магнитопровод;
3 – обмотка, помещенная в рабочем зазоре;
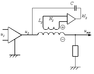
Электрическая схема:

Рис. Электрическая цепь. Выходной контур акселерометра
Проведем расчет:

где
магнитоэлектрический момент,
- позиционный момент, уравновешивающий момент внешних сил,
- электрическая жесткость.
Разберем подробнее обратные преобразователи магнитоэлектрического типа. Он содержит:
1). постоянный магнит;
2). обмотка обратной связи.



Поместим катушку 

Тогда:



1 – тонкостенный металлический каркас (цилиндр);
2 – катушка;
1 – 1 – короткозамкнутый виток.
Каркас катушки – один короткозамкнутый виток. Таким образом:

где t – толщина каркаса.


- , + соответственно отрицательная и положительная обратная связь.
Рассмотрим демпфер магнитоэлектрического типа на базе обратного преобразователя:

3.1 – дополнительная обмотка демпфера;
3.2 – основная обмотка.

Расчет постоянных магнитов.
II закон Кирхгофа. (1) 
(2)

… (3)
.

(4) 
Для магнитопровода, если он не насыщен:
. Тогда:
(5)
(6)
– размагничивающий фактор.
– магнитное сопротивление воздушных путей
– уравнение прямой
во II квадранте
– индукция и напряженность
в среднем сечении магнита;

|
тогда на основании (5) и (7) получим.
(8)
(9)
|
Дата добавления: 2015-08-04; просмотров: 890;
