ОБЛАДНАННЯ. 1.Вольтметри змінного струму: на
1.Вольтметри змінного струму: на
250В
-1 шт.;150В
-1 шт.;-250В
-1 шт.
2.Амперметри змінного струму на
2A
-1 шт.; 5В
-1 шт.
3.Ваттметр однофазний на 750 Вт
-1 шт.
4.Додатковий резистор на 5 кОм
-1 шт.
5.Трансформатор однофазний
-1 шт.
6.Навантажувальний резистор на 75 Ом 5А
-1 шт.
7.Перемикач трипозиційний
-1 шт.
8.Комплект з'єднувальних проводів -1 шт.
Короткі відомості з теорії
Згідно ГОСТ 16110-88 трансформатор – статичне електромагнітне обладнання, призначене для перетворення одної напруги і струму в іншу при незмінній частоті мережі.
Однофазний трансформатор складається з замкнутого феро- магнітного осердя, зібраного з пластин електротехнічної сталі, товщиною0,35... 1 мм ізольованих між собою шаром лаку чи фосфору, на якому розмішено, як мінімум, дві, чи більш обмоток, які намотані ізольованим проводом.
Одну із обмоток підключають до джерела електричної енергії (до мережі), це - первинна, а другу до споживача, це- вторинна.
Принцип дії транс форматора базується на законі взаємної індукції. Змінний магнітний потік, який збуджений у магнітопроводі трансформатора, наводить у первинній обмотці ЕРС
самоіндукції
,а у вторинній ЕДС взаємної індукції
:
;
,
де
, та
- кількість витків відповідно первинної та вторинної обмоток;
- частота мережі;
- амплітудне значення основного магнітного потоку.
Обмотка трансформатора з більшою кількістю витків - вищої напруги, а з меншою - нижчої.
Коефіцієнт трансформації трансформатора - відношення ЕРС первинної обмотки до ЕРС вторинної обмотки:
.
Згідно ГОСТ 16110-82 втрати трансфоматора - активна потужність, витрачена у магнітопроводі, обмотках та других частинах трансформатора при різних режимах роботи.
Трансформатор працює у трьох режимах: холостого ходу, навантаження та короткого замкнення.
Режим холостого ходу - при підключенні первинної обмотки до джерела змінної напруги та розімкнутій вторинній обмотці.
Режим навантаження - при підключенні первинної обмотки до мережі, а вторинної до навантажувача.
Режим короткого замкнення - аварійний, при підключенні первинної обмотки до мережі, а вторинної замкнутої накоротко.
Для визначення основних параметрів трансформатора проводять досліди холостого ходу і короткого замкнення.
Дослід холостого ходу здійснюється при номінальній напрузі первинної обмотки, а вторинної разімкиутоі. При цьому визначаються: струм холостого ходу
, втрати потужності холостого ходу
та напруга на вторинній обмотці при холостому ході
.
Дослід короткого замкнення здійснюється при напрузі короткого замкнення на первинній обмотці, а вторинній замкнутій накоротко (на амперметр) та номінальних струмах в первинній та вторинній обмотках. При цьому визначаться напруга короткого замкнення
і втрати потужності короткого замкненняРкном.:
Зовнішня характеристика трансформатора – залежність
напруги на вторинній обмотці від струму навантаження при номінальній напрузі на первинній обмотці частоті мережі та постійному коефіцієнтові потужності на вторинній обмотці:
при
та
.
Вона характеризує якість електропостачання споживачу.
Номінальна зміна напруги або втрата напруги на вторинній обмотці двообмоточного трансформатора - арифметична різниця між номінальною напругою на вторинній обмотці (на холостому ході) та напругою при номінальному струмі у вторинній обмотці, виражена у відсотках номінальної напруги на вторинній обмотці при номінальних значеннях напруги на первинній обмотці, частоті мережі та постійному коефіцієнтові навантаження на вторинній обмотці:
при
та
.
ККД трансформатора - відношення активної потужності
, що споживається, до підведеної
, виражене у відсотках:
.
Так, як ККД потужного трансформатора дуже високий (98...99% ), то метод прямого визначення ККД безпосереднім вимірюванням активних потужностей
та
дає велику похибку вимірювання. Тут перевагу має метод непрямого визначення ККД з використанням наслідків дослідів холостого ходу та короткого замкнення:
,
де
- втрати потужності холостого ходу, Вт; Ркном-втрати потужності короткого замкнення, Вт;
- коефіцієнт навантаження трансформатора;
- номінальна потужність трансформатора, В А;
- коефіцієнт потужності вторинного кола трансформатора.
Коефіцієнт навантаження трансформатора

де
- струм у вторинній обмотці, А;
- номінальний струм у вторинній обмотці, А.
Залежність ККД трансформатора від коефіцієнта навантаження характеризує ефективність експлуатації трансформатора;
Номінальна потужність трансформатора при зневазі втратами потужності дорівнює добуткам номінальних напруг та струмів первинної та вторинної обмоток

Послідовність проведення роботи
1. Вивчіть призначення, устрій, принцип дії та області застосування однофазних трансформаторів.
2. Вивчіть та запишіть у робочий зошит паспортні дані трансформатора.
Згідно ГОСТ 16110 - 82 номінальні дані трансформатора - указані на паспортній таблиці виготовлювачем параметри (потужність, напруги, струми, частота та Ін. ), на котрі трансформатор розраховується, та які являються основою для визначення умов виготовлення, дослідження, експлуатації та ін.
Паспортні дані трансформатора
___________________________________________________________________________________________________________________________________________________________________________________________________________________________________________
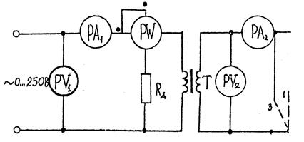
3. Зберіть схему (рис. 1) та пред'явіть викладачу для перевірки.
4. Проведіть дослід холостого ходу, при цьому перемикач установіть у нейтральне положення „1” , напругу на первинній обмотці установіть рівній номінальному значенню (
). Результати вимірювань запишіть в табл. 1.
5. Розрахуйте постійну ватметра (ціну поділки), Вт/под:
,
де
- номінальна напруга ватметра, В;
- номінальний струм ватметра, А;
- максимальна кількість поділок шкали ватметра, под.

Рис. І. Схема дослідження однофазного двообмоточного трансформатора
6. Проведіть експериментальні дослідження трансформатора при різних навантаженнях (задайте
=1, 2, 3, 4 та 5 А), перемикач при цьому встановіть у положення 2, зверніть увагу на установку рухомого контакту резистора навантаження ( на максимальний опір). Наслідки вимірювань запишіть у табл. 1.
7. Проведіть дослід короткого замкнення, при цьому перемикач встановіть у положення 3.
УВАГА! Упевніться, що рухомий контакт РНО встановлено у положення з нульовою напругою. Тільки після цього включіть перемикач та повільно, збільшуючи напругу, установіть номінальні струми на первинній та вторинній обмотках
та
. При цьому виміряна напруга у первинній обмотці і є напругою короткого замкнення трансформатора
. Результати вимірювань запишіть в табл. І.
8. Розрахуйте необхідні параметри та запишіть у табл.1.
9. По крапкам побудуйте зовнішню характеристику трансформатора (рис.2)
таcos
.
Таблиця 1
Параметри досліджень трансформатора
| № | Режим | Виміряно | Задано | Розраховано | ||||||
| досліду | роботи |
|
|
|
|
|
|
|
|
|
| Холостий хід |
|
|
| |||||||
| Наванта- ження | - | |||||||||
| Те ж | - | |||||||||
| Те ж | 3,33 | - | ||||||||
| Те ж | - | |||||||||
| б | Те х | - | ||||||||
| Дослід короткого замкнення |
|
|
|
| - | - | - |
10. Розрахуйте номінальну зміну напруги (при номінальному струмі у вторинній обмотці)
11. По крапкам побудуйте залежність ККД від коефіцієнта навантаження
при
та
(рис.З).
12. Графічно визначіть коефіцієнт навантаження при максимальному ККД:
при 
13. Розрахуйте струм короткого замкнення трансформатора та кратність струму короткого замкнення у первинній обмотці

14. Проведіть аналіз характеристик та запишіть висновки і рекомендації.
15. Усно дайте повні відповіді на контрольні запитання.

|
100
|
25 40
0 1 2 3,33 4 5 
0 0,3 0,6 0,9 1,2 1,5 
Рис. 2. Зовнішня характери- Рис. 3. Залежність ККД транс- стика трансформатора форматора від коефіцієнту на –
Дата добавления: 2015-08-04; просмотров: 734;
