Лекция 11. Примеры построения эпюр М и Qв изгибаемых балках.
Примеры построения эпюр М и Qв изгибаемых балках.

1) Уч.0-1, 
РОЗУ

Q=? 
-Q=0, Q=0- на незагруженном конце балки Q=0
: -М=0, М=0 - на свободном незагруженном конце балки моментов = 0: М=0.
Уч.1-2, 
РОЗУ

: 

: 

Уч.2-3, 
РОЗУ

: 

: 

Значения VAи mAнайдены из эпюр.

2) Уч.0-1, 

Q=0, M=0- свободный незагруженный конец балки
Уч.1-2, 

: 

: 

Уч.2-3, 
РОЗУ

: 

: 

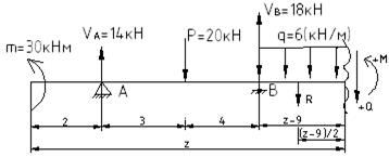
3) 

:


Откуда: 

Уч.0-1,
; 
Уч.1-2, 
РОЗУ

: 

: 

Уч.2-3, 
РОЗУ

: 

: 

Уч.3-4, 
РОЗУ

: 

: 


Дата добавления: 2015-08-01; просмотров: 748;
