Режим работы синхронного двигателя при постоянном моменте и переменном токе возбуждения
M=const, ib=var. Для анализа этого режима синхронного двигателя воспользуемся упрощенной диаграммой для неявнополюсной машины (рис. 39). Используя только верхнюю ее часть и вектор напряжения сети Uc расположим горизонтально.

Рис. 41.
Режим работы соответствует постоянству момента.
M = mUcE0sinQ = const при mUc = const,
wXc wXc
постоянство момента получается при E0sinQ=const, а следовательно -E0sinQ=const, поэтому, при изменении возбуждения, конец вектора –Е0 будет передвигаться по прямой Qq параллельно вектору Uc, т.к.
ab=E01sinQ=const. Мощность также постоянная:
P=mUcIcosf=const при mUc=const, P=const при Icosf=Ia=const, т.е. активная составляющая тока будет постоянной и конец вектора тока I, при изменении тока возбуждения, будет перемещаться по прямой MN.
При недовозбужденном синхронном двигателе составляющей напряжения -Е0 соответствует ток I, который отстает от напряжения Uc на угол f. Вектор тока I перпендикулярен продолжению вектора iIXc. Реактивная составляющая тока I будет отставать на 900 от вектора напряжения Uc, т.е. этот ток чисто индуктивный. Значит при недовозбуждении двигатель будет потреблять из сети индуктивный ток, а следовательно будет потреблять из сети реактивную мощность.
При увеличении возбуждения величина –Е01 увеличится, а ток I уменьшится до Ia=I1 и будет минимальным. При этом режиме СД будет работать с cosf=1 и реактивная мощность не будет ни потребляться ни отдаваться в сеть. При дальнейшем увеличении тока возбуждения составляющая напряжения будет равна –Е011, а ток I11 , будет опережать вектор напряжения сети на угол f1. Этот режим соответствует перевозбужденному режиму. Реактивная составляющая тока будет емкостной (опережает вектор pUc на 900). Этот режим будет соответствовать отдаче реактивной мощности в сеть. Этот режим аналогичен включению статических емкостей в сеть.
Итак видим, что если изменять ток возбуждения ib, то величина тока статора I будет изменяться по величине и по фазе, т.е. можно регулировать cosf. Это ценное свойство и определяет использование синхронных двигателей. Выпускаются СД обычно с опережающим cosf=0.8. Зависимости тока статора I от тока возбуждения ib, I=A(ib) называются U-образные характеристики, рис. 42.

Рис. 42.
Р2 > Р1. Характеристики снимаются при P=const. Режим работы соответствующий току возбуждения оси О до пунктирной линии недовозбужденный, а за пунктирной линией – перевозбужденный с отдачей реактивной энергии в сеть. Минимум тока статора соответствует cosf=1. Посмотрим на примере, как улучшается cosf установки при использовании перевозбужденного синхронного двигателя, рис. 43.

Рис. 43.
Предприятие без СД имеет в векторной форме Uc,I и угол f, где ток Il – индуктивный ток потребляемый из сети. Если теперь использовать СД в перевозбужденном режиме, получим емкостной ток Ic, который скомпенсирует частично ток Il. Результирующий реактивный ток уменьшится, а это приведет к уменьшению тока до I1, угол f1 уменьшится, т.е. возрастет cosf. Из этого примера видим, что используя на предприятиях СД в перевозбужденном режиме, улучшает cosf установки и уменьшает потери в сети.
ток I = \/Ia2+(Il-Ic)2 , cosf = Ia/I
Для улучшения энергетических показателей в энергосистемах большой мощности используются синхронные компенсаторы. Эти машины устанавливаются в конце высоковольтных линий и служат генераторами большой мощности. Поэтому синхронные компенсаторы, как правило, работают в перевозбужденном режиме без нагрузки, т.е. в режиме холостого хода. Конструктивно, они не имеют наружного выхода вала. Воздушный зазор делается меньше, чем у генераторов, это приводит к уменьшению числа витков обмотки возбуждения. Мощность СК составляет 100-300 МВА. Идея работы СК с сетью показана на рис. 44.

Рис. 44.
Синхронный генератор вырабатывает активную и реактивную мощность, которая передается через трансформаторы и линию электропередачи предприятиям. Если установить в узле нагрузки А синхронный компенсатор в режиме перевозбуждения, то он на месте будет вырабатывать значительную часть реактивной мощности и отдавать ее потребителям предприятий разгрузив синхронный генератор и линию электропередач в значительной части от реактивной мощности. Это приведет к уменьшению общего тока ЛЭП, уменьшатся потери в СГ, тр-рах и ЛЭП.
4.13.4. Пуск синхронного двигателя
Синхронный двигатель не имеет начального пускового момента. Если его подключить к сети переменного тока, когда ротор неподвижен, а по обмотке возбуждения проходит постоянный ток, то за один период изменения тока, электромагнитный момент будет дважды изменять свое направление, т.е. средний момент за период равняется нулю. При этих условиях двигатель не сможет прийти во вращение, т.к. его ротор обладающий определенной инерцией, не может быть в течении одного полупериода разогнан до синхронной частоты вращения. Следовательно, для пуска синхронного двигателя необходимо разогнать его ротор с помощью внешнего момента до частоты вращения, близкой к синхронной.
В виду отсутствия пускового момента в синхронном двигателе для пуска его используют следующие способы:
1. Пуск с помощью вспомогательного двигателя.
2. Асинхронный пуск двигателя.
1. Пуск с помощью вспомогательного двигателя.
Пуск в ход синхронного двигателя с помощью вспомогательного может быть произведен только без механической нагрузки на его валу, т.е. практически вхолостую. В этом случае на период пуска двигатель временно превращается в синхронный генератор, ротор которого приводится во вращение небольшим вспомогательным двигателем. Статор этого генератора включается параллельно в сеть с соблюдением всех необходимых условий этого соединения. После включения статора в сеть вспомогательный приводной двигатель механически отключается. Этот способ пуска сложен и имеет к тому же вспомогательный двигатель.
2. Асинхронный пуск двигателя.
Наиболее распространенным способом пуска синхронных двигателей является асинхронный пуск, при котором синхронный двигатель на время пуска превращается в асинхронный. Для возможности образования асинхронного пускового момента в пазах полюсных наконечников явнополюсного двигателя помещается пусковая короткозамкнутая обмотка. Эта обмотка состоит из латунных стержней, вставленных в пазы наконечников и соединяемых накоротко с обоих торцов медными кольцами.
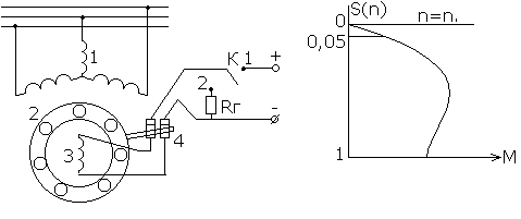
При пуске в ход двигателя обмотка статора включается в сеть переменного тока. Обмотка возбуждения (3) на период пуска замыкается на некоторое сопротивление Rг, рис. 45, ключ К в положении 2, сопротивление Rг = (8-10)Rв. В начальный момент пуска при S = 1, из-за большого числа витков обмотки возбуждения, Вращающее магнитное поле статора наведет в обмотке возбуждения ЭДС Ев, которая может достигнуть весьма большого значения и если при пуске не включить обмотку возбуждения на сопротивление Rг произойдет пробой изоляции.

Рис. 45 Рис. 46.
Процесс пуска синхронного двигателя осуществляется в два этапа. При включении обмотки статора (1) в сеть в двигателе образуется вращающее поле, которое наведет в короткозамкнутой обмотке ротора (2) ЭДС. Под действием, которой будет протекать в стержнях ток. В результате взаимодействия вращающего магнитного поля с током в коротко замкнутой обмотке создается вращающий момент, как у асинхронного двигателя. За счет этого момента ротор разгоняется до скольжения близкого к нулю (S=0,05), рис. 46. На этом заканчивается первый этап.
Чтобы ротор двигателя втянулся в синхронизм, необходимо создать в нем магнитное поле включением в обмотку возбуждения (3) постоянного тока (переключив ключ К в положение 1). Так как ротор разогнан до скорости близкой к синхронной, то относительная скорость поля статора и ротора небольшая. Полюса плавно будут находить друг на друга. И после ряда проскальзываний противоположные полюса притянутся, и ротор втянется в синхронизм. После чего ротор будет вращаться с синхронной скоростью, и частота вращения его будет постоянной, рис. 46. На этом заканчивается второй этап пуска.
Список литературы
1. Брускин Д.Э. и др. ²Электрические машины² ч.1, ч.2, 1987 г.
2. Вольдек А.И. ²Электрические машины² 1978 г.
3. Копылов И.П. ²Электрические машины² 1986 г.
4. Токарев Б.Ф. ²Электрические машины² 1990 г.
5. Кацман М.М. ²Электрические машины² 2000 г.
Дата добавления: 2015-08-01; просмотров: 2337;
