Основное уравнение движения электропривода
.
Установившийся процесс, когда
,
,
,
Если
,
,
.
Если
,
,
.
условием устойчивой работы агрегата является:
, точка
будет соответствовать устойчивой работе агрегата.
4. Рабочие характеристики, это зависимость
.
Рабочие характеристики двигателя – это зависимость потребляемой мощности
, тока
, кпд, скорости и момента от мощности на валу.
2. Двигатели последовательного возбуждения

Обмотка возбуждения двигателя включена последовательно с якорем, рис. 45. Ток якоря равен току возбуждения. Поэтому обмотка возбуждения имеет большое сечение и малое число витков. Последовательное соединение обмотки возбуждения является отличительной особенностью этого двигателя и влияет на вид характеристик. С увеличением тока якоря, увеличивается поток, скорость двигателя резко падает, т. е. получается мягкая скоростная характеристика, рис. 46.
1.Скоростная характеристика
,
. В общем виде, за счет насыщения, не имеет решение, аналитическое выражение скоростной характеристики можно получить только для ненасыщенной машины, когда
, рис. 46.
Момент
, при
,
, т. е. если ток нагрузки возрастает в 2 раза, то момент в 4 раза. Это условие и определяет область применения этих двигателей, т. е. используются там, где при пуске нужен большой пусковой момент (тяговый привод). Скоростная характеристика при
, запишется:
.
2. Моментная характеристика,
,
, при
,
, рис. 46.
3. Механическая характеристика,
. Аналитическое выражение характеристики может быть записано при условии
.
,
,
, если подставить ток
в исходное уравнение, получим:
,
, где
.
Общий вид механических характеристик представлен на рис. 47.
Двигатель последовательного возбуждения пойдет на разнос при работе его в холостую. Это может привести к механическим поломкам двигателя. Поэтому, минимальный ток двигателя должен быть не менее
.
3. Двигатель смешанного возбуждения

Принципиальная схема включения двигателя представлена на рис. 48. В зависимости от того, какая из обмоток преобладает по потоку, двигатели подразделяются на две разновидности:
1)Двигатель параллельного возбуждения с добавочной, последовательной обмоткой. Характеристики такого двигателя приближаются к двигателю параллельного возбуждения, рис. 49. Характеристика (1), естественная. Характеристика (2) соответствует встречному включению потоков
, при согласном включении,
получаем характеристику (3).
2)Двигатель последовательного возбуждения с добавочной параллельной обмоткой. Характеристики такого двигателя приближаются к характеристикам двигателя последовательного возбуждения. Характеристика 4 - характеристика двигателя последовательного возбуждения, характеристика 5 - характеристика двигателя смешанного возбуждения, при этом, обмотки включаются только согласно. Такая характеристика имеет скорость идеального холостого хода и двигатель не пойдет в разнос при холостом ходе. У такого двигателя частота вращения и момент зависят от двух потоков.
,
.
При согласном включении обмоток, при том же токе якоря, можно получить повышенный момент. Такой двигатель используется для тяговых установок и там, где имеются резкие изменения нагрузки.
3.6.5. Регулирование частоты вращения двигателей постоянного тока
С точки зрения, регулирования частоты вращения двигателя постоянного тока являются универсальными. Можно регулировать скорость за счет изменения сопротивления в цепи якоря, потоком и подводимым напряжением. Это видно из формулы:
.
1.Регулирование частоты вращения сопротивлением в цепи якоря.

Уравнения токов до и после введения сопротивления
,
, откуда
, т. е. ток
и момент уменьшается (
) .
При этом
и скорость
уменьшается. С уменьшением скорости
ток якоря возрастает, и он достигнет исходного тока якоря, но при меньшей скорости
.
Переходный процесс показан на рис. 50.
Регулирование частоты вращения сопротивлением в цепи якоря осуществляется в сторону уменьшения скорости, рис. 51.
Но так как ток якоря протекает по
, то увеличиваются общие потери, и снижается кпд. При постоянном токе, за счет увеличения падения напряжения
, скорость двигателя уменьшается.
2.Регулирование частоты вращения за счет изменения потока
Ток якоря до и после изменения потока
,
, их отношение
. Уравнение моментов
. Уменьшим поток на
, т. е.
,
. Напряжение примем за единицу, тогда
.
Ток якоря возрос в 3,3 раза, тогда
, то
и
(возрастает). Переходный процесс представлен на рис. 52.
Ток
. С увеличением скорости вращения, ток якоря будет уменьшаться, но он будет больше исходного т. к. уменьшен поток.
|
При уменьшении потока частота вращения возрастает, рис 53.
Рис. 53.
Как правило, регулирование частоты вращения изменением потока производят в сторону увеличения. В сторону уменьшения регулирование мало эффективно из-за насыщения магнитной цепи.
3.Регулирование частоты вращения изменением подводимого напряжения.
Регулирование частоты вращения изменением подводимого напряжения производится следующими способами:
А) Системы генератор-двигатель (Г-Д).
Б) Ттиристорный преобразователь-двигатель (ТП-Д).
В) Широтно-импульсное регулирование.
А) Система Г-Д, рис.54.
|
Рис. 54.
Увеличивая ток возбуждения генератора iвг, возрастает поток Фг и Ег, а следовательно увеличивается напряжение на якоре двигателя и скорость возрастает. Регулирование происходит плавно при малых потерях энергии.
Эта система используется при большой мощности двигателя (подъёмники, прокатные станы, экскаваторы и т.д).
Б) Тиристорный преобразователь-двигатель.
В системе Г-Д используется большое число машин, что увеличивает стоимость установки и снижает надежность.
|
Поэтому в последнее время для регулируемого напряжения все чаще используются статические преобразователи, рис.55.
Рис. 55.
Увеличивая угол управления
- площадь полупериода уменьшается, уменьшается среднее значение напряжения - Uср, а следовательно уменьшается скорость вращения.
В) Широтно-импульсное регулирование.
|
Идея регулирования напряжения подводимого к двигателю заключается в том, что, изменяя длительность подключения двигателя ключом (К) к сети, изменяется среднее значение напряжения, рис. 56. В качестве ключа используются схемы на базе тиристоров или транзисторов.
Рис. 56.
Изменяя время импульса t4 изменяется скважность
,
где t4 - время импульса;
tп - время паузы.
Среднее значение Uср=U0e.
.
Как видим, изменяя среднее значение напряжения, можно регулировать частоту вращения двигателя. Эта система широко используется вместо контактакторно-резисторных систем.
3.7. Коммутация двигателя
При вращении якоря щетка попеременно замыкает секции якоря и в этой секции происходит изменение направления тока. А сама секция передается в другую параллельную ветвь, рис.57. Ток в секции меняется только под щеткой. Дадим определение коммутации:
Коммутацией называется процесс изменения направления тока в секции при переходе ее из одной параллельной ветви в другую.
Рис. 57.
|
При коммутации под щетками происходит очень сложный процесс, этот процесс протекает быстро (10-2 ¸10-5 сек.) и на него влияет много факторов. Мы будем исходить из классической теории коммутации. Разберем коммутацию в узком смысле, возьмем одну секцию и ширину щетки равную ширине коллекторной пластины.
Рис. 58
На рис. 58 еще раз показан процесс коммутации. При положении щетки на пластине (1) ток в секции протекает по часовой стрелке, и секция относится к правой параллельной ветви. Затем при вращении якоря секция щеткой будет закорочена. В конце коммутации щетка будет расположена на пластине (2). Ток в секции сменит направление, и она перейдет в левую параллельную ветвь (показано пунктиром).
Процесс коммутации длится всего тысячные доли секунды. Такое быстрое изменение направления тока вызывает многие неприятности, в частности, искрение на коллекторе.
Искрение гостируется в специальной таблице:
Степень искрения: 1 - отсутствие искрения.
1
- слабое точечное искрение под небольшой частью щетки. 1
- слабое точечное искрение под большей частью щетки.
2 – искрение под всем краем щетки.
3 – значительное искрение под всем краем щетки с наличием крупных искр.
При нормальной коммутации степень искрения не должна превышать 1
.
Искрение определяется не только неудовлетворительной коммутацией, а также определяется механическими причинами, потенциальными неравномерностями. Механическое искрение определяется некачественной щеткой, при плохой обработке и
т. д.
При изучении коммутации будем исходить из двух положений:
1. Будем считать, что контактная поверхность щетки проводит ток равномерно.
2. Удельное сопротивление контакта (переходное сопротивление единицы площади), будем принимать постоянным и не зависимым от плотности тока.
3.7.1 Закон изменения тока в коммутируемой секции
Время, в течение которого происходит смена направления тока в коммутируемой секции, называется периодом коммутации - Тк.
,
где к - число коллекторных пластин,
n - частота вращения якоря,
Вш - ширина щетки,
Вк - коллекторное деление.
За начальный момент коммутации примем момент, когда щетка находится на пластине (1), а конец коммутации, когда щетка находится на пластине (2).На рис.59 представлен момент, когда щетка находится на пластине 1 и 2 и секция коммутирует. Сопротивление секции по сравнению с сопротивлениями r1 и r2 невелико и им можно пренебречь.
Рис. 59.
|
Определим закон изменения тока i в коммутируемой секции.
По первому закону Кирхгофа:
I1=ia+i,
I2=ia-i.
По второму закону Кирхгофа:
I1r1-i2r2=
.
Решив эти уравнения относительно тока коммутируемой секции, получим
I=ia
+
,
где
-сумма в коммутируемой секции (ЭДС самоиндукции, взаимоиндукции и ЭДС внешнего поля).
Как видим, ток в коммутируемой секции состоит из двух слагаемых: первое - ток прямолинейной коммутации (основной ток), а второе – добавочный ток. Добавочный ток будет влиять на характер коммутации. Она может быть прямолинейной, замедленной и ускоренной.
3.7.2. Прямолинейная коммутация
Прямолинейная коммутация происходит тогда, когда добавочный ток (rдоб) равен нулю.
Ток в коммутируемой секции равен
i=ia
,
=
, (1)
где S1 - площадь соприкосновения пропорциональная времени оставшегося до конца коммутации - Тк–t;
S2 - площадь соприкосновения пропорциональная времени от начала коммутации - t.
Разделим уравнение (1) на r2
I=ia
=ia
,
=
= 
Заменим отношение
на
.
I=ia
, после преобразования получим закон изменения тока прямолинейной коммутации
, ток в коммутируемой секции. Графически это будет прямая линия.
|
На рис.60 на момент времени t показаны токи i1, i2 и i. Эта коммутация самая хорошая, так как плотность тока под щеткой равномерно распределяется под обеими частями щетки.
Рис. 60.
tg a2=
º
= 
tg a1= 
т.к. a1=a2, то tg a1=tg a2, а, следовательно, D1=D2 (D - плотность тока).
3.7.3. Замедленная коммутация
Так как период коммутации составляет тысячные доли секунды, то от скорости изменения тока в коммутируемой секции наводится ЭДС самоиндукции
. Кроме того, в пазу располагается другая активная сторона другой секции, которая коммутирует под другим полюсом. Ток этой секции наведет ЭДС взаимоиндукции впервой коммутируемой секции
. Обе эти ЭДС по природе одинаковы, поэтому объединим их в одну и назовем реактивной ЭДС - er.
Кроме того, в коммутируемой секции от внешнего поля наведется ЭДС - ek. (ek - ЭДС от внешнего поля или коммутирующая ЭДС). ЭДС er и ek вызовут в секции добавочный ток
, где r1+r2 - общее сопротивление под щеткой. Характер тока будет определяться характером суммарного значения ЭДС Se. Конечно, Se тоже меняется, но мы будем брать среднее значение и считать, что Se будет постоянной.
Посмотрим, как будет изменяться добавочный ток iдоб и сопротивление r1+r2 за период коммутации. Исходя из соотношения
, откуда
. Аналогично,
, откуда
. Так как sщºTk, а s2ºt, s1ºTk-t, то r1+r2=rщ
.
При t=0, r1+r2=¥, iдоб =0
t=Tk, r1+r2=¥, iдоб=0
t=Tk/2, r1+r2=4rщ, iдоб ¹0.
|
На рис.61 представлено изменение суммы сопротивлений r1+r2 добавочному току. Видим, что при t=Tk/2 добавочный ток имеет наибольшее значение.
Рис. 61.
Результирующий ток в коммутируемой секции состоит из тока прямолинейной коммутации (пунктирная прямая) и добавочного тока. Так как при замедленной коммутации преобладает реактивная ЭДС, то процесс коммутации замедляется, т.е. ток в секции изменяет направление позже, чем при прямолинейной коммутации
. При замедленной коммутации er>ek и добавочный ток iдоб увеличивает ток i1 и уменьшает ток i2, рис.62.
|
Рис. 62.
Поэтому равномерное распределение тока под щеткой будет нарушено. Плотность тока на сбегающей части щетки возрастает, и искрение будет наблюдаться на этой части щетки. Замедленная коммутация – это наихудший вид коммутации.
3.7.4. Ускоренная коммутация
|
Ток
, при ускоренной коммутации ek>er, т.е. ЭДС от внешнего поля больше реактивной ЭДС и добавочный ток изменит свое направление, что приведет к изменению тока в коммутируемой секции раньше, чем через t =Tk/2, рис.63 (коммутация криволинейная).
Рис. 63.
При ускоренной коммутации ток в секции i2 возрастает, а i1 уменьшится. Ток в секции i уменьшится.
Плотность тока на набегающей части щетки возрастает, и искрение будет наблюдаться на этой части щетки, рис.64. Равномерное распределение тока под щеткой также будет нарушено. Этот вид коммутации также неблагоприятный. Иногда специально настраивают коммутацию на ускоренную.
|
Рис. 64.
При ускоренной коммутации искрение более вероятное на набегающей части щетки. При наладке коммутации стремятся приблизить криволинейную коммутацию к прямолинейной.
3.7.5. Определение реактивной ЭДС-er
- это выражение для самоиндукции, но мы примем это выражение для реактивной ЭДС, учитывая разность в коэффициенте L. Это запись мгновенной ЭДС.
Среднее значение ЭДС
, где Lc-коэффициент самоиндукции, определение его связано с рядом сложностей. Напомним, что индуктивность секции определяется ее потокосцеплением, т.е. произведением потока на число сцепленных с ним витков, когда по секции протекает ток в 1 ампер.
|
В основу определения Ls положено понятие об удельной магнитной проводимости-l, под которой понимают число потокосцеплений на единицу длины секции, состоящей из одного витка, по которой протекает ток в один ампер.
,
, где Wc-число витков секции, тогда
, поток секции
.
Рис. 65.
Определим проводимость секции. На длине l может быть проводимость пазовая и зубцовая. И еще есть лобовая проводимость.
Проводимость секции

, где
-удельная приведенная магнитная проводимость.
Это было бы справедливо, если бы в пазу лежала только одна секция, но в пазу лежит еще другая активная сторона другой секции, т.е. здесь будет взаимоиндукция. Надо учесть влияние взаимоиндукции.

эта часть удваивается, тогда
.
Перейдем к определению реактивной ЭДС
где Wc - число витков секции, период коммутации
,
, домножим на
, тогда
, где
- линейная скорость на окружности якоря, величина
, окончательно реактивная ЭДС
, где A - линейная нагрузка.
гн/м.
ЭДС от внешнего поля - ek
, где Bk, lk - индукция Bk в зоне коммутации и длина lk также в зоне коммутации.
3.7.6. Способы улучшения коммутации
Идея улучшения коммутации сводится к тому, чтобы криволинейную коммутацию, привести к прямолинейной, а для этого необходимо, чтобы добавочный ток iдоб был равен нулю.
. Уменьшить ток iдоб можно, попытавшись увеличить сопротивление r1+r2, теоретически это возможно, но через эти сопротивления проходит и основной ток машины, что увеличит потери напряжения и нагрев пластин. Значит этим путем идти нельзя. Кроме того, марку щеток выбирают в зависимости от плотности тока и скорости вращения коллектора. Обычно для машин постоянного тока используют графитные или электрографитные щетки. Поэтому сопротивления r1+r2 определяются выбранной маркой щеток.
Уменьшить добавочный ток iдоб можем за счет уменьшения реактивной ЭДС-er.
. Уменьшая любую величину, мы уменьшаем er, но больших результатов не получим, к примеру, если уменьшим линейную нагрузку A, то это приведет к увеличению габаритов. Уменьшение скорости вращения приведет к такому же результату.
Можно уменьшить число витков в секции - Wc, но опять таки сильно уменьшить Wc нельзя, так как от Wс зависит наводимая ЭДС якоря. Остается последнее – уменьшить
.
.
|
Для уменьшения
используют обмотки с укороченным шагом, либо используют ступенчатую обмотку, рис.66 а, б.
|
Рис. 66 а. Рис. 66 б.
За счет укорочения шага, рис.66 а, активные стороны секций расположены в разных пазах, это приводит к тому, что ЭДС взаимной индукции в них не будет. Частично этот же результат получен при ступенчатой обмотке. Но и здесь большого эффекта достичь нельзя.
Наиболее рациональным средством в приближении коммутации к прямолинейной, т.е. при iдоб=0, является достижение равенства er=ek, т. е. необходимо получить ek=er, которые скомпенсируют друг друга и сведут добавочный ток iдоб=0.
При этом улучшение коммутации производят двумя методами:
1. За счет сдвига щеток с нейтрали,
2. За счет уменьшения добавочных полюсов.
| |
1. Улучшение коммутации за счет сдвига щеток с нейтрали, рис. 67 а, б, в
Если щетки установлены на геометрической нейтрали, то секция, подойдя к пластине (1), начнет коммутировать. От скорости изменения тока в секции в ней наведется реактивная ЭДС. Кроме того, секция коммутирует во внешнем поле той же полярности. Поэтому в секции наведется ЭДС ek того же знака, что и ЭДС er. Если щетки сдвинуть на физическую нейтраль, то секция начнет коммутировать, подойдя к пластине (2), и в ней наведется ЭДС er, а ЭДС ek будет равна нулю, т.к. индукция B в точке 2 равна нулю. Затем, если сдвинуть щетки за физическую нейтраль, то секция начнет коммутировать, дойдя до пластины (3), и в ней появится ЭДС er, а индукция B в этом положении будет иметь противоположный характер, и наводимая ЭДС ek будет противоположна ЭДС er. Сдвинув щетки на соответствующий угол, можно получить полную компенсацию er и ek и тем самым свести ток iдоб =0 и привести коммутацию к прямолинейной. Этот способ улучшения коммутации применим только тогда, когда нагрузка генератора практически постоянная. В практике нагрузка, как правило, переменная. Поэтому для улучшения коммутации используют второй способ.
2. Улучшение коммутации за счет установки добавочных полюсов
Дополнительные полюса устанавливают на геометрической нейтрали. Количество их равно числу главных полюсов. Это простое и целесообразное решение. Все современные машины постоянного тока снабжены дополнительными полюсами.
|
Рис. 68.
Идея улучшения коммутации сводится к следующему:
Секция идет от южного полюса. Дойдя до щетки на нейтрали, секция начнет коммутировать и в ней наведется от скорости изменение тока ЭДС
. Дополнительный полюс своим потоком наведет в коммутируемой секции ЭДС-ek. Для того, чтобы ЭДС ek была встречно с ЭДС er, необходимо, чтобы секция коммутировала в зоне противоположной полярности, т.е. полярность дополнительного полюса должна быть северной (N).
Обмотка дополнительного полюса включается последовательно с якорем. Это делается для того, чтобы с увеличением тока якоря одновременно изменялись ЭДС er и ek.

Для того, чтобы BkºIa, необходимо, чтобы дополнительные полюса должны быть ненасыщенные и набираться из пакета листов электротехнической стали.
Определение числа витков дополнительного полюса
Число витков дополнительного полюса выбирается исходя из равенства ЭДС er=ek.
обычно l»lk, тогда Bk=
. Исходя из индукции Bk, ведется расчет числа витков дополнительного полюса.
Намагничивающая сила дополнительных полюсов складывается из двух частей:
1. Первая часть должна создать индукцию Bk,
2. Вторая часть должна компенсировать реакцию якоря, обычно эта часть больше.
Fq=Faq+Fdg=Ae+2
,
где dg, Kdg – зазор под дополнительным полюсом,
Kdg – коэффициент зазора.
Намагничивающая сила дополнительных полюсов
Fg=2IaWg, откуда Wg=
.
Задавшись током Ia определяем линейную нагрузку А, а по А определяем Вk и Fg.
На практике для наладки коммутации снимают кривые безискровой коммутации и по ним производят коррекцию числа витков Wg или изменяют зазор dg для того, чтобы коммутацию была прямолинейна.
3.7.7. Круговой огонь в машинах постоянного тока
Круговой огонь в машинах постоянного тока возникает при пиковых нагрузках или при коротком замыкании.
Это тяжелый и не приятный случай коммутации, приводящий к порче машины, т.е. коллекторные пластины перекрываются огнем по всему коллектору и они плавятся, т.е. машина выходит из строя.
Физическая природа этого явления отличается чрезвычайной сложностью. Развитию кругового огня способствуют две причины:
1. Первая причина.
|
Предположим, что имеем пик нагрузки, резко увеличивается ток в якоре, также резко возрастает линейная нагрузка А и столь же быстрое возрастание ЭДС еr, а ЭДС ek это время не успевает расти, так как при большом токе дополнительный насыщен и ЭДС ek будет мало изменяться, т.е. er>>ek, отсюда коммутация становится явно замедленная. Появится искрение на сбегающем крае щетки. Искры объединяются в дугу. При вращении якоря дуги сливаются и получается круговой огонь.
2. Вторая причина.
Рис. 69.
В момент перегрузки реакция якоря сильно искажает индукцию. И секция, дойдя до максимального значения индукции, в ней наведется увеличенная ЭДС. Напряжение между коллекторными пластинами резко возрастает, кроме того, изоляция между пластинами загрязнена угольной пылью. Эти причины приведут к перекрытию этих пластин. Далее подойдя в эту зону максимальной индукции, следующая секция окажется в таком же положении, и следующие коллекторные пластины перекроются (произойдет пробой изоляции). Это будет также способствовать развитию кругового огня, рис.69.
|
В машинах большой мощности для ликвидации второй причины устанавливают компенсационную обмотку. Эта обмотка расположена в пазах полюсных наконечников, рис.70.
Рис. 70.
Эта обмотка соединяется последовательно с якорем. Поток компенсационной обмотки компенсирует поток якоря. Это приводит к тому, что у машины как при холостом ходе, так и при нагрузке индукция имеет вид трапеции. Не будет повышенных индукций, а следовательно не будет перенапряжений и пробоя изоляции между пластинами.
Наличие компенсационной обмотки облегчает условия работы дополнительных полюсов. Для ослабления кругового огня машину часто настраивают на ускоренную коммутацию, чтобы при пиковых нагрузках она приходила к прямолинейной коммутации. Кроме того, по окружности якоря устанавливают предохранительные щиты для ограничения развития кругового огня.
IV Синхронные машины
4.1. Назначение, устройство и принцип действия
Синхронные машины используются главным образом в качестве источников электрической энергии переменного тока; их устанавливают на мощных тепловых, гидравлических и атомных электростанциях. Конструкция синхронного генератора определяется в основном типом привода. В зависимости от этого различают турбогенераторы, гидрогенераторы, дизель генераторы. Турбогенераторы приводятся во вращение паровыми или газовыми турбинами, гидрогенераторы – гидротурбинами, дизель генераторы – двигателями внутреннего сгорания.
Синхронной машиной переменного тока называется такая машина, скорость которой находится в строгой зависимости от частоты. Ротор вращается с такой же скоростью, что и поле статора
n1= 60f1
p
Турбогенераторы изготовляются на синхронную скорость n=3000-1500 об/мин, мощностью 125; 320; 500; 800; 1000; 1200 МВт. Статор (якорь) синхронной машины аналогичен асинхронной машине. Он набирается из листов электротехнической стали (1). В пазах статора расположены три фазы, сдвинутые относительно друг друга на 120 электрических градусов (2), рис. 1. (3) индуктор явнополюсной машины, (4) обмотка возбуждения, (5) контактные кольца. Ротор (индуктор) в синхронном турбогенераторе выполняется неявнополюсным. На роторе расположена обмотка возбуждения (2), которая питается от источника постоянного тока. Обмотку возбуждения в такой машине размещают в пазах сердечника ротора, выполненного из массивной стальной поковки высококачественной стали (рис. 2(1)), и укрепляют немагнитными клиньями.
Рис 1. 
Лобовые части обмотки, на которые воздействуют значительные центробежные силы, крепят с помощью стальных массивных бандажей. Для получения приблизительно синусоидального распределения магнитной индукции обмотку возбуждения укладывают в пазы, занимающие 2/3 полюсного деления, рис. 2.

Рис 2.
Диаметр ротора не должен превышать 1.0-1.5м длина ротора составляет 7-8 метров.
Охлаждение элементов турбогенератора осуществляется водородом, трансформаторным маслом, дистиллированной водой.
Гидрогенераторы. Эти машины приводятся во вращение тихоходными гидравлическими турбинами, частота вращения которых составляет 50-500 об/мин. Поэтому их выполняют с большим числом полюсов и явнополюсным ротором, рис 2. Диаметр ротора гидрогенератора достигает у мощных машин 16м при длине 1.75м (640 МВА) на ободе ротора крепятся полюса с обмоткой возбуждения. Полюса изготовляют из листовой стали.
Охлаждение элементов гидрогенератора чаще всего осуществляется водой.
Кроме синхронных генераторов имеются синхронные двигатели и синхронные компенсаторы.
4.2. Работа генератора при холостом ходе
При холостом ходе магнитный поток генератора создается обмоткой возбуждения, причем он направлен по оси полюсов ротора и индуктирует в фазах обмотки якоря ЭДС сдвинутую по фазам 120 эл. градусов. Е0=4.44W1ФвК0. Величину Е0 можно регулировать изменяя ток возбуждения. В синхронных машинах основные параметры выражаются в относительных единицах Е0*=Е0/Uном, Lв*= Lв/Lв0, где Lв0 – ток возбуждения соответствующий номинальному напряжению при холостом ходе. Характеристика холостого хода в относительных единицах называется стандартной (рис 3). Так как
генератор является источником напряжения, то к нему предъявляются требования относительно синусоидальности полученной ЭДС. Величена искажения ЭДС не более 5% для машин средней и большой мощности и не более 10% для машин до 1000 КВА. Коэффициент искажения ЭДС
<5%
Кривая ЭДС определяется магнитным полем, поэтому при конструировании машин обращают внимание на то, чтобы соблюдалось синусоидальное распределение поля. В машинах с явными полюсами это достигается за счет скоса полюсных наконечников, а в машинах неявнополюсных достигается за счет строгого расположения пазов на полюсном делении.
4.3. Реакция якоря в синхронном явнополюсном генераторе
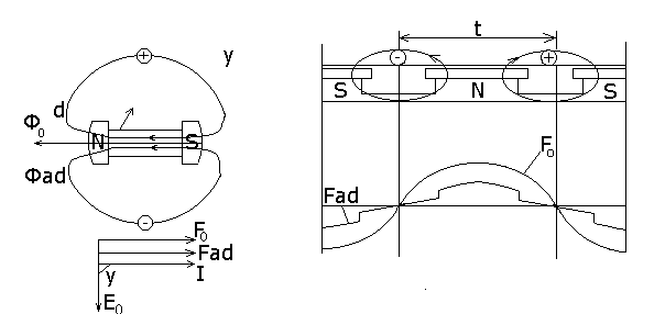
Как было сказано выше, при холостом ходе магнитный поток создается обмоткой возбуждения. В явнополюсной машине магнитный поток Ф0 направлен по продольной оси d-d, рис 4. Так как магнитное сопротивление по продольной d-d и поперечной осям различное, то в явнополюсной машине все процессы рассматривают по двум осям – продольной d-d вдоль индуктора и поперечной q-q оси. Если теперь замкнуть обмотку статора (якоря) на нагрузку, то под действием ЭДС Е0 по обмотке будет протекать ток, который создает свой магнитный поток. Взаимодействие потока якоря с потоком обмотки возбуждения называется реакцией якоря. Намагничивающая сила ротора вращается с синхронной скоростью, вращение магнитного поля статора также синхронное (n1=60f1/p), т.е. они друг относительно друга неподвижны. Однако действие реакции якоря зависит от характера нагрузки. Нагрузка может быть активной, индуктивной, емкостной, либо смешанной. При рассмотрении реакции якоря на статоре будем изображать одну фазу вместо трех. Из общей теории машин переменного тока известно, что ось потока трехфазной обмотки совпадает с осью той фазы, где ток максимален, поэтому рассмотрим случай, когда ток в одной из фаз статора максимален.
4.3.1. Реакция якоря при активной нагрузке

Рис 4.
Кривая намагничивающей силы ротора есть синусоида. Кривая намагничивающей силы реакции якоря так же синусоидальная. Реакция якоря на набегающем крае размагничивает основной поток, а на сбегающем крае намагничивает. Как видно из рис 4 при активной нагрузке реакции якоря поперечная. Намагничивающая сила Faq – намагничивающая сила поперечной реакции якоря.
Если машина неявнополюсная, то Faq дает нам в каком-то масштабе кривую распределения индукции. А для машин с явными полюсами эта кривая не будет аналогична кривой распределения индукции, так как зазор по осям не одинаков. Поэтому в кривой индукции появляются провалы в межполюсных местах из-за большого магнитного сопротивления.
Однако с такой кривой индукции Baq иметь дело не удобно, поэтому предпочитают сводить эту кривую к эквивалентной синусоиде, имеющей равную площадь, при этом поступают следующим образом: намагничивающую силу F1aq соответствующую эквивалентной синусоиде, определяют F1aq=Faq*Kq, где Kq-коэфициент поперечной реакции якоря и зависит от коэффициента магнитного перекрытия для машин Kq=0.2-0.5.
Определив, таким образом, эквивалентную синусоиду, можно найти поток. Таким образом, при чисто активной нагрузке реакция якоря – поперечная.
4.3.2. Реакция якоря при индуктивной нагрузке
Теперь рассмотрим случай, когда нагрузка генератора чисто реактивная, т.е. ток якоря отстает от ЭДС на 90. Если нагрузка индуктивная и ток отстает от ЭДС на 90, то взаимное расположение полюсов и активных сторон фазы, в которых будет максимальный ток будет тогда, когда уйдет на половину полюсного деления (на 90 эл. градусов). Магнитные линии потока якоря будут замыкаться иначе, чем в первом случае. Поток якоря, при этом, будет проходить по тому же пути, что и поток обмотки возбуждения, но направлен встречно. Поэтому если нагрузка чисто индуктивная, то реакция якоря будет продольно размагничивающая. На рис 5 представлена картина пространственного расположения потоков, в развернутом виде представлены н.с. F0 и Faq и векторная диаграмма при чисто индуктивном характере нагрузки. Кривая распределения индукции якоря для явнополюсной машины также будет иметь провалы.

Рис 5.
Здесь также действительную кривую распределения индукции заменяют эквивалентной синусоидой.
F1ad=Fad*Kd, где Kd – коэфициент продольной реакции якоря. Kd=0.8-0.95 таким образом, при индуктивной нагрузке реакция якоря будет продольной и будет действовать размагничивающим образом.
4.3.3. Реакция якоря при емкостной нагрузке
При емкостной нагрузке ток якоря опережает ЭДС на 90 эл. градусов. Поэтому максимум тока в фазе наступает тогда, когда северный полюс не дойдет до фазы статора на 90. При этом поток якоря и поток обмотки возбуждения будут направлены в одну сторону (см. рис. 6) и реакция якоря будет продольно намагничивающая.
Рис. 6.
4.3.4. Реакция якоря при смешанной нагрузке
В действительности у синхронных генераторов таких идеальных случаев нагрузки нет. Реально нагрузка генератора активно-индуктивная, либо активно емкостная. Рассмотрим активно-индуктивный характер нагрузки. При этом ток разлагают по осям. Активная составляющая будет давать поперечную реакцию якоря, а реактивная – продольную. Рассмотрим случай, когда ток отстает от ЭДС на угол y. Для определения влияния реакции якоря нужно выделить активную и реактивную составляющие тока.

Рис 7.
Ток Iq создает намагничивающую силу Faq, а ток Id намагничивающую силу Fad. Fad будет искажать магнитный поток, а Fad размагничивать. Реакция якоря определяется путем разложения, рис. 7.
4.4. Магнитное рассеяние
Кроме основного магнитного потока, пронизывающего обе обмотки, имеется поток рассеяния. Этот поток охватывает только обмотку статора.
Различают три части потока рассеяния: пазовое зубцовое и лобовое.
Поток рассеяния обуславливает собой индуктивное сопротивление. Он индуктирует ЭДС рассеяния. Посмотрим от чего зависит ЭДС рассеяния и реактивное сопротивление. Определим поток рассеяния Фs.
В основу определения потока Фs положено понятие удельной магнитной проводимости
Фs=2eWkL1i.
Эта формула написана из расчета приведенной удельной магнитной проводимости. Под которой понимается число магнитных силовых линий, пронизывающих катушку при прохождении тока в ней в один ампер, при числе витков равном единице и отнесенной к единице длины активной стороны. Ток i=Imsin(wt) с другой стороны по закону электромагнитной индукции можем написать:
esk = - Wk dФ
dt
если теперь сюда подставить поток Ф и значение тока, то получим
esk= - Wsk d(2eWkLImsinwt) = -2eWk2LwImcoswt
dt
где амплитуда ЭДС рассеяния Esm=2eWk2 Lwv2I, действующее значение ЭДС рассеяния.
Esk=4пf1eWk2LI – выражение ЭДС для катушки, а для фазы:
Es=4пf1e(pq)Wk2LI=XsI, Es=IXs – ЭДС рассеяния, а индуктивное сопротивление Хs равно:
Xs=4пfepqWk2L – это выражение верно для любого типа обмоток, дело только заключается в определении L, которая зависит от типа обмотки. В синхронных машинах сопротивления обычно выражаются в относительных единицах.
Xs*=XsIфн ,где Zн= Uфн
Uфн Iфн
Обычно Xs*=0.1-0.14.
4.5. Рабочий процесс синхронной машины
Наиболее важной величиной для синхронного генератора является напряжение. Оценка генератора производится по изменению напряжения. Показателем изменения напряжения является относительное изменение напряжения – это разность между напряжением машины при холостом ходе и напряжением при нормальной нагрузке выраженная в процентах от Uн.
U=(U0-Uн )* 100%
Uн
Устанавливается эта величина при постоянстве тока возбуждения и при постоянстве числа оборотов. При автономной работе машины величина U может достигнуть 30%- 50%. Уменьшение напряжения обусловлено реакцией якоря и падением напряжения на реактивном сопротивлении. Синхронные машины изучаются с применением векторных диаграмм, где используются либо диаграммы ЭДС, либо диаграммы намагничивающих сил с учетом насыщения.
4.5.1. Основная диаграмма ЭДС явнополюсного синхронного генератора
При построении этой диаграммы используется метод двух реакций. Разлагают реакцию якоря на поперечную и продольную и строят диаграмму. При холостом ходе существует поток Ф0. При нагрузке появляется поток якоря Фа. В результате взаимодействия Ф0 и Фа образуется результирующий поток Фб, и так, при нагрузке реально существует два потока, это результирующий поток Фб и поток рассеяния Фs.
Для построения диаграммы предполагается, что с синхронной малине существуют независимые потоки:
Ф0 – основной поток возбуждения,
Фaq – поток поперечной реакции якоря,
Фad – поток продольной реакции якоря,
Фs – поток рассеяния.
Эти потоки в обмотке якоря будут индуцировать свои ЭДС, а сумма этих ЭДС дает на выходе напряжение. Каждая ЭДС будет отставать от своего потока на 90 эл. гр.
Ф0 » Е0
Iq » Фad » Eaq
Id » Фad » Ead U
Фs » Es
Ea=-It
Исходя из этого, построим основную диаграмму ЭДС для явнополюсной синхронной машины, рис 8.

Рис. 8
где: Iq и Id – активная реактивная составляющие тока якоря. Используя эту диаграмму можно получить углы Q и f, а также U. Токи Iq и Id создают потоки Фad и Фaq которые создают в обмотке якоря ЭДС Ead и Eaq. Сложив геометрически все эти ЭДС получим на зажимах машины выходное напряжение U. Но в современной теории синхронных машин пользуются рядом параметров, для обоснования которых основную диаграмму ЭДС необходимо преобразовать. Если ЭДС рассеяния Es = Ixs, то остальные ЭДС можно выразить аналогичным выражением.
4.5.2. Преобразованная диаграмма ЭДС явнополюсной синхронной машины
Преобразование будет сводиться к тому, что, разложив ЭДС рассеяния по осям, и прибавив их к ЭДС Ead и Eaq, получим из 3 ЭДС два и попутно получим выражение индуктивных сопротивлений синхронных машин.
CN=BM=Essiny=IXssiny
AB=Ead=IdXad=IXadsiny
AM=CN+AB=IXssiny+IXadsiny=Isiny(Xs+Xad)=IdXd=Ed,
Xd=Xs+Xad, Xd – синхронное индуктивное сопротивление по продольной оси. Xs – индуктивное сопротивление рассеяния. Xad – индуктивное сопротивление реакции якоря по продольной оси.
Далее: DN= Escosy=IXscosy
MN=Ead=IqXad=IcosyXaq
DM=DN+MN=IXscosy+IcosyXaq=Icosy(Xs+Xad)=IqXq=Eq,
Xq=Xs+Xad, Xq – синхронное индуктивное сопротивление по поперечной оси. Xaq – индуктивное сопротивление реакции якоря по поперечной оси, где
IXad= Eaq/cosy
Индуктивные сопротивления Xd, Xq, Xs, Xad, Xaq обычно приводятся в относительных единицах. Построим преобразованную диаграмму.

Рис. 9.
Векторные диаграммы ЭДС неявнополюсных синхронных машин, рис. 10, рис. 11.

Рис. 10 Рис. 11.
На рис. 10 представлена диаграмма ЭДС выраженная через вектора отдельных ЭДС, а на рис. 11 диаграмма ЭДС выражена через падения напряжения. На этих диаграммах ток якоря I не разлагается по осям.
4.6. Определение параметров синхронной машины со снятыми характеристиками
4.6.1. Определение индуктивного ненасыщенного сопротивления Xd
Для определения ненасыщенного Xd снимаются две характеристики:
а) Характеристика холостого хода E0=A(ib), Ia=0, n=const
б) Характеристику короткого замыкания Ik=A(ib), U=0 (трехфазное к.р.).

Рис. 12 Рис. 13
Из рис. 13 видно , что сумма ЭДС Е0, Ead, Es равна нулю, откуда
E0=IkXs+IkXad=Ik(Xs+Xad)=IkXd, откуда Xd=E0/Ik1.
Обычно Xd берется в относительных единицах:
Xd*= XdIн = E01Iн = Е01Iн = E01
Uн Iк1Uн UнIк1 Uн(Iк1/Iн)
Обозначим отношение Eo1/Uн = С, а Iк1/Iн = ОКЗ
Из рисунка 12 видно, что отношение токов
Iк1/Iн = ib0/ibк = ОКЗ
ОКЗ выражает отношение тока возбуждения соответствующего номинальному напряжению при холостом ходе, к току возбуждения соответствующего номинальному току статора при трехфазном коротком замыкании. Значение ОКЗ влияет на габариты машины и на ток короткого замыкания если машина не насыщена, то Е01/Uн = 1, тогда ОКЗ = 1/Xd*

Рис. 14 Рис. 15
Если машина имеет малый зазор (рис 14), то магнитная проводимость потока якоря Фad будет большая, а следовательно Xd будет большим. При изменении нагрузки будет сильное колебание напряжения и машина будет работать неустойчиво, но зато она экономична т.к. диаметр статора мал и расход стали и меди будет наименьшим. Если машина имеет большой воздушный зазор б, то магнитная проводимость потоку якоря Фad будет мала и Xd будет малым. При изменении нагрузки напряжение будет мало колебаться и машина будет устойчиво работать с сетью. Но т.к. диаметр якоря большой , то машина получится не экономичной, т.е. большой расход стали и меди статора (якоря). Кроме того ОКЗ характеризует значение установившегося тока короткого замыкания: Iк.ном = ОКЗ*Iном, который возникает при номинальном токе возбуждения генератора (соответствующем номинальному напряжению). В современных синхронных явнополюсных машинах средней и большой мощности
Xd*= 0.6-1.6, Xq*= 0.4-1/
При указанных выше значениях Xd*,Xq*, для неявнополюсных машин ОКЗ = 0.8-1.8. Следовательно установившийся ток короткого замыкания в синхронных машинах сравнительно невелик, т.к. при этом режиме создается продольно размагничивающая реакция якоря и Фрез.к < Фв.
Для практических целей целеобразно иметь машину с большим ОКЗ, однако это требует выполнение ее с большим воздушным зазором, что существенно удорожает машину.
4.6.2. Определение параметра Xd насыщенного
Для определения насыщенного Xd используют две характеристики:
1) Характеристика холостого хода: Xd=A(ib), I=0.
2) Нагрузочная индукционная характеристика: U=A(ib), Iн = const cosy = 0.
Рис. 16
При снятии индукционной характкристики ток отстает от Е0 на 900. При нагрузке I=Iн, cosf=0 напряжение будет падать за счет индуктивного сопротивления Xs – IнXs и Xad обусловленного реакцией якоря т.е (Xs + Xad)Iн = IнXd, что показано на рис. 16. На рис. 17 показаны характеристики и показан путь определения Xd т.е.
Xd = E0 – Uн
Iн
Из рис. 18 видно, что с насыщением машины Xd уменьшается.

Рис. 17.
4.6.3. Определение параметра Xq
Если машина неявнополюсная, то практически принимают что Xq=Xd, если же машина явнополюсная, то магнитная проводимость по поперечной оси q-q будет меньше чем по продольной, поэтому Xq<Xd, для практических целей принимают, что Xq = 0.6Xd.
4.6.4. Определение параметров Xq и Xd методом скольжения
На машину подается пониженное напряжение U=(0.1-0.2)Uн U выражают асинхронно и возбуждают машину.
Если магнитный поток якоря совпадает с осью полюсов, то магнитная проводимость большая и сопротивление большое, а ток мал, поэтому
Xd = U
\/3 Imin
Если магнитный поток якоря будет расположен по оси q-q, то магнитная проводимость ему будет мала, а следовательно индуктивное сопротивление будет малым, а ток большим, поэтому
Xq = U
\/3 Imax
т.к. скольжение обычно наибольшее, то колебание тока можно определить по прибору, но лучше брать его на осциллографе.
4.6.5. Определение параметра Xs
Для определения э
Дата добавления: 2015-08-01; просмотров: 1986;
