Обратносмещенный p-n переход
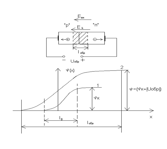
Если к p-области подключить отрицательный полюс внешнего источника напряжения, а к n-области - положительный, то такое включение p-n перехода получило название обратного смещения p-n перехода. Схема включения p-n перехода представлена на рис.6.
Под действием обратного напряжения Uобр основные носители заряда будут перемещаться от границ p-n перехода вглубь областей. При этом ширина
p-n перехода увеличивается, что хорошо демонстрируется потенциальной диаграммой рис.6.

Рис.6. Схема включения p-n перехода при обратном смещении и потенциальная диаграмма p-n перехода
На рис.6 обозначено: lо - ширина p-n перехода в равновесном состоянии, определяемая по зависимости 1 - распределение потенциалов в равновесном состоянии p-n перехода; lобр - ширина p-n перехода при обратном смещении, определяемая по зависимости 2 - потенциальная диаграмма при обратном смещении p-n перехода ; jк - высота потенциального барьера в равновесном состоянии p-n перехода; (jк+çUобрç) - высота потенциального барьера при обратном смещении p-n перехода.
Ширина обратносмещенного p-n перехода определяется по формуле:
.
Приближенная запись для lобр оправдана, так как çUобрç>>jк. Из формулы для lобр видно, что p-n переход расширяется нелинейно с увеличением приложенного напряжения Uобр: вначале более быстро, затем расширение p-n перехода замедляется.
При подаче Uобр увеличивается потенциальный барьер, так как напряженность внешнего электрического поля Eвн совпадает с направлением напряженности внутреннего электрического поля Eк, уменьшается число основных носителей заряда способных его преодолеть и ток диффузии уменьшается. Уже при çUобрç=(0,1¸0,2) В ток диффузии становится равным нулю, а через p-n переход протекает только ток неосновных носителей заряда, образующих дрейфовую составляющую тока.
В результате действия обратного напряжения снижается концентрация неосновных носителей заряда у границ p-n перехода и появляется их градиент концентрации. Возникает диффузия неосновных носителей заряда к границам p-n перехода, где они подхватываются электрическим полем p-n перехода и переносятся через p-n переход. Это поясняется диаграммой рапределения концентраций основных и неосновных носителей заряда в областях p-n перехода, приведенной на рис.7, на котором обозначено Ln, Lp - длина диффузии электронов и дырок.
|
Рис.7. Распределение концентраций носителей заряда в обратносмещенном p-n переходе
Как показано на рис.7, концентрация неосновных носителей заряда на границах p-n перехода практически падает до нуля. Снижение концентраций неосновных носителей заряда у границ p-n перехода, появление градиента их концентрации и диффузия неосновных носителей заряда к p-n переходу характеризуется экстракцией.
Экстракцией называется извлечение неосновных носителей заряда из областей, примыкающих к p-n переходу, под действием ускоряющего электрического поля.
Энергетическая диаграмма обратносмещенного p-n перехода приведена на рис.8.
|
Рис.8. Энергетическая диаграмма обратносмещенного p-n перехода
Уровень Ферми в n-области опускается вниз на величину обратного напряжения. Обратный ток включает дрейфовую составляющую и равен:
.
С учетом принятых допущений имеем pn>>np и iEp>>iEn, а, следовательно, можно приближенно записать
.
Дата добавления: 2015-07-30; просмотров: 3609;
