Прямосмещенный p-n переход
Если к p-области подсоединить положительный полюс внешнего источника напряжения, а к n-области - отрицательный, такое включение p-n перехода получило название прямого смещения p-n перехода.
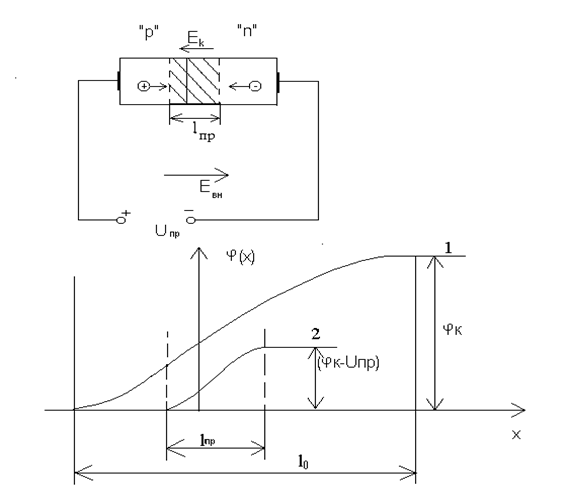
В этом случае под действием внешнего электрического поля основные носители заряда начнут перемещаться в сторону p-n перехода. На рис.4 представлены схема включения p-n перехода в прямом направлении и диаграмма распределения потенциала вдоль p-n перехода.
|
Рис.4. Схема включения p-n перехода при прямом смещении и потенциальная диаграмма p-n перехода
На рис.4 обозначено: Uпр - напряжение внешнего источника, приложенного к p-n переходу в прямом направлении (прямое смещение p-n перехода); Eвн - напряженность внешнего электрического поля;
1 - распределение потенциала вдоль p-n перехода в равновесном состоянии;
2 - распределение потенциала вдоль p-n перехода при прямом смещении;
lo - ширина p-n перехода в равновесном состоянии; lпр - ширина p-n перехода при подаче прямого напряжения Uпр.
При подаче внешнего напряжения на p-n переход изменяется его ширина, что видно из потенциальной диаграммы рис.4. При этом ширина прямосмещенного p-n перехода находится из выражения:
,
где
.
Из потенциальной диаграммы рис.4 следует, что при прямом смещении высота потенциального барьера снижается и становится равной
.
Это приводит к резкому увеличению тока диффузии через переход:
iD=iDp+iDn, так как все больше основных носителей заряда оказывается способными преодолеть меньший потенциальный барьер. В несимметричном p-n переходе ток диффузии создается в основном потоком дырок из p-области в n-область, так как встречный поток электронов мал и им можно пренебречь: (Nа=1018см-3)>>(Nд=1015см-3); iDp>>iDn. При этом в n-области существенно возрастает концентрация избыточных неосновных носителей заряда - дырок, перешедших из p-области. Это образование избыточной концентрации носителей заряда получило название инжекции.
Инжекцией называется процесс нагнетания носителей заряда в полупроводник, для которого они являются неосновными носителями заряда.
Область, инжектирующая носители заряда, называется эмиттером. Эта область сильно легирована примесями и имеет низкое удельное электрическое сопротивление. Область, в которую инжектируются неосновные для нее носители заряда, называется базой. База меньше легирована примесями и имеет большое значение удельного электрического сопротивления.
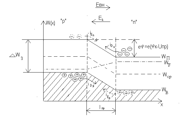
Энергетическая диаграмма p-n перехода при прямом смещении приведена на рис.5.
При прямом смещении уровень Ферми полупроводника в n-области смещается вверх относительно его положения в p-области на величину, равную e×Uпр. Соответственно, на эту же величину снижается высота энергетического барьера. При этом дрейфовая составляющая тока p-n перехода не изменяется, так как условия перехода неосновных носителей заряда через p-n переход остаются теми же, что и в равновесном состоянии, то есть переход неосновных носителей заряда происходит в ускоряющем электрическом поле p-n перехода. Из-за снижения высоты энергетического барьера количество переходов основных носителей заряда в тормозящем электрическом поле p-n перехода будет резко увеличиваться, а, соответственно, возрастает диффузионная составляющая тока перехода.
|
Рис.5. Энергетическая диаграмма прямосмещенного p-n перехода
Дата добавления: 2015-07-30; просмотров: 4916;
