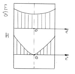
Электрический поверхностный эффект
Вдоль шины направлен синусоидальный ток I частотой
. Напряженность магнитного поля H и электрического поля E изменяется по синусоидальному закону.

Поле внутри пластины определяется по формулам:


Напряженность магнитного поля на поверхности шины при z=a
(из закона полного тока) (
)




Полярные диаграммы:

Комплексное сопротивление в единице длины шины:





Дата добавления: 2015-07-30; просмотров: 699;
