Разветвленная цепь однофазного переменного тока. Резонанс токов
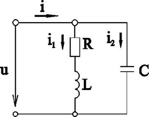
Рассмотрим разветвленную цепь, параллельно соединённых катушки индуктивности L (с активным сопротивлением R) и конденсатора С (рис. 2.29).

Рис.2.29. Электрическая схема разветвлённой цепи
Пусть мгновенные значения напряжения и тока цепи изменяются по синусоидальному закону
. По первому закону Кирхгофа
, для действующих значений токов
. По закону Ома
. Из треугольника сопротивлений, для последовательно соединённых R и L,
Разложим токи в ветвях на активные и реактивные составляющие IR, IL, IC и определим их значения:
.
Введем следующие обозначения:
=g (2.25)
- активная проводимость первой ветви;
(2.26)
- реактивная индуктивная проводимость первой ветви;
(2.27)
- реактивная емкостная проводимость второй ветви.
Для случая IL > IC построим векторную диаграмму (рис. 2.30):
Из векторной диаграммы находим общий ток:
, (2.28)
где
(2.29)
- полная проводимость цепи.

Рис.2.30. Векторная диаграмма разветвлённой цепи переменного тока
Из векторной диаграммы следует, что наличие ёмкости снизило вектор действующего значения тока
до величины
, а cosφ при этом увеличился. Резонанс токов можно практически получить изменением ёмкости конденсатора. На рис.2.31 приведены примерные графические зависимости IL, IC, I, cosφ от изменения C, где Cp - резонансная ёмкость.
Рис.2.31. Примерное изображение зависимостей IL, IC,
, cos
от изменения ёмкости конденсатора C

Рис.2.32. Треугольник проводимостей цепи
Выражение (2.29) соответствует треугольнику проводимостей цепи, представленному на рис. 2.32, откуда следует:
; (2.30)
. (2.31)
Выражения для мощностей принимают такой вид:
(2.32)
- активная мощность,
(2.33)
- реактивная мощность,
(2.34)
- полная мощность.
Резонансом токов для рассматриваемой цепи называют явление, при котором ток IL = IC , тогда общий ток I в неразветвленной части цепи совпадает по фазе с напряжением источника. При резонансе токов
= 0; cos
= 1; bL = bC; I = IR. Пусть резонансная частота f0 определяется из соотношения
, тогда
, а угловая резонансная частота
.
Итак, признаками резонанса токов являются:
а) индуктивная и емкостная проводимости равны;
б) ток в неразветвленной части цепи совпадает по фазе с напряжением источника и имеет минимальное значение;
в) коэффициент мощности максимален.
Дата добавления: 2015-07-24; просмотров: 1426;
