Основне рівняння гідростатики
Розглянемо найбільш поширений випадок рівноваги рідини, коли вона знаходиться тільки під дією сили тяжіння. Тоді проекції одиничних масових сил на координатні осі будуть такими: Х=0, Y=0, Z=-g (координатну вісь Oz вважаємо напрямленою вверх), і рівняння поверхні рівного тиску (2.7) набуває вигляду:
|
Звідкіля
| (2.8) |
Таким чином, при рівновазі рідини в полі сил тяжіння поверхні рівня являють собою сім’ю горизонтальних площин. Однією з поверхонь рівного тиску буде і вільна поверхня рідини.
Визначимо тиск в довільній точці А об’єму рідини, що міститься в закритій посудині (рис.2.4) і знаходиться у стані спокою.
При X=0, Y=0, Z=-g основне диференціальне рівняння гідростатики (2.6) запишеться так:
|

Рис.2.4
Після інтегрування в припущенні r=const отримаємо:
,
| (2.9) |
де С-стала інтегрування.
Сталу інтегрування визначимо з граничних умов на вільній поверхні рідині в посудині, де z=z0, p=p0. Маємо:
і тоді
,
| (2.10) |
де h=z-z0 – заглиблення точки А під вільну поверхню.
Це і є основне рівняння гідростатики, яке виражає залежність тиску в даній точці рідини в стані спокою від виду рідини і відстані точці від вільної поверхні.
В рівнянні (2.10) р - абсолютний тиск в даній точці рідини, р0 - зовнішній абсолютний тиск на вільній поверхні рідини;
- тиск стовпа рідини в даній точці. Всі складові рівняння мають розмірність тиску (ПА, кПА, МПА).
Основному рівнянню гідростатики можна надати іншого вигляду, якщо поділити всі його члени на ρg:
| (2.11) |
В цьому рівнянні складові мають лінійну розмірність (М).
Зв’язок між тиском, виражений в одиницях тиску (ПА), і тиском в лінійних одиницях (метрах стовпа рідини) дає загальна формула
| (2.12) |
У відкритих резервуарах, водоймищах тощо зовнішнім тиском на вільну поверхню рідини є атмосферний тиск (рат,, рбар). В таких випадках рівняння (2.10) записують у формі
| (2.13) |
В техніці часто зустрічаються випадки, коли абсолютний тиск в даній точці рідини
. Тоді величину
називають надлишковим тиском:
|
Якщо
, то надлишковий тиск називають манометричним тиском:
| (2.14) |
якщо
то надлишковий тиск буде від’ємним і величину - називають вакууметричним тиском або вакуумом:
| (2.15) |

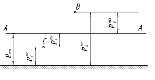
Рис.2.5
Зв’язок між абсолютним, манометричним і вакуумометричним тиском графічно проілюстрований на рис.2.5.
Гідростатичний закон розподілу тиску, виражений формулою (2.11), cправедливий для будь-якого положення координатної площини хОу. Цю площину називають площиною порівняння. Величина
, где z – геометрична висота розташування точки над площиною порівняння, р – абсолютний тиск, називається гідростатичним напором і позначається через
; величину
, в якій р – надлишковий тиск, називають п’єзомеричним напором і позначають через
. Як виходить з формули (2.11) напори
і
є сталими для всіх точок даної маси рідини, що знаходиться в стані спокою.
Дата добавления: 2015-08-26; просмотров: 2324;

,
і тоді
,