Внезапное сужение трубопровода

Рисунок 3.7 ─ Внезапное сужение трубопровода
Коэффициент местного сопротивления при внезапном сужении
(3.27)
где
— коэффициент сжатия струи, представляющий собой отношение площади сечения сжатой струи в узком трубопроводе
к площади сечения узкой трубы
(рисунок 3.9):
(3.28)
Коэффициент сжатия струи
зависит от степени сжатия потока
(3.29)
и может быть найден по формуле А.Д. Альтшуля:
(3.30)
Значения
подсчитанные по формуле (3.30), приведены в табл. 3.1
Таблица 3.1 ─ Коэффициент сжатия струи
| 0,1 | 0,2 | 0,3 | 0,4 | 0,5 | 0,6 | 0,7 | 0,8 | 0,9 | ||
| 0,609 | 0,613 | 0,618 | 0,623 | 0,631 | 0,642 | 0,656 | 0,678 | 0,714 | 0,785 |
Диафрагма на трубопроводе
Рисунок 3.8 ─ Диафрагма на трубе постоянного сечения
Коэффициент местного сопротивления диафрагмы, расположенной внутри трубы постоянного сечения (отнесенный к сечению трубопровода) (рисунок 3.8) равен
(3.31)
где
— отношение площади отверстия диафрагмы
к площади сечения трубы
.

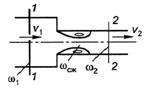
Рисунок 3.9 ─ Диафрагма на трубопроводе в месте изменения
диаметра
Коэффициент местного сопротивления (отнесенный к сечению узкого трубопровода) для диафрагмы, расположенной на выходе в трубопровод другого диаметра (рисунок 3.9), равен
(3.32)
где

Дата добавления: 2015-08-21; просмотров: 1645;
