Система питания двигателя с впрыском бензина
Системы с впрыском бензина интенсивно вытесняют традиционные карбюраторные системы.
Основными преимущества систем впрыска перед карбюраторными являются: раздельное дозирование топлива и воздуха; коррекция дозирования по многим факторам (в зависимости от нагрузки и скоростного режима, температуры воздуха и охлаждающей жидкости, атмосферного давления); возможность точного дозирования смеси, требуемого для нейтрализации отработавших газов в системах с λ-зондом; улучшение мощностных и экономических показателей двигателя; встроенная диагностика.
В то же время системы впрыска уступают карбюраторным по стоимости, сложности устройства и обслуживания.
Наибольшее распространение в четырехтактных двигателях получили системы с электронным управлением с впрыском во впускной трубопровод двигателя, в которых подача бензина регулируется путем изменения длительности впрыска. Впрыск бензина непосредственно в цилиндры широкого применения не находит из-за неблагоприятных условий работы форсунки, трудности размещения ее в камере сгорания, а также из-за высокого давления впрыска.
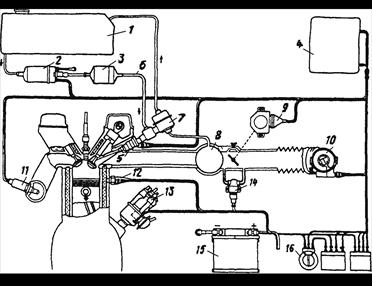
Топливо из бака 1 всасывается электрическим бензонасосом 2, а затем через фильтр тонкой очистки 3 нагнетается в магистраль 6, в которой редукционным клапаном 7 поддерживается постоянный перепад давления на входе и выходе топлива из форсунок 5. Избыток топлива от клапана 7 возвращается обратно в бак. Из нагнетательной магистрали топливо подводится к индивидуальным электромагнитным форсункам 5, подающих его в зону впускных клапанов.
Воздух поступает в цилиндры через измеритель расхода 10 и впускной трубопровод 8. Количество воздуха регулируется дроссельной заслонкой.
Электронная система управления дозированием топлива питается от аккумуляторной батареи 15 и включается в цепь при замыкании замка зажигания 16.
Сигналы измерителя расхода воздуха 10 и распределителя зажигания 13 (сигнал частоты вращения вала) обрабатываются электронным блоком управления 4, который в соответствии с заложенной в него программой выдает импульсы, управляющие открытием клапанов форсунок и имеющие определенную продолжительность на каждом режиме работы двигателя.
Так как редукционный клапан 7 поддерживает постоянное избыточное давление топлива относительно давления воздуха во впускном трубопроводе, то цикловая подача топлива форсункой 5 однозначно зависит от времени, в течение которого открыт ее клапан.
Длительность впрыскивания корректируется блоком управления в зависимости от температуры охлаждающей жидкости (датчик 12); экономайзерный эффект и обогащение смеси на режимах разгона обеспечиваются по сигналам датчика 9,соединенного механически с осью дроссельной заслонки.
Чтобы обеспечить устойчивую работу двигателя на холостом ходу с заданной частотой вращения, предусмотрено автоматическое регулирование количества поступающего в двигатель воздуха в зависимости от температуры охлаждающей жидкости. На холостом ходу непрогретого двигателя дроссельная заслонка закрыта, и воздух поступает через верхний и нижний обводные каналы. По мере прогрева двигателя, начиная с определенной температуры охлаждающей жидкости, регулятор дополнительного воздуха 14 прекращает подачу дополнительного воздуха. После этого воздух поступает только через верхний обвод, сечение которого можно изменить винтом регулировки частоты вращения на холостом ходу.
Система может работать по сигналам λ-зонда 11, обеспечивая поддержание состава смеси α
1,0, что необходимо при установке в систему выпуска нейтрализатора отработавших газов.
Дата добавления: 2015-08-14; просмотров: 1071;
