Схемы замещения пьезокерамических элементов (резонаторов).
Для исследования, моделирования, проектирования различных акустоэлектронных приборов используют их электрические модели (электрические схемы замещения). Схемы замещения ПЭ строятся на основе теории электромеханических аналогий, которая базируется на подобии дифференциальных уравнений, описывающих динамические процессы в механических и электрических системах.
Основными (базисными) характеристиками процессов, протекающих в механических системах, являются сила F и скорость
, масса, упругость, трение, перемещение. В соответствии с этим в первой системе электромеханических аналогий устанавливается следующее соответствие между механическими и электрическими величинами:
Таблица - Система электромеханических аналогий.
| Механические системы | Электрические системы |
| Перемещение l, м | Электрический заряд Q, Кл |
Колебательная скорость, , м/c
| Сила тока I, А |
| Сила F, Н | Напряжение U, В |
| Масса m, кг | Индуктивность L, Гн |
| Гибкость (упругость) s | Емкость С, Ф |
| Механическое сопротивление (трение), w | Сопротивление R, Ом |
Кинетическая энергия
| Энергия магнитного поля
|
Потенциальная энергия
| Энергия электрического поля
|
Для системы электромеханических аналогий можно записать критерии подобия, которые для продольных механических и электрических колебаний имеют следующий вид:

Рассмотрим эквивалентные электрические схемы для стержневых ПЭ представленных на рисунке:
|
| Рисунок 1 - Конструкции стержневых ПЭ |
P – направление вектора поляризации
U1, U2 – электрические напряжения на обкладках ПЭ
I1, I2 – токи электрических плеч.
V1, V2 – колебательные скорости левого и правого акустических плеч (рис а)
V2, V3 – колебательные скорости левого и правого акустических плеч (рис б)
F1, F2 – механические силы левого и правого акустических плеч (рис а)
F2, F3 – механические силы левого и правого акустических плеч (рис б)
Электрические схемы замещения стержневых ПЭ, соответствующие элементам на рисунке 1, приводятся на рисунке 2.
|
| Рисунок 2 - Схемы замещения стержневых ПЭ |
При рассмотрении эквивалентных электрических схем вводят понятия электрических и механических плеч.
Механическая и электрическая системы связаны с помощью идеальных трансформаторов с коэффициентами электромеханической трансформации n1 и n2.
Взаимосвязь электрических и механических параметров схемы замещения ПЭ определяется системой уравнений, записанных в матричном виде:
|
|
;
.
;
.
;
.
;
.
;
.
;
.
;
.
;
.
- механические, электрические, диэлектрические, электромеханические параметры пьезокерамических элементов (справочные данные).
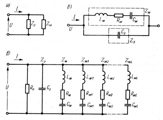
Cхемы замещения можно существенно упростить и представить в виде двухполюсников (рисунок 3.а).
|
| Рисунок 3 - Упрощенные схемы замещения ПЭ |
Сопротивление
отражает электрическую часть ПЭ, а сопротивление
механическую; комплексное сопротивление схемы
.
Сопротивление ZM зависит от типа ПЭ, направления его поляризации и т.д.; для приближенных расчетов сопротивление ZM часто представляют в области резонансной частоты ПЭ в виде последовательного резонансного контура (рисунок 3.б):

Если рассматривать ПЭ как многорезонансную систему, то параллельно контуру ZM необходимо подключить ряд аналогичных контуров с соответствующими ZMi (рисунок 3.в).
Дата добавления: 2015-08-14; просмотров: 948;
