Вопрос. Назначение и классификация систем зажигания.
Рабочая смесь воспламеняется в камере сгорания автомобильного бензинового двигателя как в период пуска, так и во время его работы посредством электрического разряда между электродами свечи, ввернутой в головку цилиндра двигателя. На прогретом двигателе к моменту искрообразования рабочая смесь сжата и имеет температуру, близкую к температуре самовоспламенения. В этом случае достаточно незначительной энергии электрического разряда - около 5 мДж.
Однако имеется ряд режимов работы двигателя, когда требуется значительная энергия искры – 30-100 мДж.
К таким режимам следует отнести:
· пусковой режим;
· работу на бедных смесях при частичном открытии дросселя;
· работу на холостом ходу;
· работу при резких открытиях дросселя.
Электрическая искра вызывает появление в ограниченном объеме рабочей смеси первых активных центров, от которых начинается развитие химической реакции окисления топлива. Воспламенение рабочей смеси является началом бурной реакции окисления топлива, сопровождающейся выделением тепла.
Система зажигания двигателя предназначена:
· для генерации импульсов высокого напряжения, вызывающих вспышку рабочей смеси в камере сгорания двигателя;
· для синхронизации этих импульсов с требуемой фазой двигателя;
· для распределения импульсов зажигания по цилиндрам двигателя.
От энергии искры в момент зажигания рабочей смеси в значительной степени зависят экономичность и устойчивость работы двигателя, а также токсичность отработавших газов.
В настоящее время на автомобильных бензиновых двигателях широко применяют батарейные системы зажигания, которые позволяют преобразовать напряжение автомобильной аккумуляторной батареи в высокое напряжение, необходимое для возникновения электрического разряда, и в требуемый момент подать это напряжение на соответствующую свечу зажигания. Момент зажигания характеризуется углом опережения зажигания
, который представляет собой угол поворота коленчатого вала, отсчитываемый от положения вала в момент подачи искры до положения, когда поршень приходит в верхнюю мертвую точку (ВМТ). Известные ныне системы зажигания получают необходимую энергию не непосредственно от аккумуляторной батареи, а от промежуточного накопителя энергии.

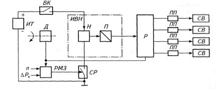
Рис. 1.1. Структурная схема батарейной системы зажигания.
В зависимости от накопителя различают системы с накоплением энергии в индуктивности и емкости.
Батарейная система зажигания (рис. 1.1) состоит из следующих основных элементов:
- источника тока ИТ, функцию которого выполняет аккумуляторная батарея или генератор;
- выключателя цепи питания ВК, функцию которого выполняет
выключатель зажигания;
- датчика синхронизатора Д, который механическим способом
связан с коленчатым валом двигателя и определяет угловое положение коленчатого вала;
- регулятора момента зажигания РМЗ, который механическим
или электрическим способом управляет моментом подачи искры в
зависимости от частоты вращения n или нагрузки двигателя (∆РК -
разрежение в коллекторе);
- источника высокого напряжения ИВН, содержащего накопитель
энергии Н и преобразователь П низкого напряжения в высокое;
- силового реле СР, которое представляет собой электромеханический ключ (контакты прерывателя) или электронный ключ
(мощный транзистор), управляется РМЗ и служит для подключения
и отключения ИТ к накопителю ИВН, т. е. управляет процессами
накопления и преобразования энергии;
- распределителя импульсов высокого напряжения Р, который
механическим, либо электрическим способом распределяет высокое напряжение по соответствующим цилиндрам двигателя;
элементов помехоподавления ПП, функции которых выполняют экранированные провода и помехоподавительные резисторы, размещенные либо в распределителе Р, либо в свечных наконечниках, либо в высоковольтных проводах в виде распределенного сопротивления;
- свечей зажигания СВ, которые служат для образования искрового разряда и зажигания рабочей смеси в камере сгорания двигателя.
Системы зажигания классифицируются по следующим основным признакам:
1. По способу управления (синхронизации) системы зажигания:
· контактные;
· бесконтактные.
2. По способу регулирования угла опережения зажигания:
· с механическим регулированием;
· с электронным регулированием.
3. По способу накопления энергии:
· с накоплением в индуктивности;
· с накоплением в емкости.
4. По типу силового реле (способу коммутации первичной цепи катушки зажигания):
· механические;
· транзисторные;
· тиристорные.
5. По способу распределения импульсов высокого напряжения по цилиндрам двигателя:
· с механическим распределением;
· с электронным распределением.
6. По типу защиты от радиопомех:
· неэкранированные;
· экранированные.
Системам с контактным управлением присущи недостатки, связанные с износом и разрегулировкой контактов, ограниченные скоростные режимы из-за вибрации контактов и т. п. В бесконтактных системах зажигания управление осуществляется специальными бесконтактными датчиками, что позволяет избежать указанных недостатков систем с контактным управлением.
Внутри этих двух классов системы отличаются как схемными конструктивными решениями, так и применяемыми электронными коммутирующими приборами, датчиками, способами накопления энергии, регулирования угла опережения зажигания, распределением импульсов высокого напряжения по цилиндрам.
В более простых системах зажигания для регулирования угла опережения используются механические центробежный и вакуумный автоматы, которые реализуют весьма простые зависимости. Механические автоматы со временем изнашиваются, что приводит к погрешности момента искрообразования и ухудшению процесса сгорания рабочей смеси.
Дополнительные погрешности возникают также и в результате использования механической понижающей передачи от коленчатого вала двигателя к распределителю.
В последнее время благодаря большим достижениям в области электроники и микроэлектроники создаются системы зажигания, в которых полностью отсутствуют механические устройства управления, следовательно, и недостатки, свойственные им. Эти системы, осуществляющие управление моментом зажигания по большому числу параметров, приближая угол опережения к оптимальному, получили общее название - системы с электронным регулированием угла опережения зажигания. Среди способов реализации этих систем можно выделить два: аналоговый и цифровой.
Цифровые системы зажигания благодаря развитию технологии производства цифровых интегральных схем средней и большой степеней интеграции являются наиболее совершенными. Одним из последних достижений в этой области являются микропроцессорные системы.
Применение электроники позволяет полностью исключить механические узлы, например вращающийся высоковольтный распре делитель энергии. Функцию распределителя исполняют многовыводные (на 2, 4, 6 выводов) катушки зажигания или катушечные модули, управляемые контроллером. В системах со статическим распределением энергии благодаря отсутствию вращающегося бегунка и связанного с ним искрения значительно ниже уровень электромагнитных помех.
В ряде случаев, например на автомобилях высокого класса, требуется максимальное снижение уровня помех радиоприему, телевидению и средствам связи как на самом автомобиле, так и на внешних объектах. С этой целью высоковольтные детали и провода, а также сами узлы системы зажигания экранируются. Такие системы зажигания называются экранированными.
Все системы зажигания разделяются также на две группы, отличающиеся способами накопления энергии (в индуктивности или емкости) и способами коммутации первичной цепи катушки зажигания (типом силового реле). На автомобильных двигателях широкое применение нашли системы зажигания с накоплением электромагнитной энергии в магнитном поле катушки, использующие контактные или транзисторные прерыватели. В тиристорных системах зажигания энергия для искрового разряда накапливается в конденсаторе, а в качестве силового реле применяется тиристор. В этих системах катушка зажигания не накапливает энергию, а лишь преобразует напряжение. Характерной особенностью тиристорных систем зажигания является высокая скорость нарастания вторичного напряжения, поэтому пробой искрового промежутка свечи надежно обеспечивается даже при загрязненном и покрытом нагаром изоляторе свечи. Кроме того, в тиристорных системах вторичное напряжение может быть практически постоянным при изменении частоты вращения коленчатого вала двигателя до максимальной, так как конденсатор успевает полностью зарядиться на всех режимах работы двигателя. Однако тиристорные системы зажигания имеют сравнительно малую продолжительность индуктивной составляющей искрового разряда (не более 300 мкс), что приводит к ухудшению воспламеняемости и сгорания рабочей смеси в цилиндрах двигателя на режимах частичных нагрузок. Многочисленными исследованиями установлено, что в режимах частичных нагрузок и при работе двигателя на сильно обедненных рабочих смесях требуется продолжительность индуктивной составляющей искрового разряда не менее 1,5-2 мс, что достаточно просто реализуется в системах зажигания с накоплением энергии в индуктивности. Последние достижения в области создания транзисторных систем зажигания, в частности применение принципа нормирования времени накопления энергии, позволили практически устранить такие недостатки индуктивных систем, как большая зависимость вторичного напряжения от шунтирующего сопротивления на изоляторе свечи и от частоты вращения коленчатого вала.
Перечисленные достоинства и простота реализации предопределили широкое использование систем зажигания с накоплением энергии в индуктивности на автомобильных двигателях. Системы зажигания с накоплением энергии в емкости нашли широкое применение на газовых и высокооборотных мотоциклетных двигателях, которые менее требовательны к длительности искрового разряда.
В соответствии с классификацией к серийно выпускаемым и перспективным системам зажигания и у нас в стране и за рубежом относятся:
· батарейная с механическим прерывателем (классическая);
· контактно-транзисторная;
· контактно-тиристорная;
· бесконтактно-транзисторная;
· цифровая с механическим распределителем;
· микропроцессорная система управления автомобильным двигателем (МСУАД).
Дата добавления: 2015-08-14; просмотров: 6542;
